GM Service Manual Online
For 1990-2009 cars only
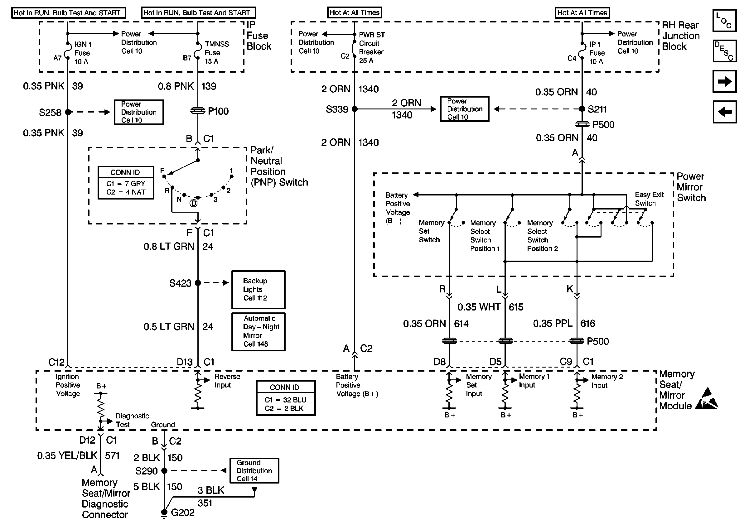
Figure 1:

Cell 147: LH Seat/ Lock Switch


Object Number: 483333  Size: FS
Cell 10: IP 1 Fuse (1 of 2) (Oldsmobile)
Cell 10: PWR ST Circuit Breaker
Cell 10: CHIME (IGN 1) Fuse (Oldsmobile)
Cell 10: CHIME (IGN 1) Fuse (Oldsmobile)
Cell 14: G202 (1 of 3) (Oldsmobile)
Power Door Systems Connector End Views
Cell 147: RH Outside Power Mirror (1 of 2)
Cell 10: IP 1 Fuse (1 of 2) (Oldsmobile)
Cell 147: RH Outside Power Mirror (1 of 2)
Cell 112
Cell 148: Automatic Day Night Mirror Oldsmobile
Outside Mirrors Circuit Description
Power Door Systems Components
Cell 10: PWR ST Circuit Breaker
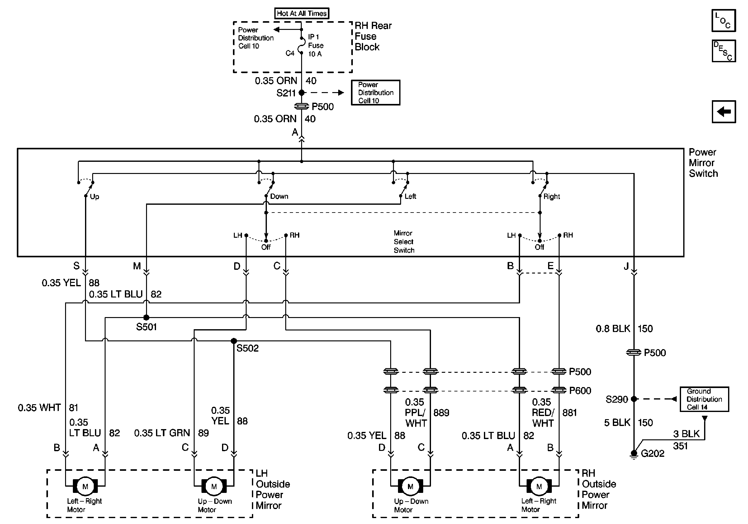
Figure 2:

Cell 147: RH Outside Power Mirror (1 of 2)


Object Number: 483334  Size: FS
Handling ESD Sensitive Parts Notice
Power Door Systems Components
Outside Mirrors Circuit Description
Cell 147: RH Outside Power Mirror (2 of 2)
Cell 147: LH Seat/ Lock Switch
Cell 14: G202 (3 of 3) (Oldsmobile)
Cell 14: G202 (3 of 3) (Oldsmobile)
Cell 147: LH Seat/ Lock Switch
Handling ESD Sensitive Parts Notice
Cell 14: G202 (1 of 3) (Oldsmobile)
Cell 147: RH Outside Power Mirror (2 of 2)
Cell 147: RH Outside Power Mirror (2 of 2)
Cell 147: RH Outside Power Mirror (2 of 2)
Cell 147: RH Outside Power Mirror (2 of 2)
Figure 3:

Cell 147: RH Outside Power Mirror (2 of 2)


Object Number: 483337  Size: FS
Cell 147: RH Outside Power Mirror (1 of 2)
Cell 147: RH Outside Power Mirror (1 of 2)
Cell 147: RH Outside Power Mirror (1 of 2)
Cell 147: RH Outside Power Mirror (1 of 2)
Cell 141: LH Seat Switch
Power Door Systems Connector End Views
Handling ESD Sensitive Parts Notice
Cell 141: LH Seat Switch
Power Door Systems Components
Outside Mirrors Circuit Description
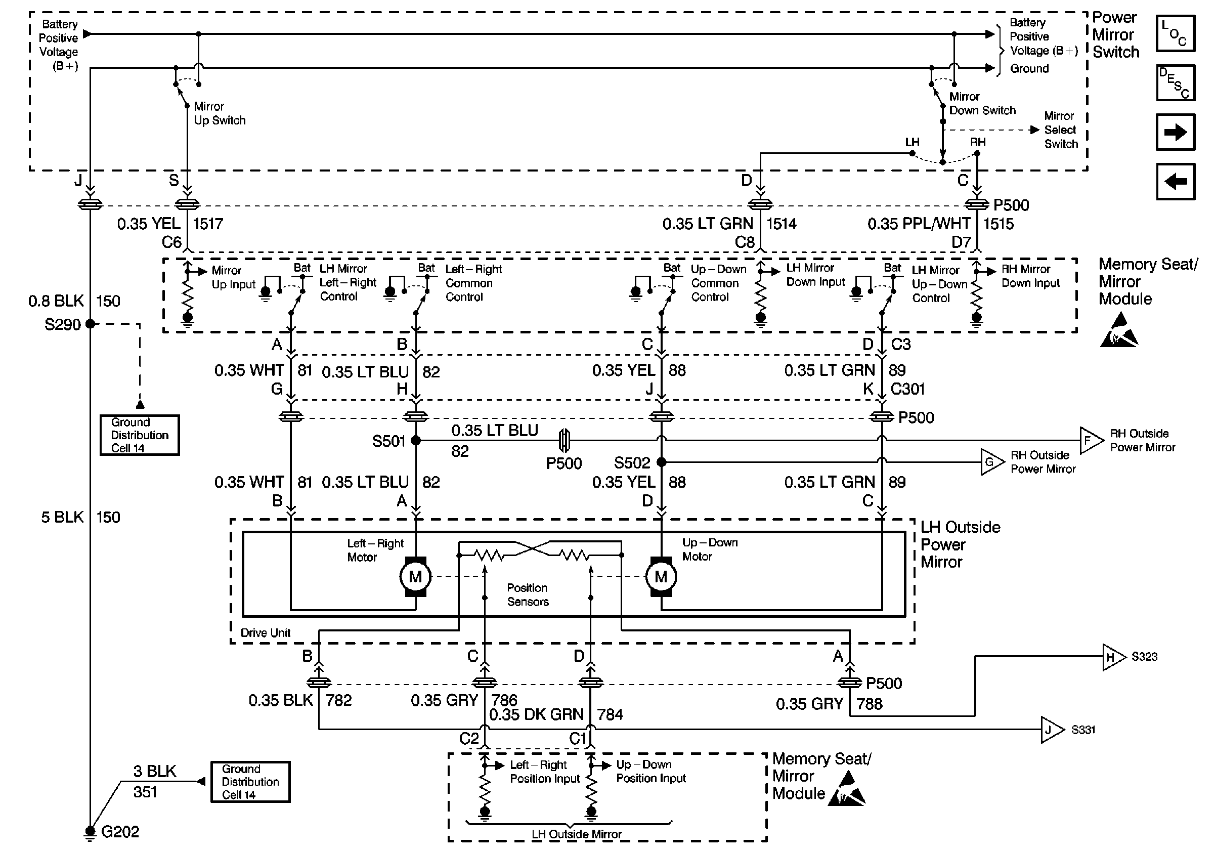
Cell 147: Buick with Memory Mirrors
Cell 147: RH Outside Power Mirror (1 of 2)
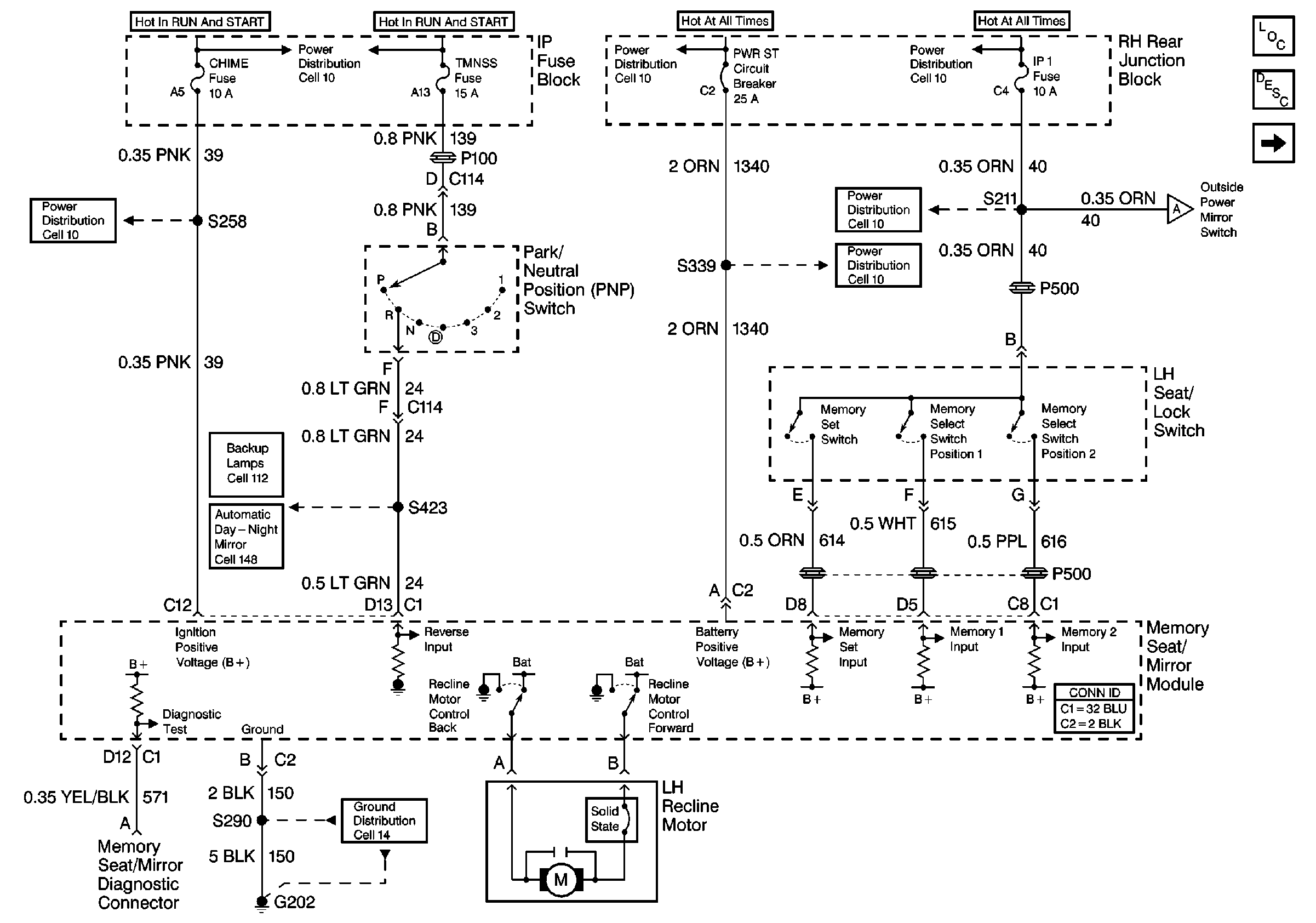
Figure 4:

Cell 147: Buick with Memory Mirrors


Object Number: 483339  Size: FS
Cell 10: IP 1 Fuse (Buick)
Cell 10: PWR ST Circuit Breaker
Cell 10: CHIME (IGN 1) Fuse (Buick)
Cell 10: CHIME (IGN 1) Fuse (Buick)
Power Door Systems Connector End Views
Cell 112
Cell 148
Power Door Systems Connector End Views
Cell 14: G202 (1 of 3) (Buick)
Handling ESD Sensitive Parts Notice
Cell 147: Power Mirror Switch (1 of 2)
Cell 147: RH Outside Power Mirror (2 of 2)
Power Door Systems Components
Outside Mirrors Circuit Description
Cell 10: PWR ST Circuit Breaker
Cell 10: IP 1 Fuse (Buick)
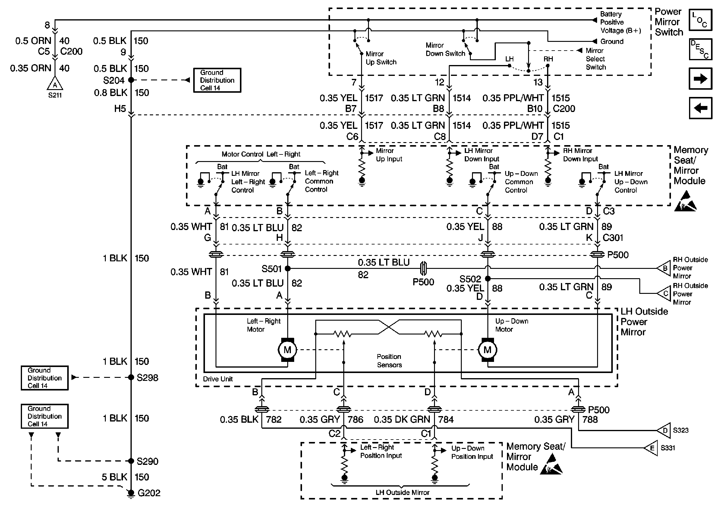
Figure 5:

Cell 147: Power Mirror Switch (1 of 2)


Object Number: 483340  Size: FS
Cell 14: G202 (1 of 3) (Buick)
Cell 14: G202 (1 of 3) (Buick)
Power Door Systems Components
Outside Mirrors Circuit Description
Cell 147: Power Mirror Switch (2 of 2)
Cell 147: Buick with Memory Mirrors
Cell 147: Power Mirror Switch (2 of 2)
Cell 147: Power Mirror Switch (2 of 2)
Cell 147: Power Mirror Switch (2 of 2)
Cell 147: Power Mirror Switch (2 of 2)
Handling ESD Sensitive Parts Notice
Handling ESD Sensitive Parts Notice
Figure 6:

Cell 147: Power Mirror Switch (2 of 2)


Object Number: 483341  Size: FS
Power Door Systems Components
Outside Mirrors Circuit Description
Cell 147: Buick without Memory Mirrors
Cell 147: Power Mirror Switch (1 of 2)
Handling ESD Sensitive Parts Notice
Handling ESD Sensitive Parts Notice
Power Door Systems Connector End Views
Cell 147: Power Mirror Switch (1 of 2)
Cell 147: Power Mirror Switch (1 of 2)
Cell 147: Power Mirror Switch (1 of 2)
Cell 147: Power Mirror Switch (1 of 2)
Cell 141: LH Seat Switch
Cell 141: LH Seat Switch
Figure 7:

Cell 147: Buick without Memory Mirrors


Object Number: 483343  Size: FS
Cell 10: IP 1 Fuse (Buick)
Cell 10: IP 1 Fuse (Buick)
Cell 14: G202 (1 of 3) (Buick)
Cell 147: Power Mirror Switch (2 of 2)
Power Door Systems Components
Outside Mirrors Circuit Description