GM Service Manual Online
For 1990-2009 cars only
Makes
🢒
Buick
🢒
1998
🢒
Riviera
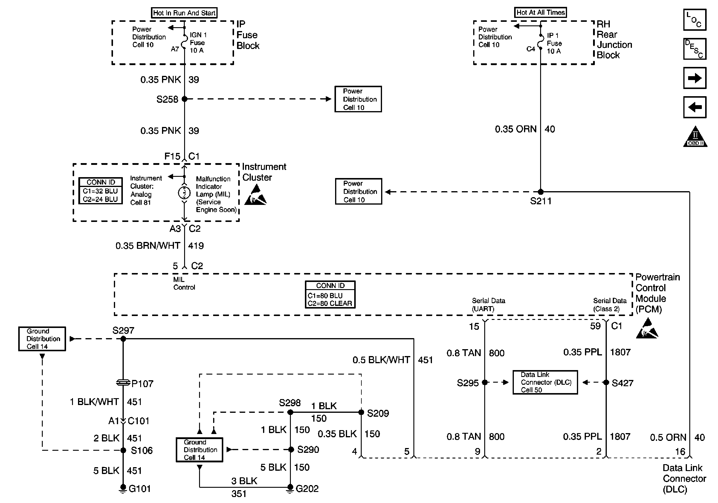
🢒 Cell 20: MIL Control, DLC
Cell 20: MIL Control, DLC
Cell 20: MIL Control, DLC
Engine Controls Components
Powertrain Control Module Description
Cell 20: Ignition Control Module
Cell 20: PCM Power and Grounds
OBDII Symbol Description Notice
Power Distribution Schematics
Power Distribution Schematics
Power Distribution Schematics
Handling ESD Sensitive Parts Notice
Engine Controls Schematic References
Powertrain Control Module Connector End Views
Handling ESD Sensitive Parts Notice
Power Distribution Schematics
Ground Distribution Schematics
Ground Distribution Schematics
Instrument Panel, Gages, and Console Connector End Views