GM Service Manual Online
For 1990-2009 cars only
Makes
🢒
Buick
🢒
1998
🢒
Riviera
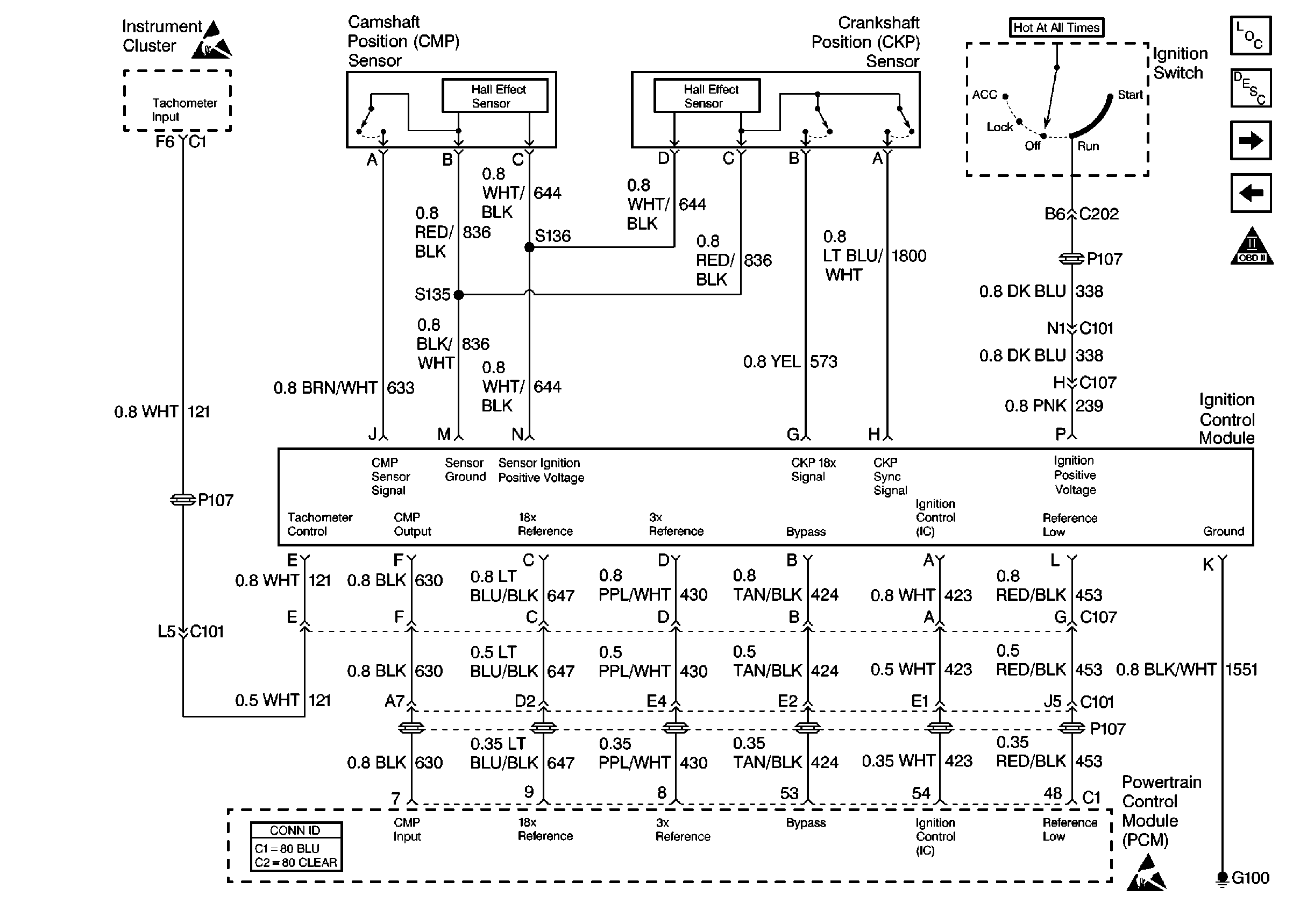
🢒 Cell 20: Ignition Control Module
Cell 20: Ignition Control Module
Cell 20: Ignition Control Module
Engine Controls Components
Powertrain Control Module Description
Cell 20: Fuel Control
Cell 20: MIL Control, DLC
OBDII Symbol Description Notice
Instrument Panel, Gages, and Console Connector End Views
Handling ESD Sensitive Parts Notice
Powertrain Control Module Connector End Views
Handling ESD Sensitive Parts Notice