GM Service Manual Online
For 1990-2009 cars only
Makes
🢒
Buick
🢒
1998
🢒
Riviera
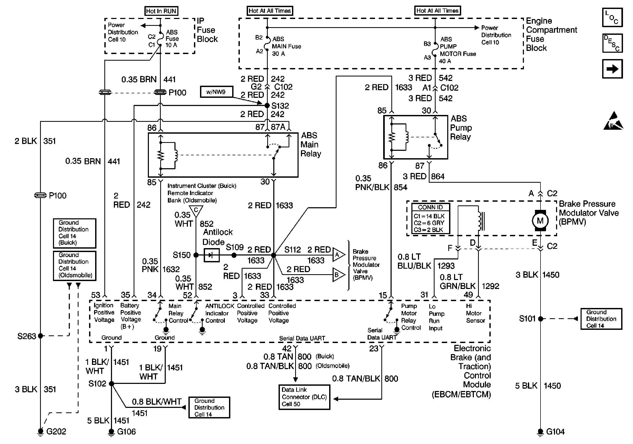
🢒 Cell 44: PWR, GND, ABS Relays
Cell 44: PWR, GND, ABS Relays
Cell 44: PWR, GND, ABS Relays
ABS Components
ABS/TCS System Description
Cell 44: ABS and Traction Control Indicators
Handling ESD Sensitive Parts Notice
Cell 14: G102, G104, G106, G110 and G301
Cell 10: IGN 1 Fuse, Ignition Switch
Cell 10: Battery Power
Cell 50: UART Serial Data Line
Cell 14: G202 (1 of 3) (Buick)
Cell 14: G202 (1 of 3) (Oldsmobile)
Cell 14: G102, G104, G106, G110 and G301
Cell 44: ABS and Traction Control Indicators
Cell 44: Stoplamp/BTSI Switch, Inlet/Outlet Solenoid Valves, and Wheel Speed Sensors
Cell 44: Stoplamp/BTSI Switch, Inlet/Outlet Solenoid Valves, and Wheel Speed Sensors