GM Service Manual Online
For 1990-2009 cars only
Makes
🢒
Buick
🢒
1998
🢒
Riviera
🢒 Cell 76: RH Rear Junction Block
Cell 76: RH Rear Junction Block
Cell 76: RH Rear Junction Block
Instrument Panel, Gages, and Console Component Views
Audible Warnings Circuit Description
Cell 76: IP Fuse Block
Handling ESD Sensitive Parts Notice
Body Control System Connector End Views
Powertrain Control Module Connector End Views
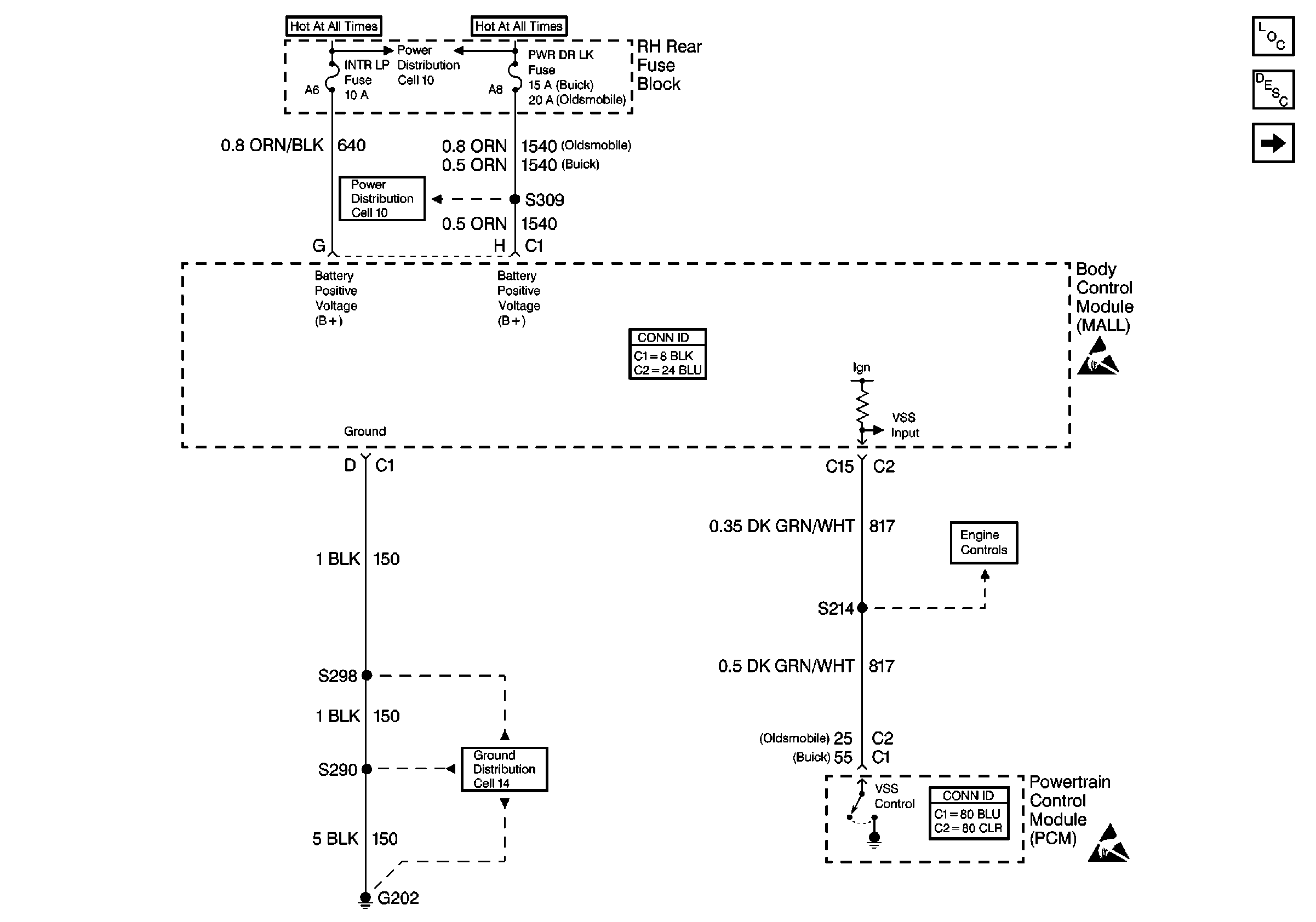
Power Distribution Schematics
Power Distribution Schematics
Ground Distribution Schematics
Engine Controls Schematics
Handling ESD Sensitive Parts Notice