GM Service Manual Online
For 1990-2009 cars only
Makes
🢒
Buick
🢒
1998
🢒
Riviera
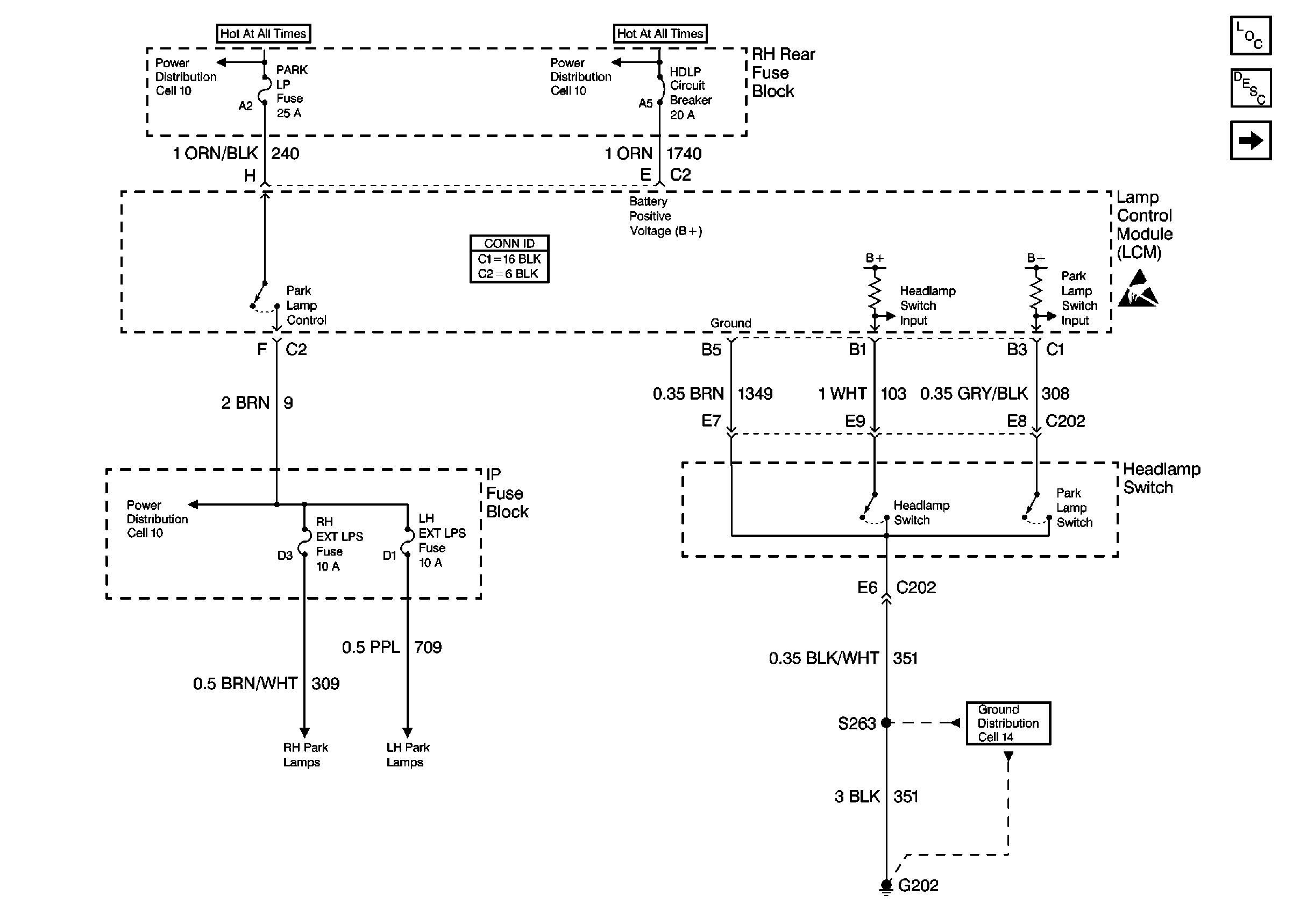
🢒 Cell 110: Headlamp Switch and Park Lamp Control
Cell 110: Headlamp Switch and Park Lamp Control
Cell 110: Headlamp Switch and Park Lamp Control
Lighting Systems Components
Exterior Lights Circuit Description
Cell 110: Turn/Hazard Switch and Stoplamp/BTSI Switch
Handling ESD Sensitive Parts Notice
Ground Distribution Schematics
Cell 110: LH Lamps
Cell 110: RH Lamps
Power Distribution Schematics
Power Distribution Schematics
Power Distribution Schematics
Lighting Systems Connector End Views