GM Service Manual Online
For 1990-2009 cars only
Makes
🢒
Buick
🢒
1998
🢒
Riviera
🢒 Cell 10: IGN 3 Fuse, Ignition Switch (Oldsmobile)
Cell 10: IGN 3 Fuse, Ignition Switch (Oldsmobile)
Cell 10: IGN 3 Fuse, Ignition Switch (Oldsmobile)
Power and Grounding Component Views
Cell 10: ABS PUMP MOTOR Fuse, ABS MAIN Fuse, and COOLING FAN Fuse
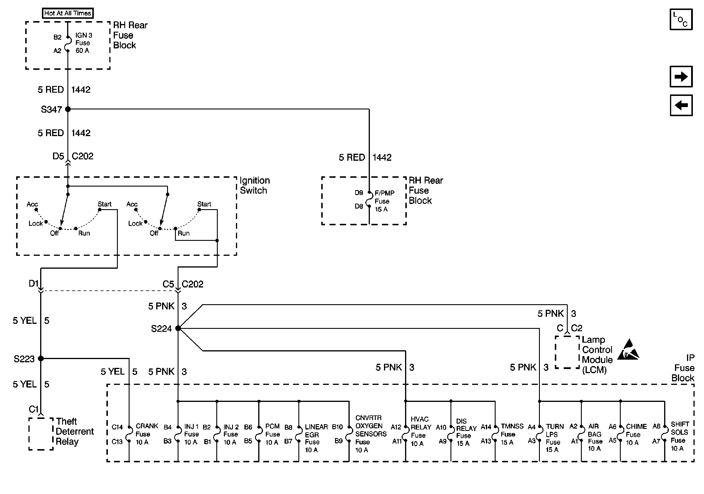
Cell 10: IGN 3 Fuse, Ignition Switch (Buick)
Cell 10: RH Rear Junction Block
Cell 10: RH Rear Junction Block
Cell 10: RH Rear Junction Block
Cell 10: RH Rear Junction Block
Cell 10: Battery