GM Service Manual Online
For 1990-2009 cars only
Makes
🢒
Buick
🢒
1998
🢒
Riviera
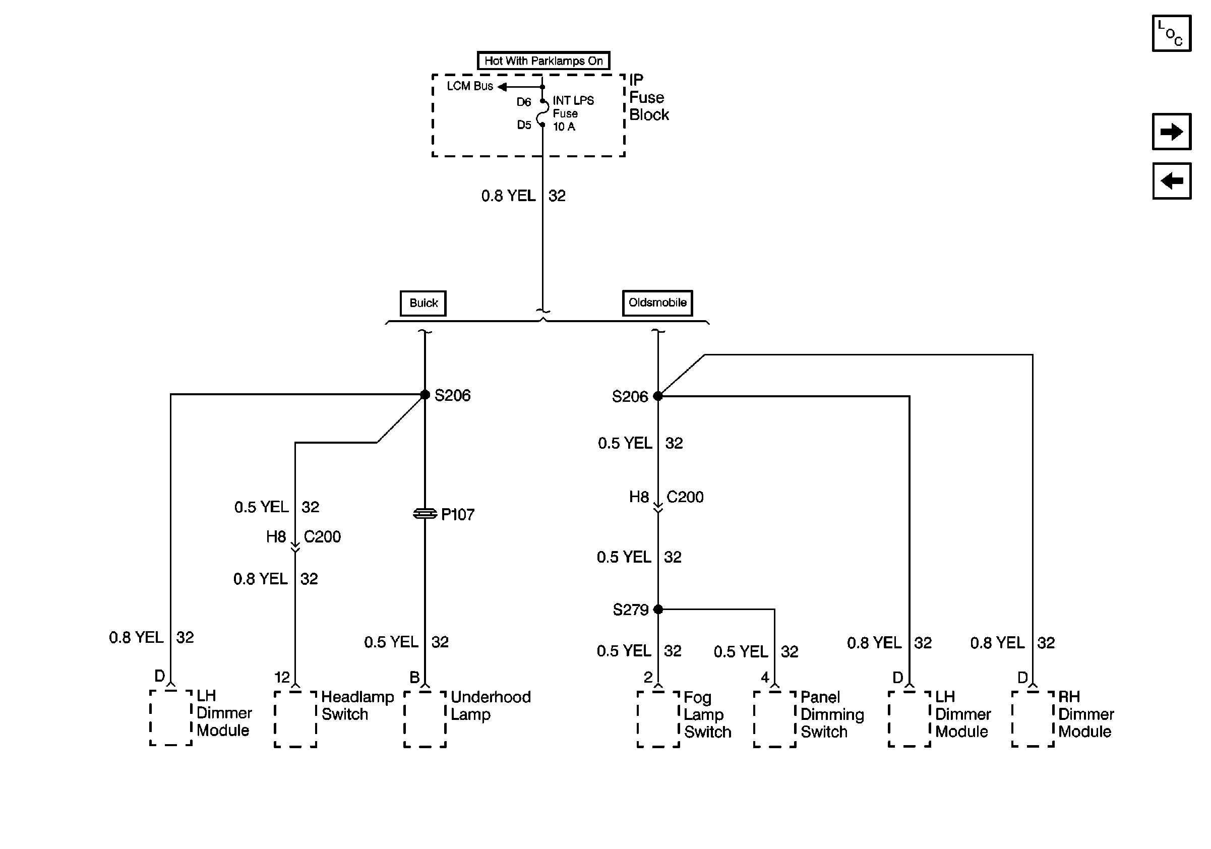
🢒 Cell 10: INT LPS Fuse
Cell 10: INT LPS Fuse
Cell 10: INT LPS Fuse
Power and Grounding Component Views
Cell 10: HVAC RELAY Fuse and CLNG FAN Fuse (Buick)
Cell 10: PCM Fuse, DIS Fuse, and FOG LAMPS Fuse (Oldsmobile)
Cell 10: Battery