GM Service Manual Online
For 1990-2009 cars only
Makes
🢒
Buick
🢒
1998
🢒
Riviera
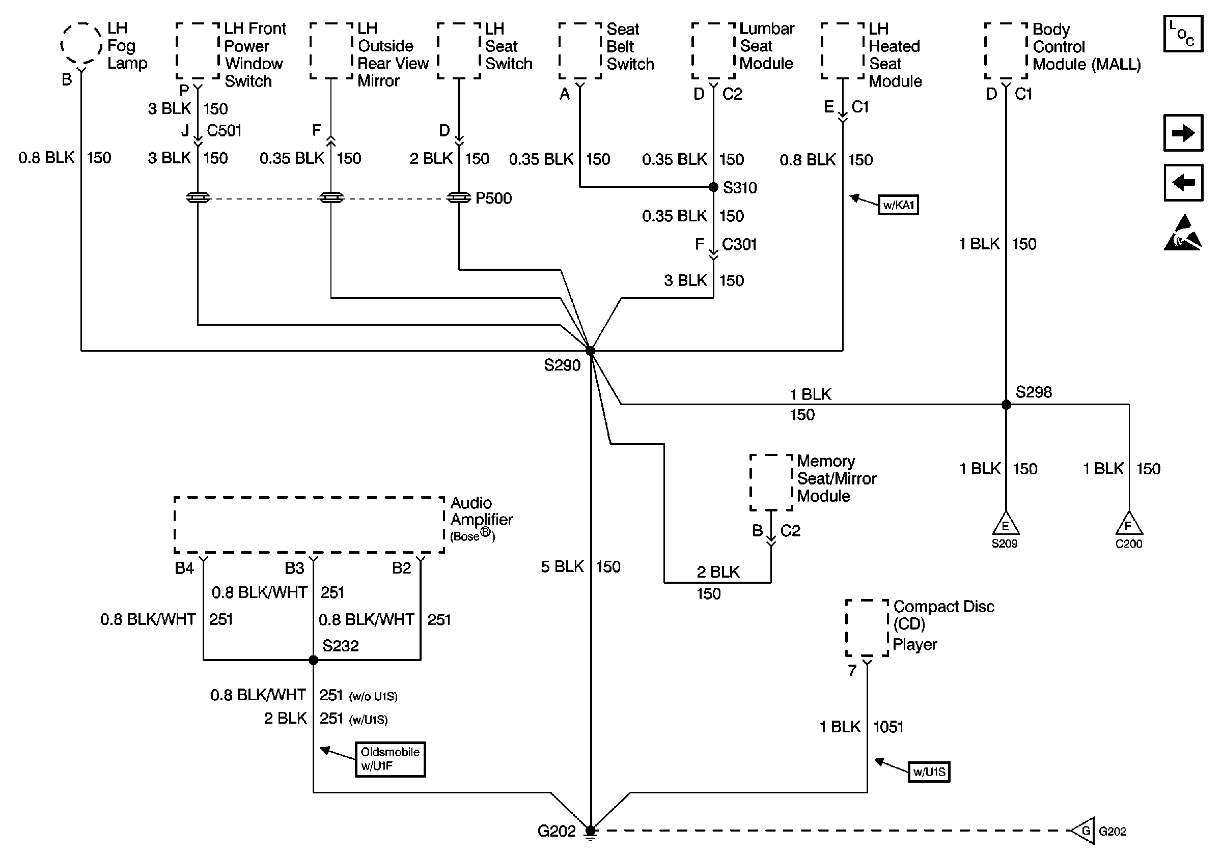
🢒 Cell 14: G202 (Oldsmobile 1 of 3)
Cell 14: G202 (Oldsmobile 1 of 3)
Cell 14: G202 (Oldsmobile 1 of 3)
Power and Grounding Components
Cell 14: G202 (Oldsmobile 2 of 3)
Cell 14: G202 (Buick 2 of 3)
Cell 14: G202 (Oldsmobile 2 of 3)
Cell 14: G202 (Oldsmobile 3 of 3)
Cell 14: G202 (Oldsmobile 2 of 3)
Handling ESD Sensitive Parts Notice