GM Service Manual Online
For 1990-2009 cars only
Makes
🢒
Buick
🢒
1998
🢒
Riviera
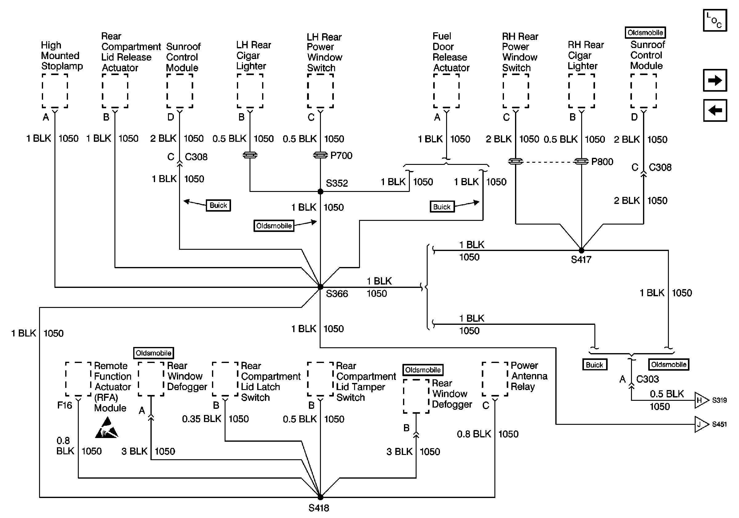
🢒 Cell 14: G302 (1 of 2)
Cell 14: G302 (1 of 2)
Cell 14: G302 (1 of 2)
Power and Grounding Components
Cell 14: G306 and G302 (2 of 2)
Cell 14: G202 (Oldsmobile 3 of 3)
Cell 14: G306 and G302 (2 of 2)
Cell 14: G306 and G302 (2 of 2)
Handling ESD Sensitive Parts Notice