GM Service Manual Online
For 1990-2009 cars only
Makes
🢒
Buick
🢒
1998
🢒
Riviera
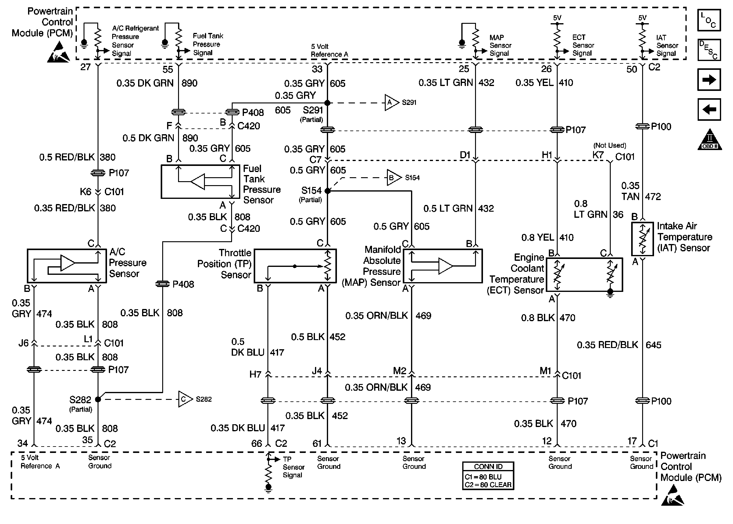
🢒 Cell 20: Sensors
Cell 20: Sensors
Cell 20: Sensors
Engine Controls Components
Powertrain Control Module Description
Cell 20: Heated Oxygen Sensors
Cell 20: Fuel Injectors
OBD II Symbol Description Notice
Handling ESD Sensitive Parts Notice
Cell 20: Heated Oxygen Sensors
Cell 20: Heated Oxygen Sensors
Powertrain Control Module Connector End Views
Handling ESD Sensitive Parts Notice
Cell 20: Heated Oxygen Sensors