GM Service Manual Online
For 1990-2009 cars only
Makes
🢒
Buick
🢒
1998
🢒
Riviera
🢒 Cell 20: Heated Oxygen Sensors
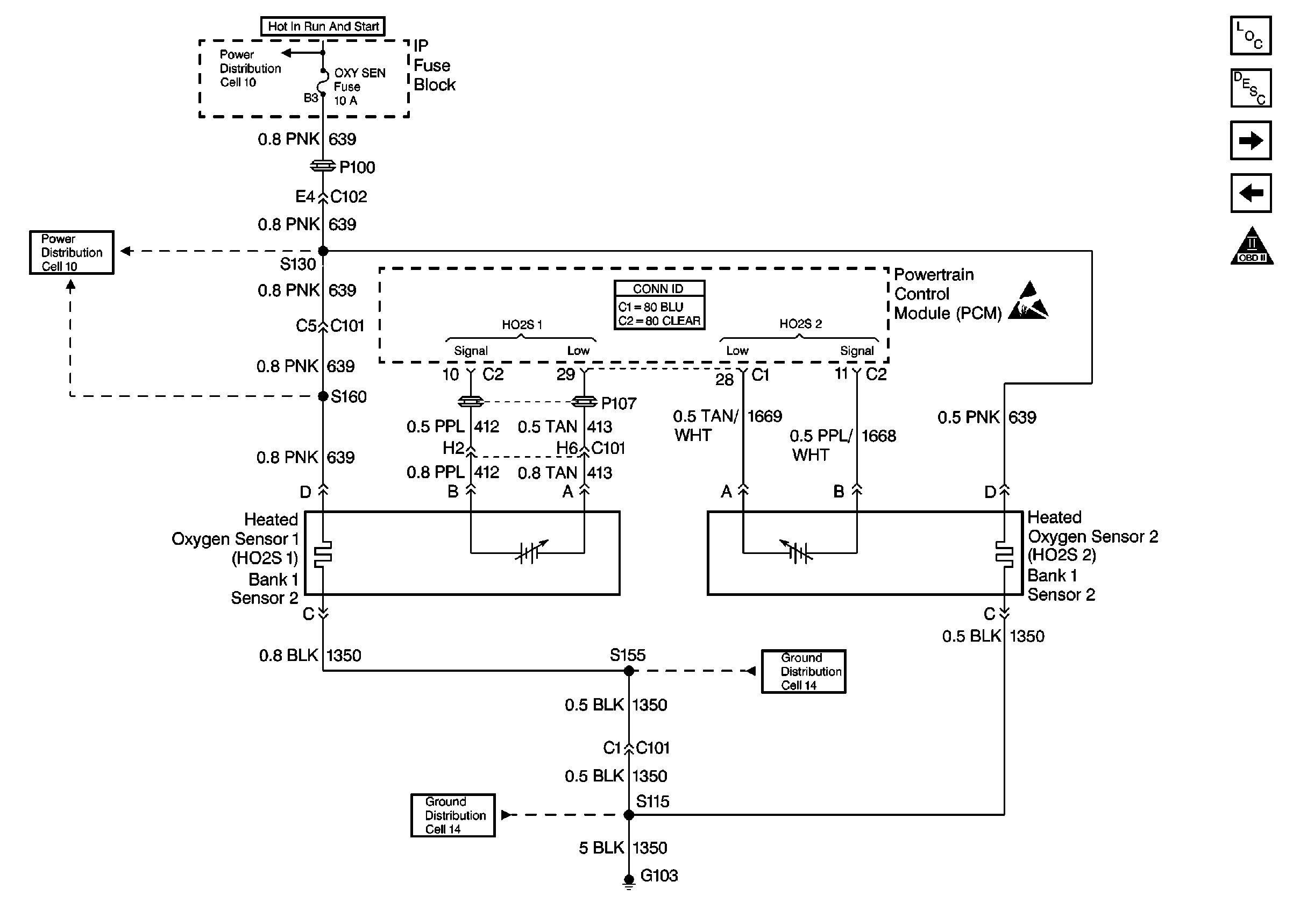
Cell 20: Heated Oxygen Sensors
Cell 20: Heated Oxygen Sensors
Engine Controls Components
Powertrain Control Module Description
Cell 20: MAF, IAC, Knock Sensors
Cell 20: Sensors
OBD II Symbol Description Notice
Cell 10: OXYGEN SENSORS Fuse (Buick)
Cell 10: OXYGEN SENSORS Fuse (Buick)
Powertrain Control Module Connector End Views
Handling ESD Sensitive Parts Notice
Cell 14: G103 (2 of 2)
Cell 14: G103 (2 of 2)