GM Service Manual Online
For 1990-2009 cars only
Makes
🢒
Buick
🢒
1998
🢒
Riviera
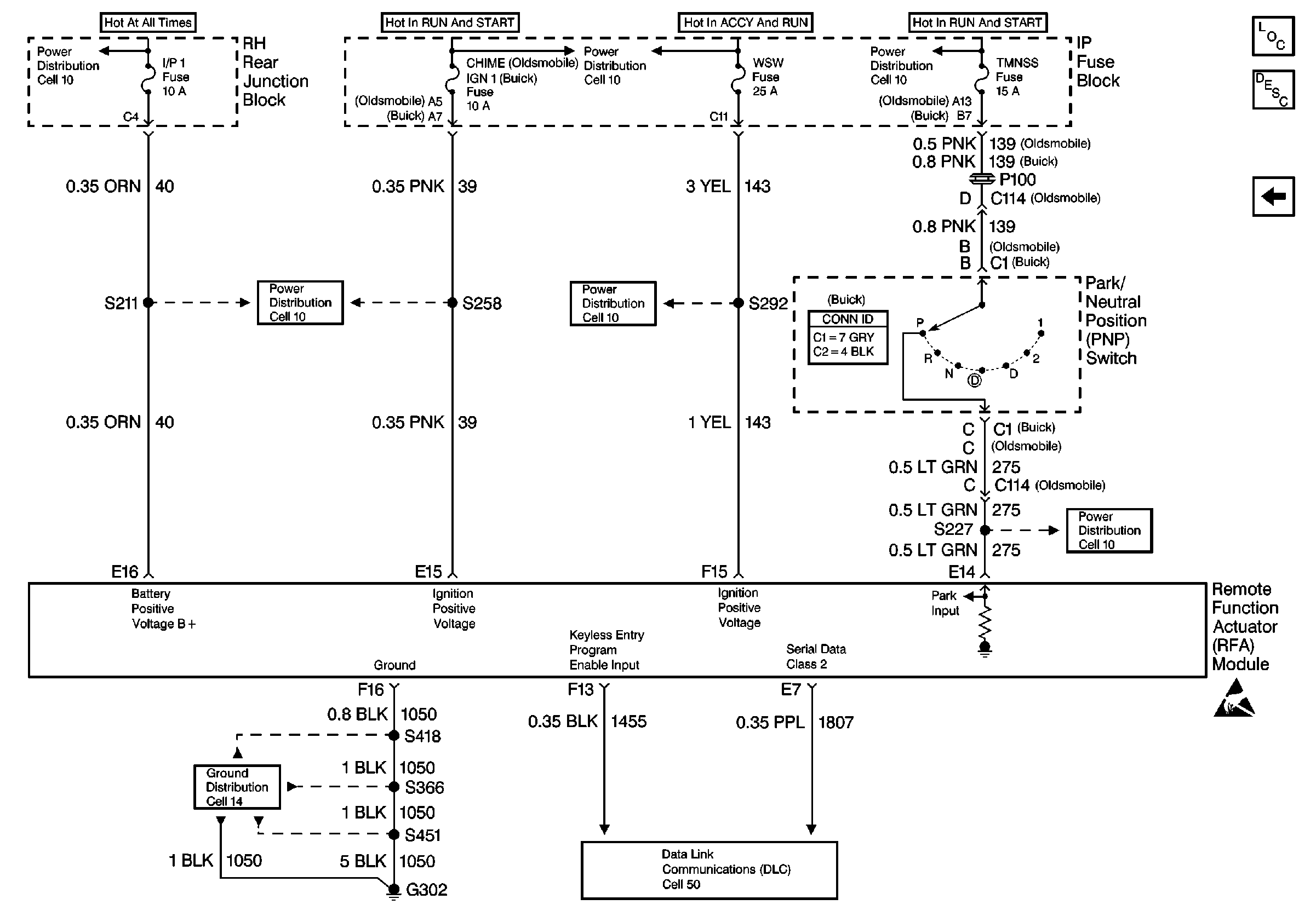
🢒 Cell 132: RFA Module Power, Ground and DLC
Cell 132: RFA Module Power, Ground and DLC
Cell 132: RFA Module Power, Ground and DLC
Keyless Entry Components
Keyless Entry System Circuit Description
Cell 132: RFA Module Inputs and Outputs
Power Distribution Schematics
Power Distribution Schematics
Power Distribution Schematics
Power Distribution Schematics
Power Distribution Schematics
Power Distribution Schematics
Data Link Connector Schematics
Ground Distribution Schematics
Handling ESD Sensitive Parts Notice