GM Service Manual Online
For 1990-2009 cars only

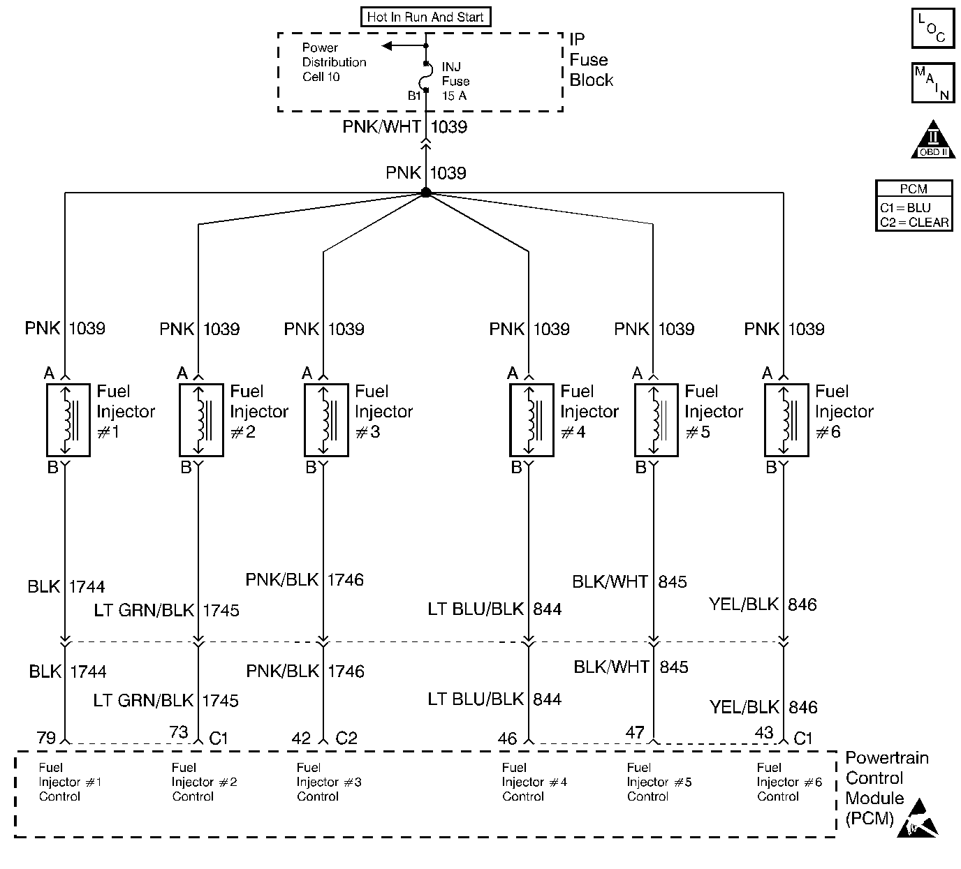
Object Number: 210784  Size: LF
Engine Controls Components
Cell 20: Fuel Injectors
OBD II Symbol Description Notice
Handling ESD Sensitive Parts Notice

Circuit Description

The PCM controls the fuel injectors by using an ignition feed and ground circuit within the PCM. The driver has the ability to detect an electrical malfunction in the ignition feed or ground driver circuit. If an electrical malfunction occurs in the fuel injector circuit for engine cylinder #5, the ignition feed driver signals the PCM to set DTC P0205.

Conditions for Running the DTC

The engine is running.

Conditions for Setting the DTC

    • The PCM detects an electrical malfunction on the injector circuit for engine cylinder #5.
    • The condition is present for at least 30 seconds.

Action Taken When the DTC Sets

    • The PCM will illuminate the MIL during the second consecutive trip in which the diagnostic test has been run and failed.
    • If the electrical malfunction could lead to possible catalyst damage, the PCM will immediately flash the MIL while the fault remains at catalyst damage levels.
    • The PCM will disable TCC operation.
    • The PCM will store conditions which were present when the DTC set as Freeze Frame and Fail Records data.

Conditions for Clearing the MIL/DTC

    • The PCM will turn the MIL OFF during the third consecutive trip in which the diagnostic has been run and passed.
    • The history DTC will clear after 40 consecutive warm-up cycles have occurred without a malfunction.
    • The DTC can be cleared by using the scan tool Clear Info function or by disconnecting the PCM battery feed.

Diagnostic Aids

Check for the following conditions:

    • Poor connection at the PCM or fuel injector.
        Inspect harness connectors for backed out terminals, improper mating, broken locks, improperly formed or damaged terminals, and poor terminal to wore connection.
    • Damaged harness.
        Inspect the wiring harness for damage.

Reviewing the Fail Records vehicle mileage since the diagnostic test last failed may help determine how often the condition that caused the DTC to be set occurs. This may assist in diagnosing the condition.

Test Description

Number(s) below refer to the step number(s) on the Diagnostic Table.

  1. Checks for malfunctioning fuel injector control circuit or ignition feed wiring.

  2. Checks for a malfunction in the fuel injector ignition feed circuit.

  3. Checks for a short to ground in the injector control circuit.

  4. Checks for an open in the fuel injector control circuit.

  5. This vehicle is equipped with a PCM which utilizes an Electrically Erasable Programmable Read Only Memory (EEPROM). When the PCM is being replaced, the new PCM must be programmed.

DTC P0205 - Cylinder #5 Fuel Injector Control Circuit

Step

Action

Value(s)

Yes

No

1

Was the Powertrain On-Board Diagnostic (OBD) System Check performed?

--

Go to Step 2

Go to the Powertrain On Board Diagnostic (OBD) System Check

2

With the engine idling, monitor Specific DTC info for DTC P0205 on the scan tool.

Does the scan tool indicate DTC P0205 failed this ign?

--

Go to Step 4

Go to Step 3

3

  1. Turn ON the ignition switch.
  2. Review and record scan tool Fail Records data.
  3. Operate the vehicle within Fail Records conditions.
  4. Monitor Specific DTC info for DTC P0205 on the scan tool.

Does the scan tool indicate DTC P0205 failed this ign?

--

Go to Step 4

Go to Diagnostic Aids

4

  1. Turn OFF the ignition switch.
  2. Disconnect the PCM.
  3. Turn ON the ignition switch.
  4. Using a J 39200 Digital Multimeter, measure the voltage between the cylinder #5 fuel injector control circuit at the PCM connector and ground.

Does the cylinder #5 fuel injector control circuit measure near the specified value?

B+

Go to Step 5

Go to Step 9

5

Check the fuel injectors. Refer to Fuel Injector Solenoid Coil Test - Engine Coolant Temperature Between 10-35 Degrees C (50-95 Degrees F) or Fuel Injector Solenoid Coil Test - Engine Coolant Temperature Outside 10-35 Degrees C (50-95 Degrees F) .

Are the fuel injectors OK?

--

Go to Step 6

Go to Step 17

6

  1. Turn OFF the ignition switch.
  2. Disconnect the cylinder #5 fuel injector.
  3. Turn ON the ignition switch.
  4. Measure the voltage between the cylinder #5 fuel injector control circuit at the PCM connector and ground.

Does the cylinder #5 fuel injector control circuit measure near the specified value?

0V

Go to Step 7

Go to Step 16

7

  1. Check for the following conditions:
  2. • The ignition feed circuit in the wire harness between the fuse and the cylinder #5 fuel injector for an intermittent open.
    • The cylinder #5 fuel injector control circuit between the PCM and the injector for an intermittent open or short to ground.
  3. If a problem is found, repair as necessary. Refer to Wiring Repairs in Wiring Systems.

Was a problem found?

--

Go to Step 19

Go to Step 8

8

  1. Check for poor terminal connections at the cylinder #5 fuel injector connector.
  2. Check the cylinder #5 fuel injector control circuit for poor terminal connections at the PCM connector.
  3. If a problem is found, repair as necessary. Refer to Repairing Connector Terminals in Wiring Systems.

Was a problem found?

--

Go to Step 19

Go to Step 18

9

  1. Turn OFF the ignition switch.
  2. Disconnect the cylinder #5 fuel injector connector.
  3. Turn ON the ignition switch.
  4. Measure voltage between ignition feed circuit at the cylinder #5 fuel injector connector and ground.

Does the ignition feed circuit measure near the specified value?

B+

Go to Step 10

Go to Step 14

10

Probe the cylinder #5 fuel injector control circuit at the cylinder #5 fuel injector harness connector with a test light to B+.

Is the test light ON?

--

Go to Step 15

Go to Step 11

11

  1. Turn OFF the ignition switch.
  2. Install a fused jumper between the cylinder #5 fuel injector control circuit and the ignition feed circuit at the cylinder #5 fuel injector harness connector.
  3. Turn ON the ignition switch.
  4. Probe the cylinder #5 fuel injector control circuit at the PCM connector with a test light to ground.

Is the test light ON?

--

Go to Step 12

Go to Step 13

12

  1. Check for a poor terminal connections at the cylinder #5 fuel injector connector.
  2. If a problem is found, repair as necessary. Refer to Repairing Connector Terminals in Wiring Systems.

Was a problem found?

--

Go to Step 19

Go to Step 17

13

Locate and repair open in the cylinder #5 fuel injector control circuit. Refer to Wiring Repairs in Wiring Systems.

Is action complete?

--

Go to Step 19

--

14

Locate and repair open or short to ground in the cylinder #5 fuel injector ignition feed circuit. Refer to Wiring Repairs in Wiring Systems.

Is action complete?

--

Go to Step 19

--

15

Locate and repair short to ground in the cylinder #5 fuel injector control circuit. Refer to Wiring Repairs in Wiring Systems.

Is action complete?

--

Go to Step 19

--

16

Locate and repair short to voltage in the cylinder #5 fuel injector control circuit. Refer to Wiring Repairs in Wiring Systems.

Is action complete?

0V

Go to Step 19

--

17

Replace malfunctioning fuel injector(s). Refer to Fuel Injector Replacement .

Is action complete?

--

Go to Step 19

--

18

Replace the PCM.

Important:: The replacement PCM must be programmed. Refer to Powertrain Control Module Replacement/Programming .

Is action complete?

--

Go to Step 19

--

19

  1. Review and record scan tool Fail Records data.
  2. Clear DTCs.
  3. Operate the vehicle within Fail Records conditions.
  4. Monitor Specific DTC info for DTC P0205 on the scan tool.

Does the scan tool indicate DTC P0205 failed this ign?

--

Go to Step 2

System OK