GM Service Manual Online
For 1990-2009 cars only
Makes
🢒
Buick
🢒
1999
🢒
Riviera
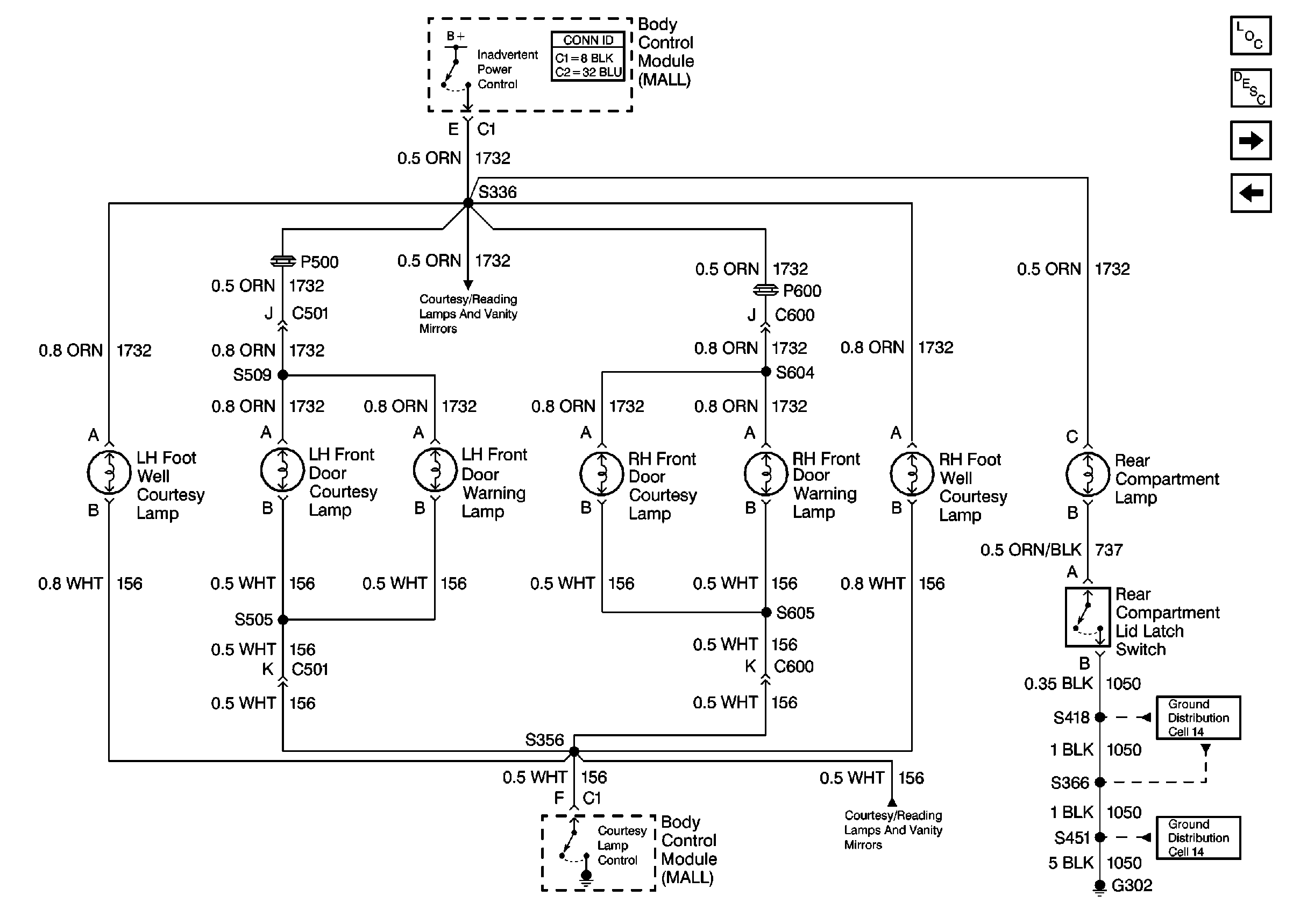
🢒 Cell 114: Rear Compartment, Door and Foot Well Courtesy Lamps
Cell 114: Rear Compartment, Door and Foot Well Courtesy Lamps
Cell 114: Rear Compartment, Door and Foot Well Courtesy Lamps
Lighting Systems Components
Interior Lights Circuit Description
Cell 114: Courtesy/Reading Lamps and Vanity Mirrors
Cell 114: PWR, GND, and Inputs
Cell 114: Courtesy/Reading Lamps and Vanity Mirrors
Cell 114: Courtesy/Reading Lamps and Vanity Mirrors
Ground Distribution Schematics
Ground Distribution Schematics
Body Control System Connector End Views