GM Service Manual Online
For 1990-2009 cars only
Makes
🢒
Buick
🢒
1999
🢒
Riviera
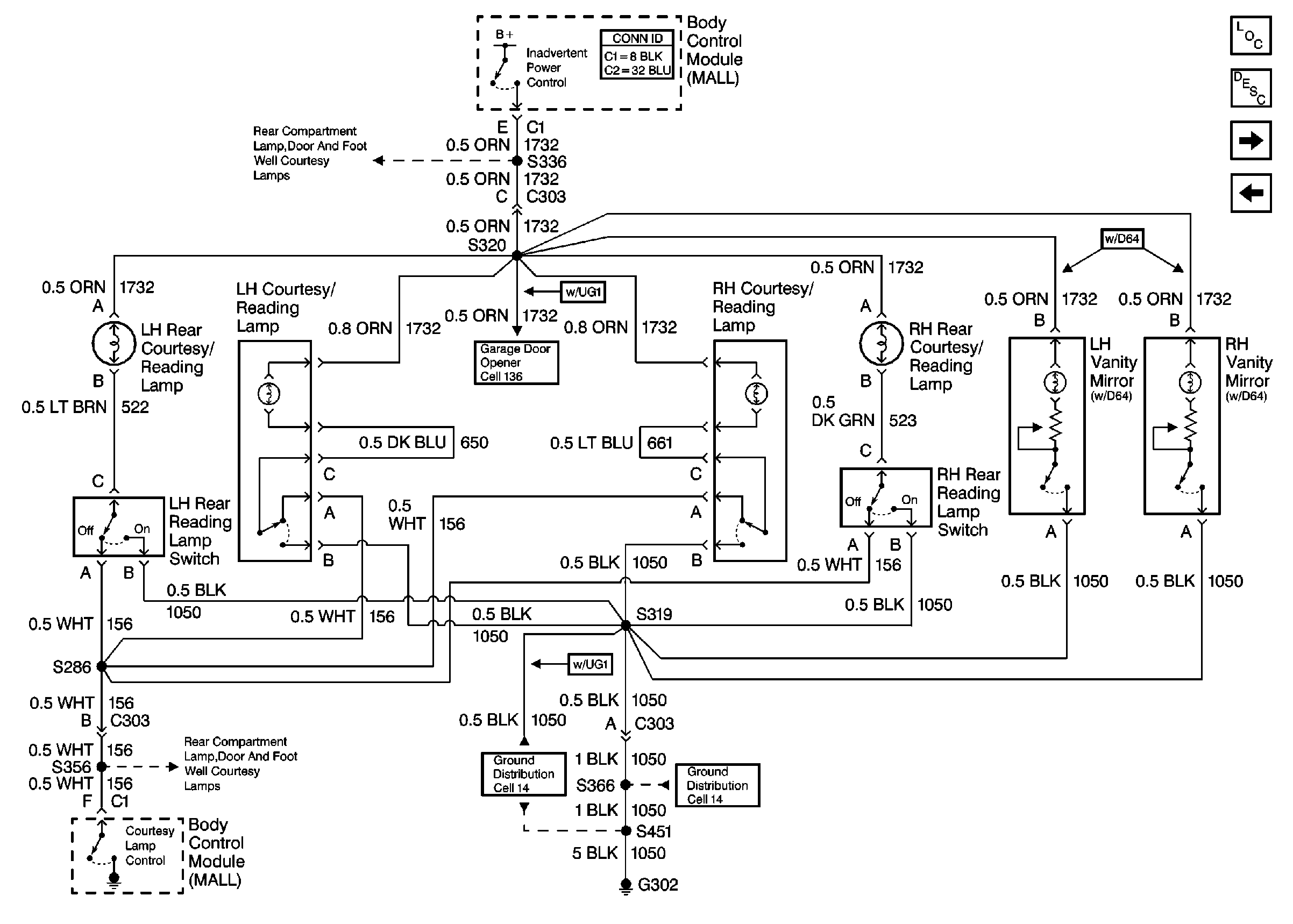
🢒 Cell 114: Courtesy/Reading Lamps and Vanity Mirrors
Cell 114: Courtesy/Reading Lamps and Vanity Mirrors
Cell 114: Courtesy/Reading Lamps and Vanity Mirrors
Lighting Systems Components
Interior Lights Circuit Description
Cell 114: IP Compartment and Underhood Lamps
Cell 114: Rear Compartment, Door and Foot Well Courtesy Lamps
Ground Distribution Schematics
Ground Distribution Schematics
Cell 114: Rear Compartment, Door and Foot Well Courtesy Lamps
Cell 114: Rear Compartment, Door and Foot Well Courtesy Lamps
Cell 136
Body Control System Connector End Views