GM Service Manual Online
For 1990-2009 cars only
Makes
🢒
Buick
🢒
1999
🢒
Riviera
🢒 Cell 10: HVAC CONT Fuse (Oldsmobile)
Cell 10: HVAC CONT Fuse (Oldsmobile)
Cell 10: HVAC CONT Fuse (Oldsmobile)
Power and Grounding Component Views
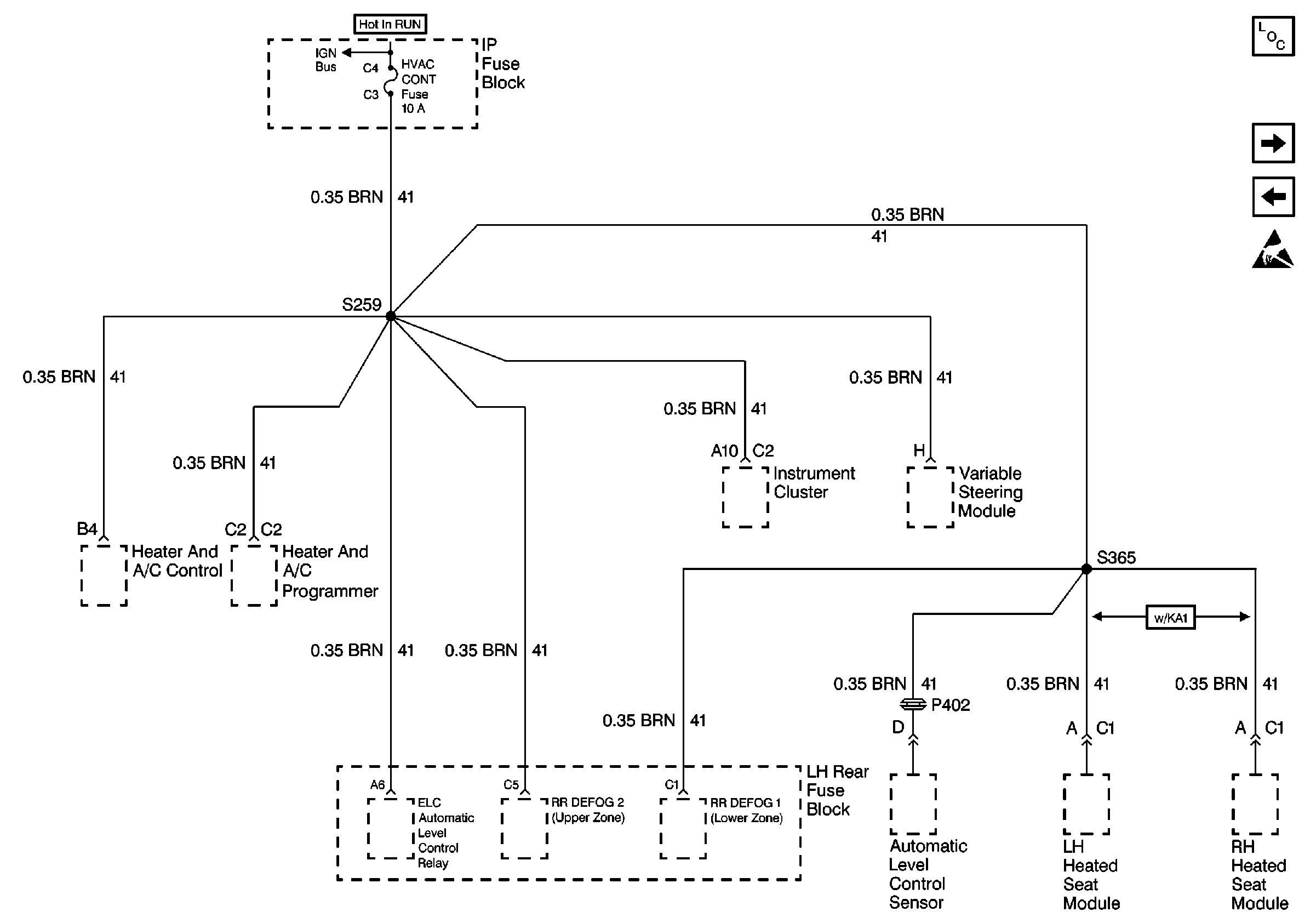
Cell 10: HVAC CONT Fuse (1 of 2) (Buick)
Cell 10: RH EXT LPS Fuse
Cell 10: Battery
Cell 11: Automatic Level Control Sensor