GM Service Manual Online
For 1990-2009 cars only

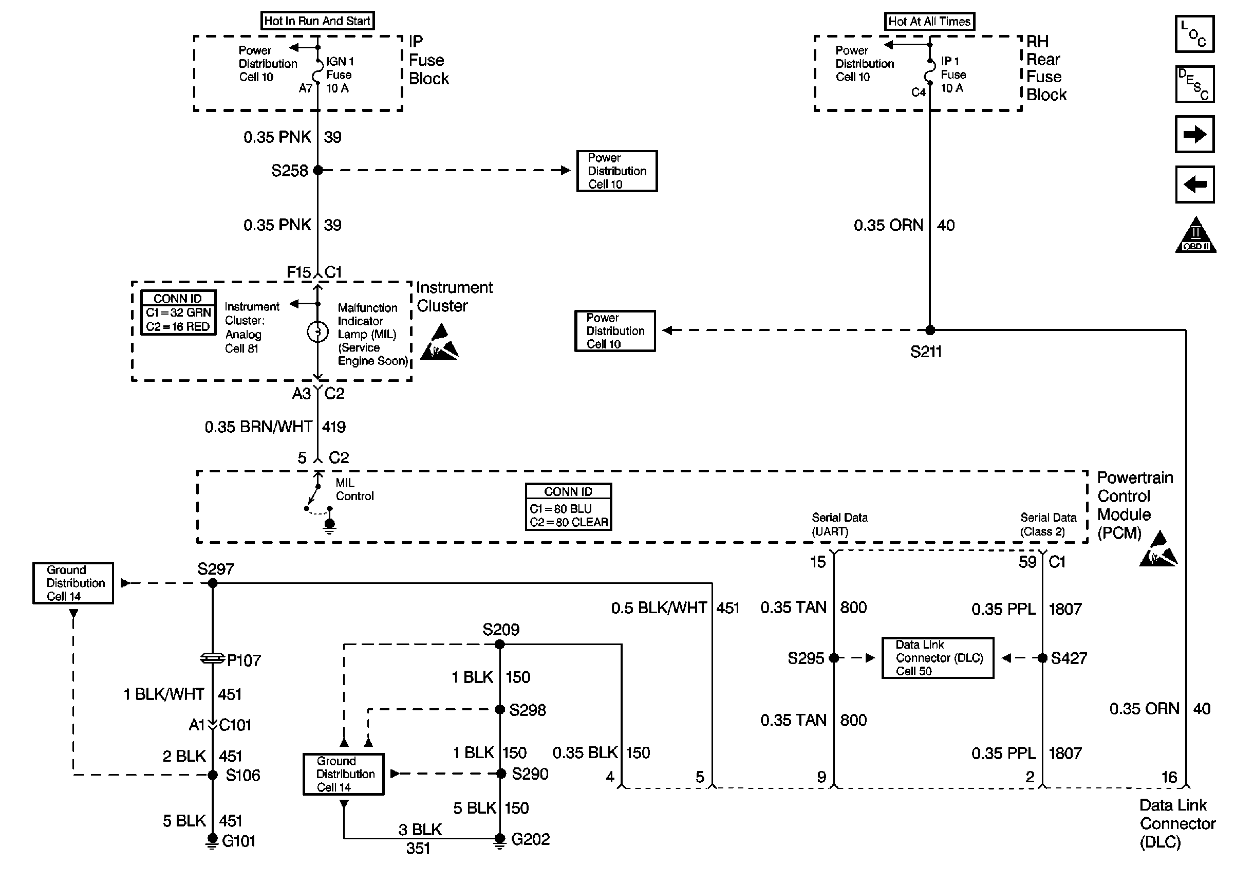
Cell 20: MIL Control, DLC

Cell 20: MIL Control, DLC


Object Number: 380976  Size: FS
Engine Controls Components
Powertrain Control Module Description
Cell 20: Ignition Control Module
Cell 20: PCM Power and Grounds
OBD II Symbol Description Notice
Cell 10: Battery
Cell 10: HTD ST/IP Fuse and EXT LP Fuse
Cell 10: CHIME(IGN 1) Fuse (Buick)
Handling ESD Sensitive Parts Notice
Cell 10: IP 1 Fuse (Buick)
Powertrain Control Module Connector End Views
Handling ESD Sensitive Parts Notice
Data Link Connector Schematics
Ground Distribution Schematics
Cell 14: G100 and G101 (Buick)