GM Service Manual Online
For 1990-2009 cars only
Makes
🢒
Buick
🢒
1999
🢒
Riviera
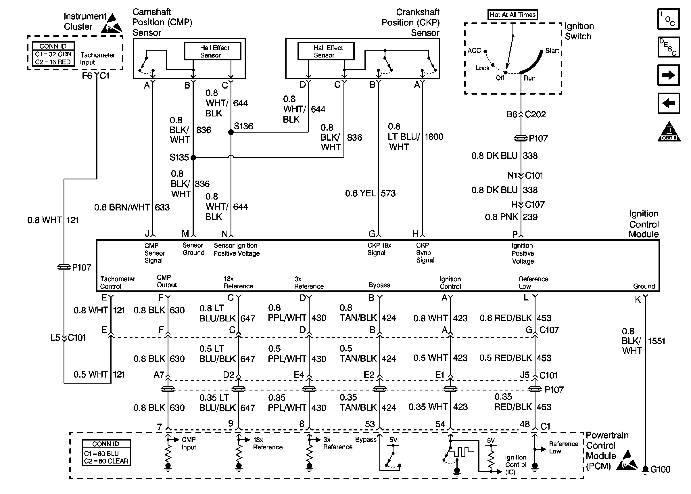
🢒 Cell 20: Ignition Control Module
Cell 20: Ignition Control Module
Cell 20: Ignition Control Module
Engine Controls Components
Powertrain Control Module Description
Cell 20: Fuel Control
Cell 20: MIL Control, DLC
OBD II Symbol Description Notice
Handling ESD Sensitive Parts Notice
Powertrain Control Module Connector End Views
Handling ESD Sensitive Parts Notice