GM Service Manual Online
For 1990-2009 cars only
Makes
🢒
Buick
🢒
1999
🢒
Riviera
🢒 Cell 20: Transaxle - Sensors and TR Switch
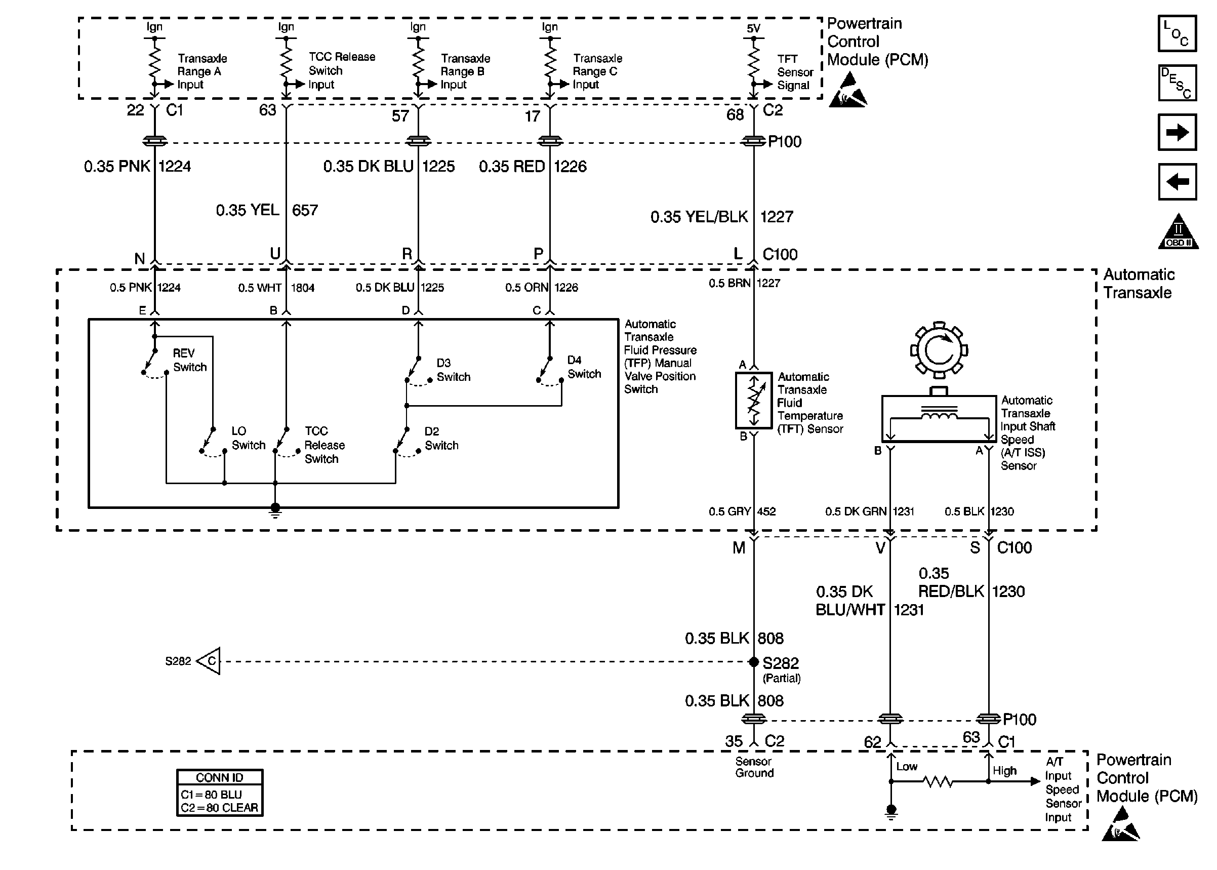
Cell 20: Transaxle - Sensors and TR Switch
Cell 20: Transaxle -- Sensors and TR Switch
Engine Controls Components
Powertrain Control Module Description
Cell 20: Park/Neutral Position (PNP) Switch
Cell 20: TCC Switch, Transaxle Solenoids
OBD II Symbol Description Notice
Handling ESD Sensitive Parts Notice
Cell 20: TCC Switch, Transaxle Solenoids
Powertrain Control Module Connector End Views
Handling ESD Sensitive Parts Notice