GM Service Manual Online
For 1990-2009 cars only

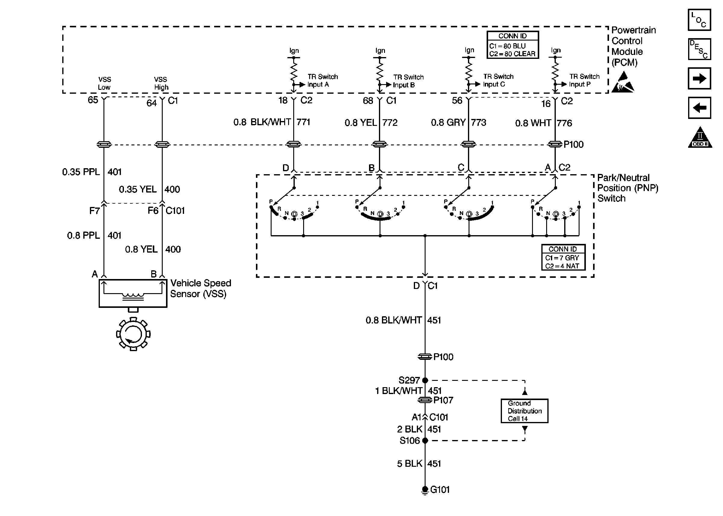
Cell 20: Park/Neutral Position (PNP) Switch

Cell 20: Park/Neutral Position (PNP) Switch


Object Number: 381071  Size: FS
Engine Controls Components
Powertrain Control Module Description
Cell 20: A/C Compressor Control
Cell 20: Transaxle - Sensors and TR Switch
OBD II Symbol Description Notice
Powertrain Control Module Connector End Views
Handling ESD Sensitive Parts Notice
Cell 14: G100 and G101 (Buick)