GM Service Manual Online
For 1990-2009 cars only
Makes
🢒
Cadillac
🢒
2003
🢒
CTS
🢒
Engine
🢒
Engine Electrical
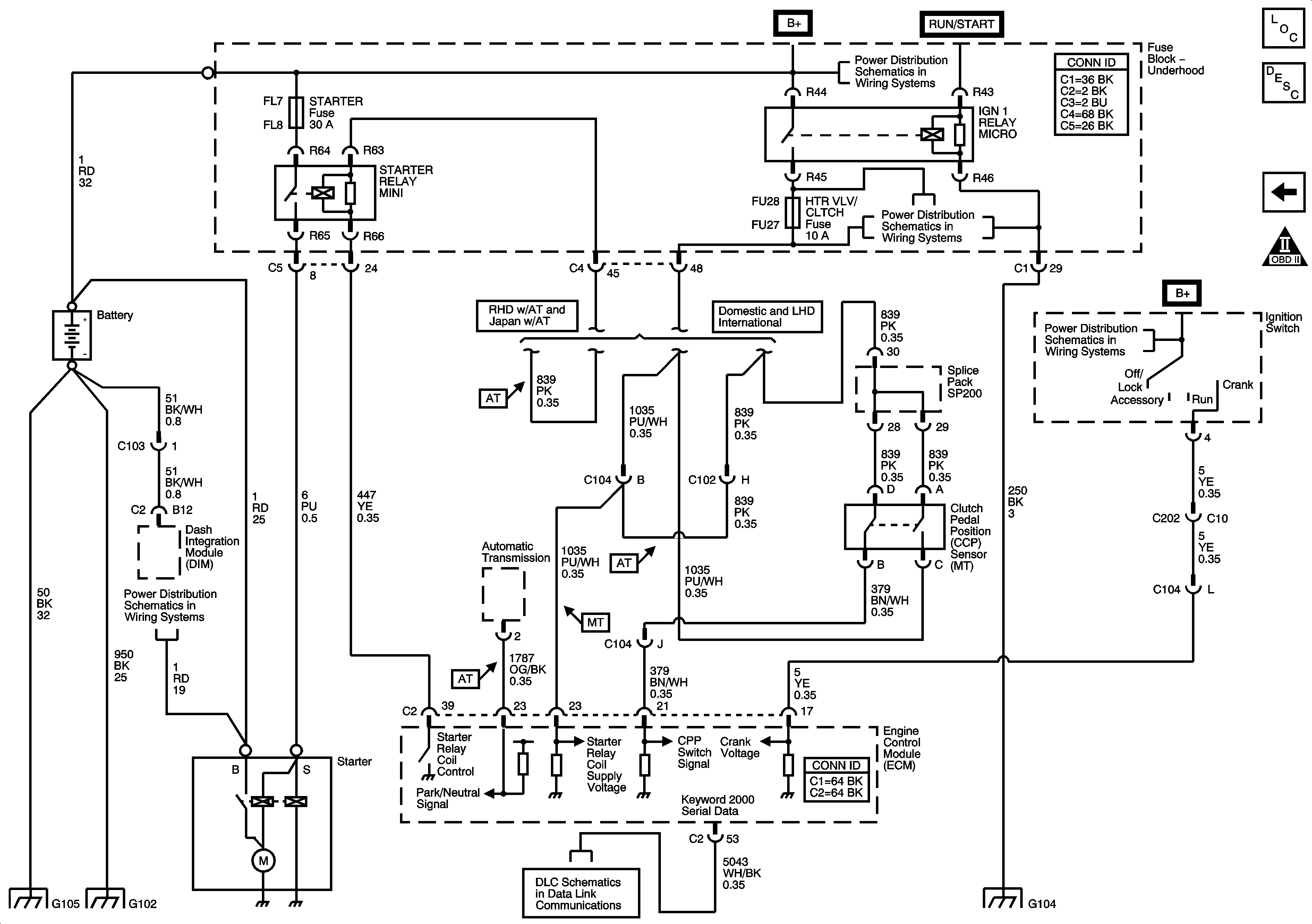
🢒 Starting and Charging Schematics
Figure
1:
Charging System
Starting and Charging System Schematics (1 of 2)
Starting and Charging System Schematics (1 of 2)
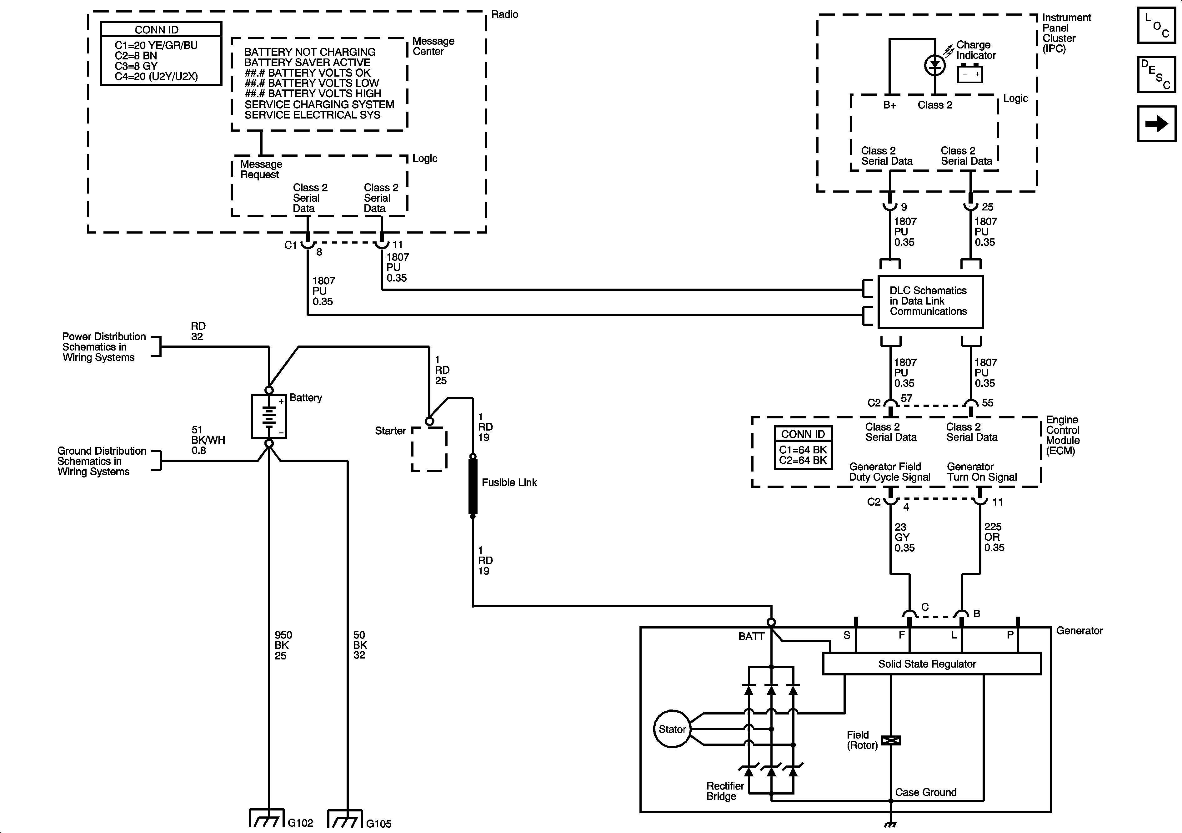
Body Control System Schematics Power, Ground and Class2
Starting and Charging System Schematics (1 of 2)
Power, Grounds, CAN Bus, and Keyword Serial Data
Figure
2:
Starting System
Charging System
Charging System
Charging System