GM Service Manual Online
For 1990-2009 cars only
Makes
🢒
Cadillac
🢒
2003
🢒
CTS
🢒 Body Control System Schematics Power, Ground and Class2
Body Control System Schematics Power, Ground and Class2
Power, Grounds and Class 2
Ignition Switch (1 of 2)
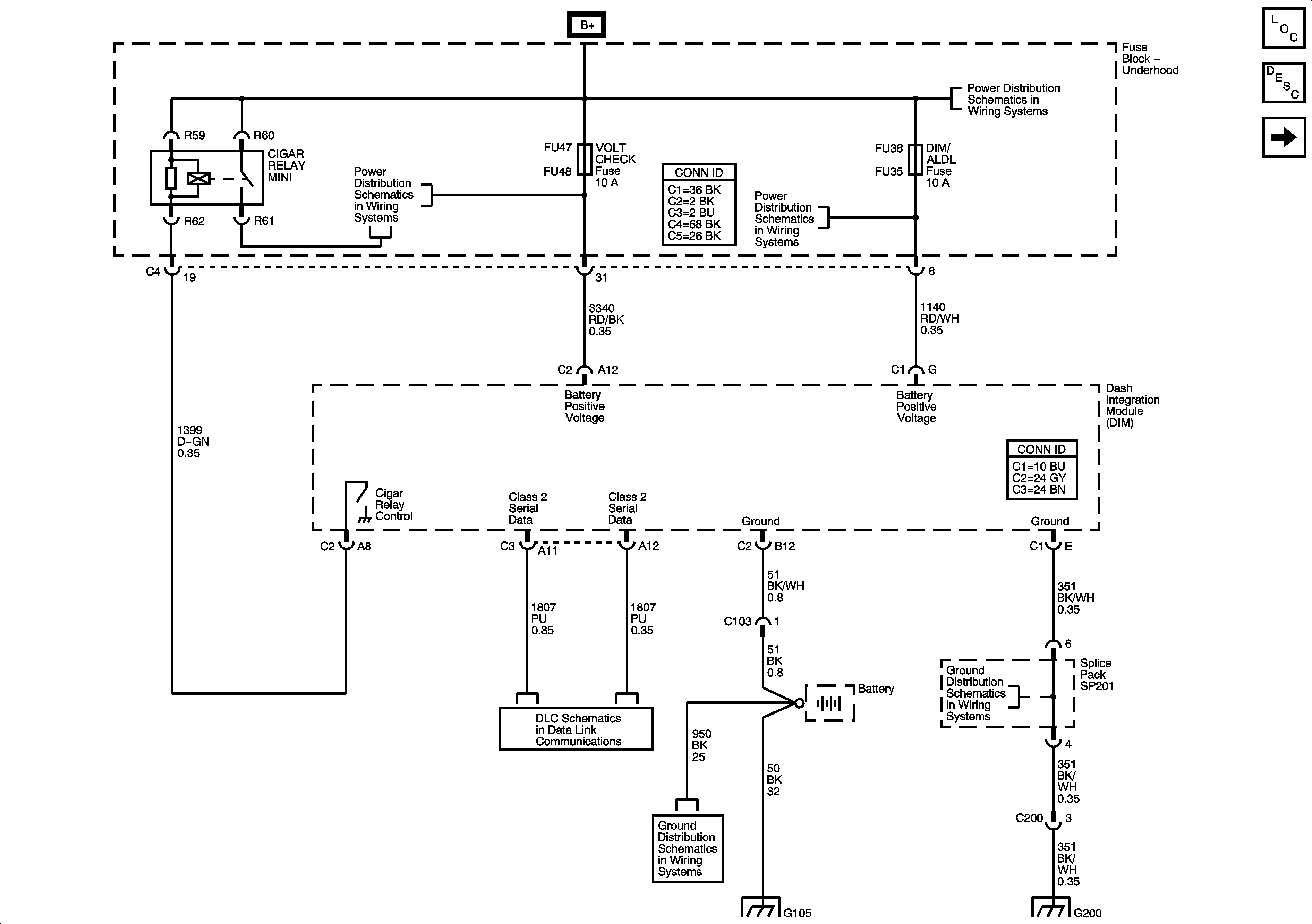
Underhood Fuse Block - DIM ALDL, STOPLP SW, FLASHER, CCP, ECM/TCM, and IGN SW Fuses
Underhood Fuse Block - DIM ALDL, STOPLP SW, FLASHER, CCP, ECM/TCM, and IGN SW Fuses
Underhood Fuse Block - DIM ALDL, STOPLP SW, FLASHER, CCP, ECM/TCM, and IGN SW Fuses
Class 2 (LHD) 1 of 2