GM Service Manual Online
For 1990-2009 cars only
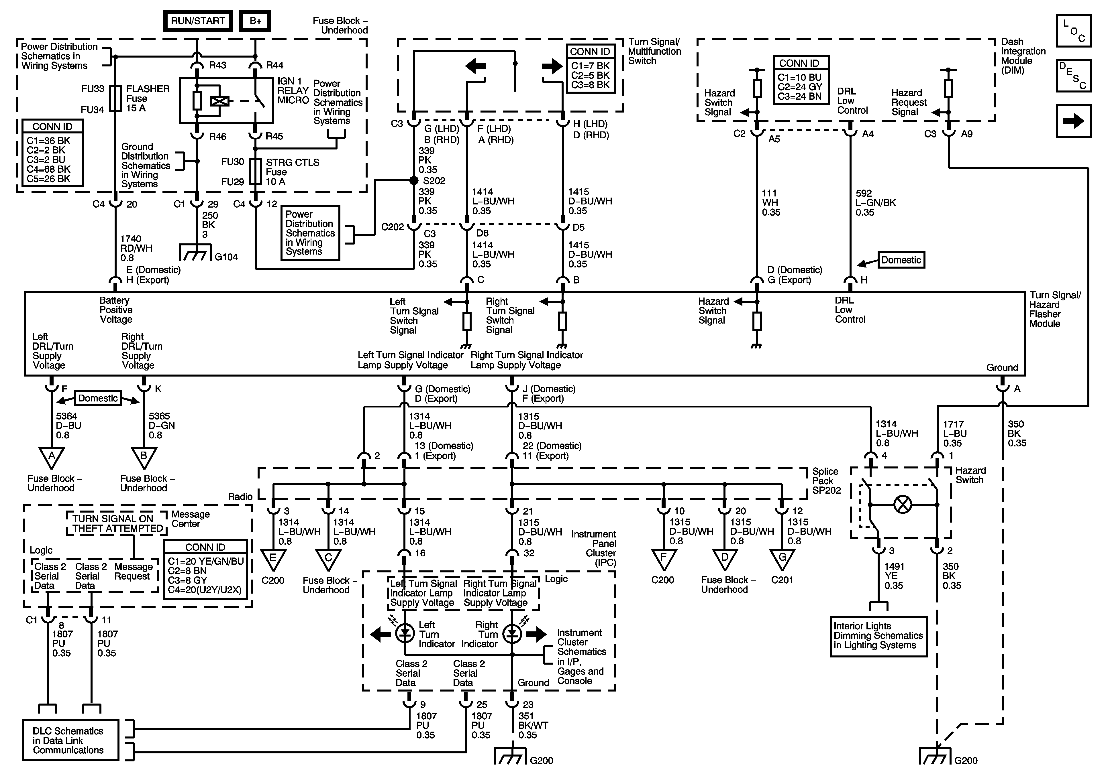
Figure 1:

Turn Signal and Hazard Controls, Indicators


Object Number: 893779  Size: FS
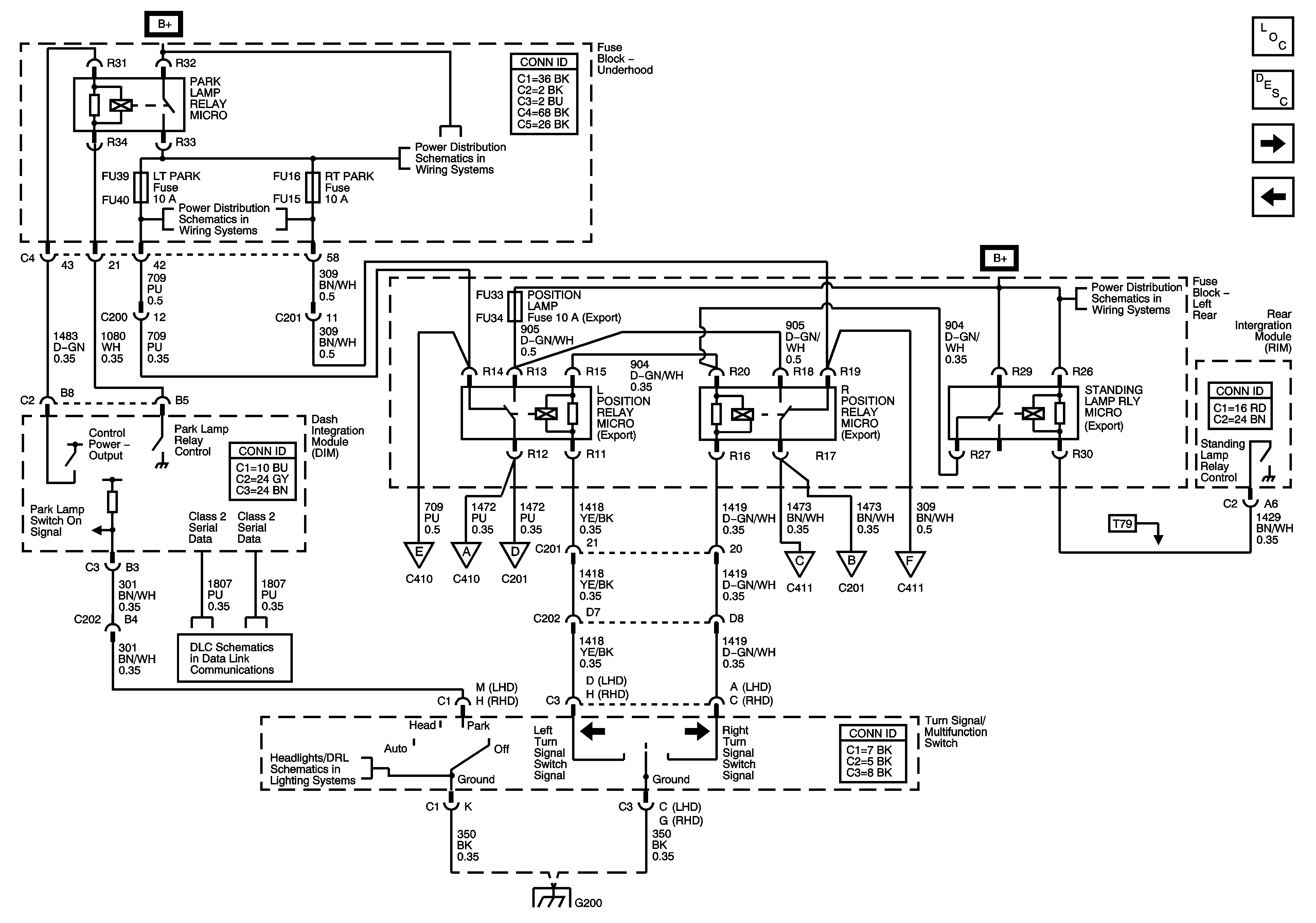
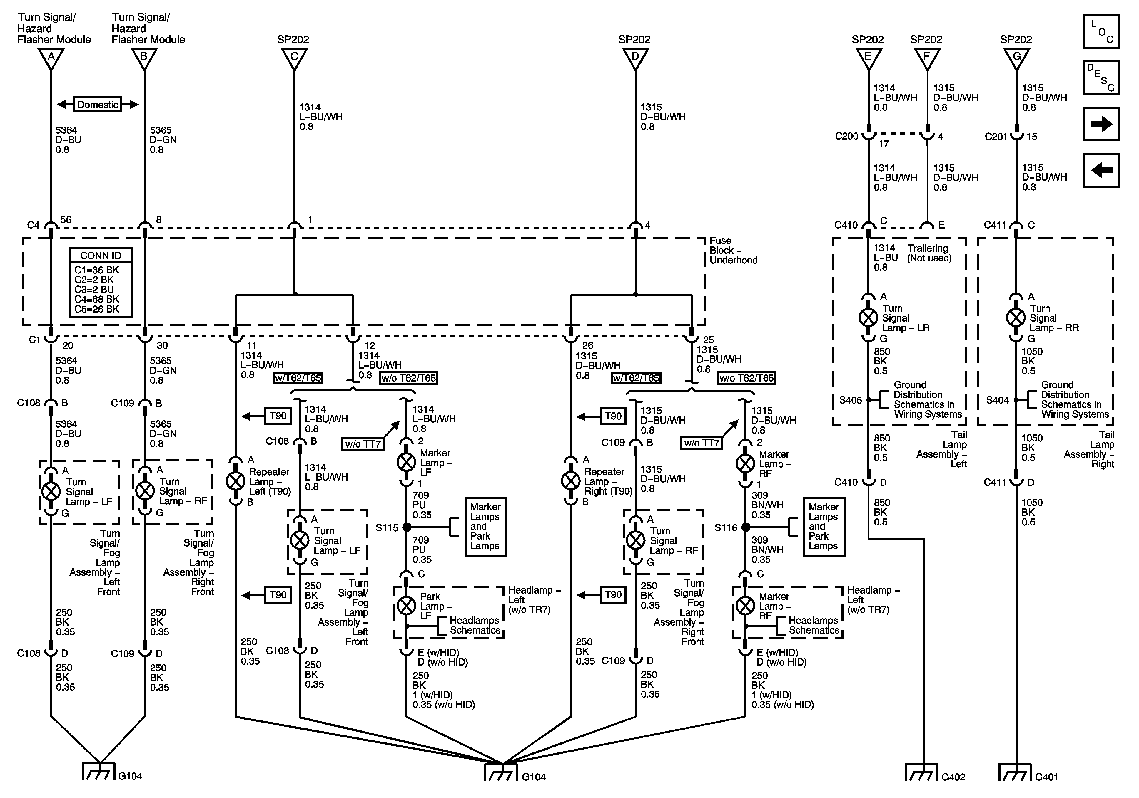
Figure 2:

Turn Signal and Repeater Lamps


Object Number: 893780  Size: FS
Figure 3:

Park Lamp Controls, Indicators, Front Park and Marker Lamps (Domestic)


Object Number: 893781  Size: FS
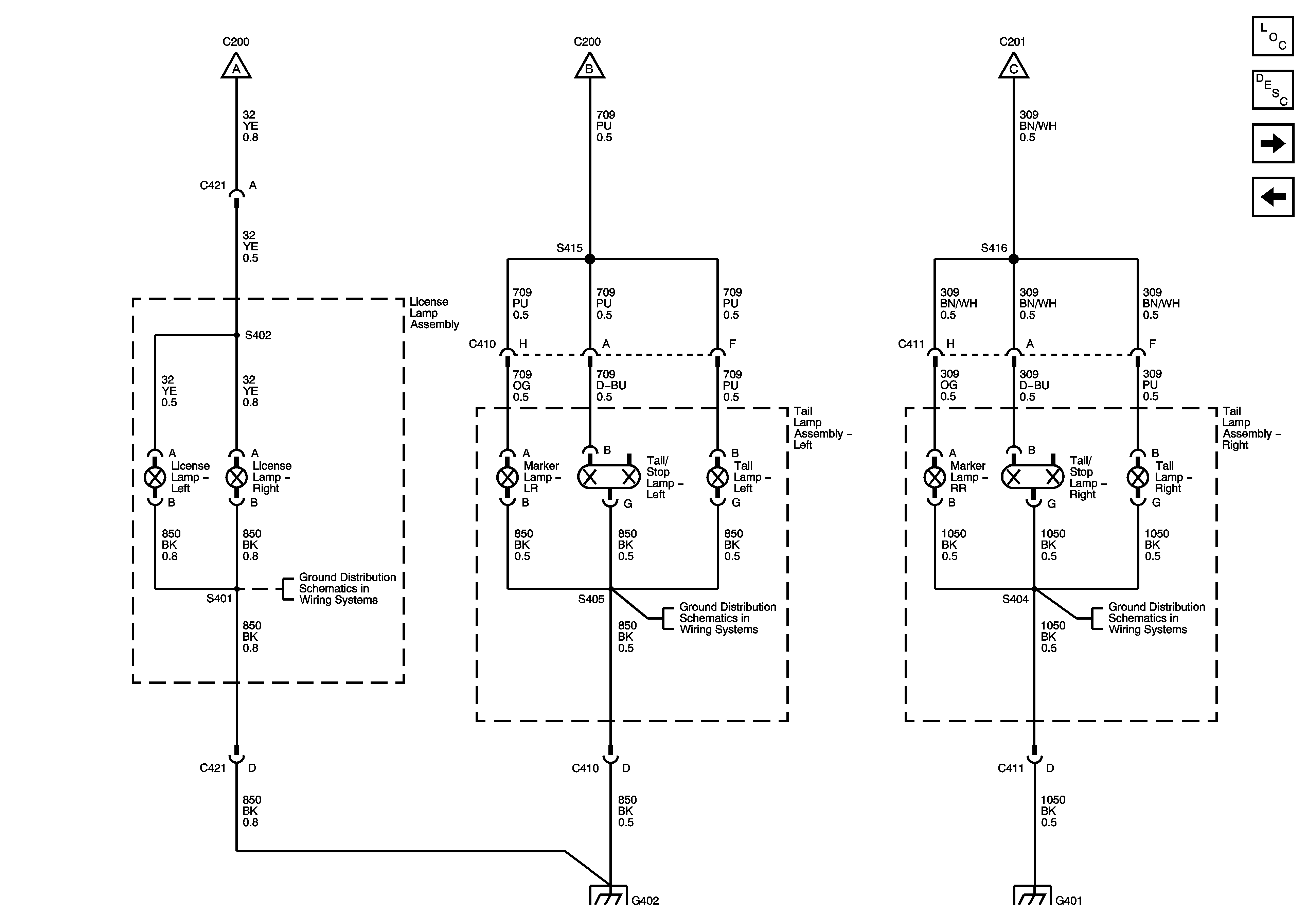
Figure 4:

Rear Park and License Lamps (Domestic)


Object Number: 1265475  Size: FS
Figure 5:

Park Lamp Controls (Export)


Object Number: 893782  Size: FS
Figure 6:

Position and Park Lamps (Export)


Object Number: 893783  Size: FS
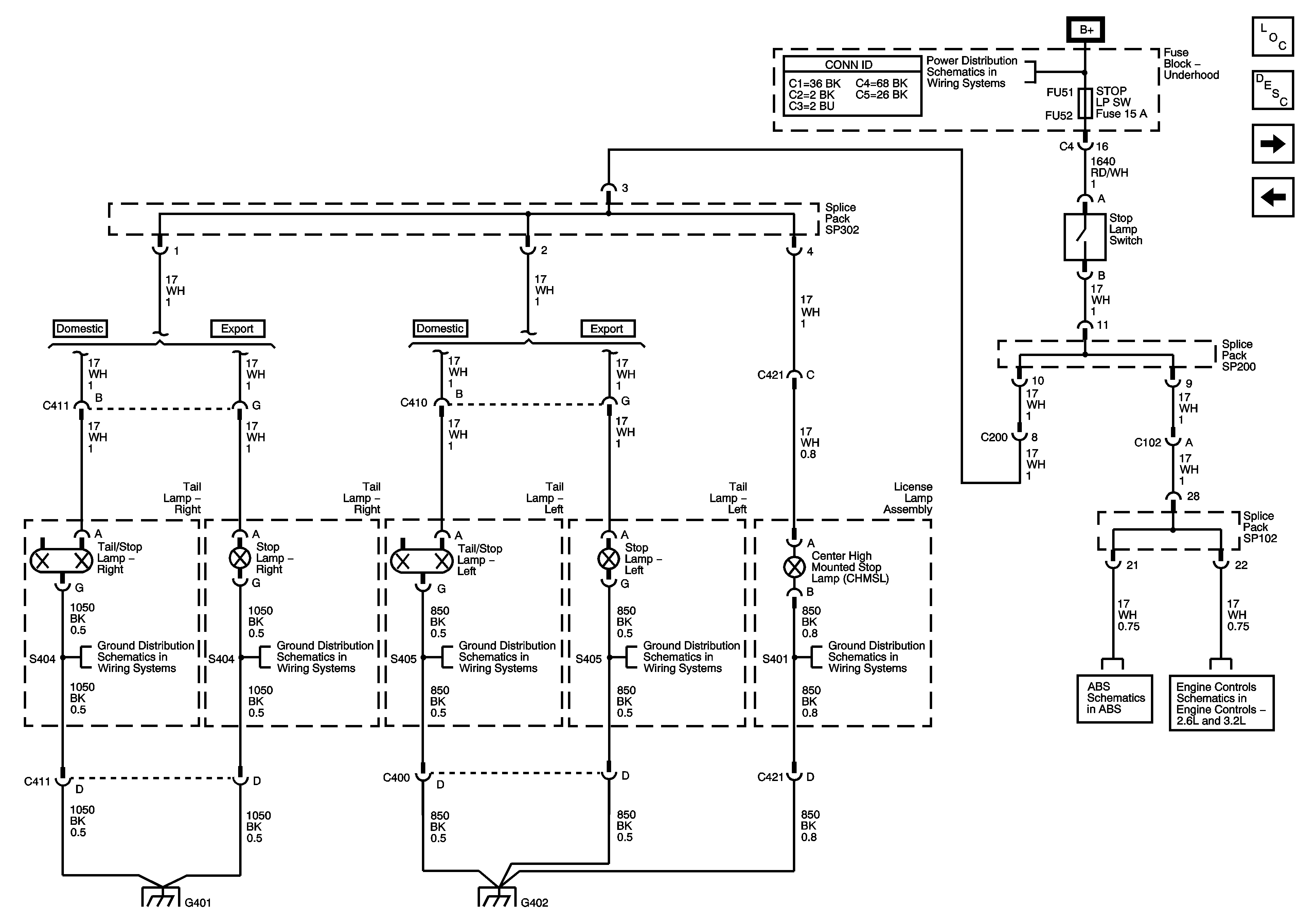
Figure 7:

Stop Lamps


Object Number: 893785  Size: FS
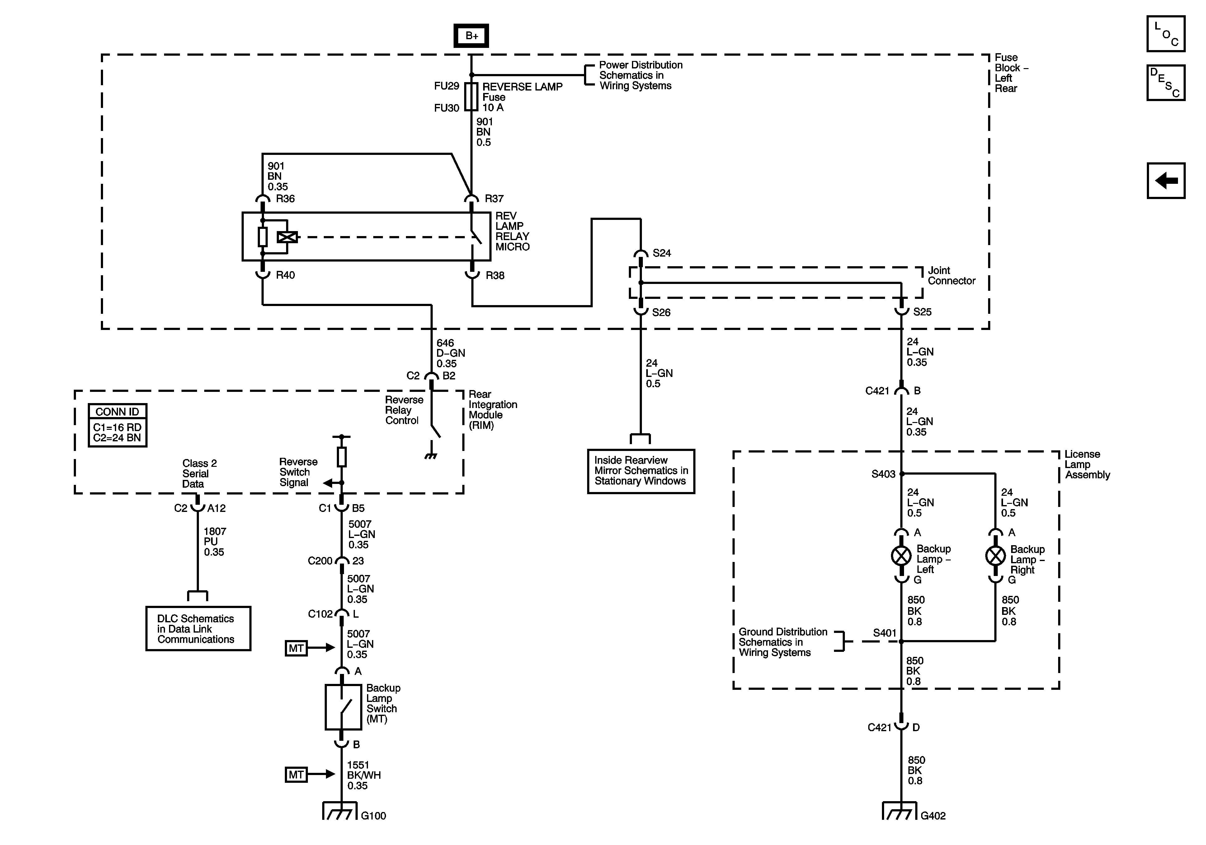
Figure 8:

Backup Lamps


Object Number: 638484  Size: FS
Exterior Lighting System Schematics Turn/Hazard Flasher Module, RIM
Exterior Lighting System Schematics Turn/Hazard Flasher Module, RIM
Exterior Lighting System Schematics Turn/Hazard Flasher Module, RIM
Automatic Day-Night Mirror Schematic