GM Service Manual Online
For 1990-2009 cars only
Makes
🢒
Cadillac
🢒
2003
🢒
CTS
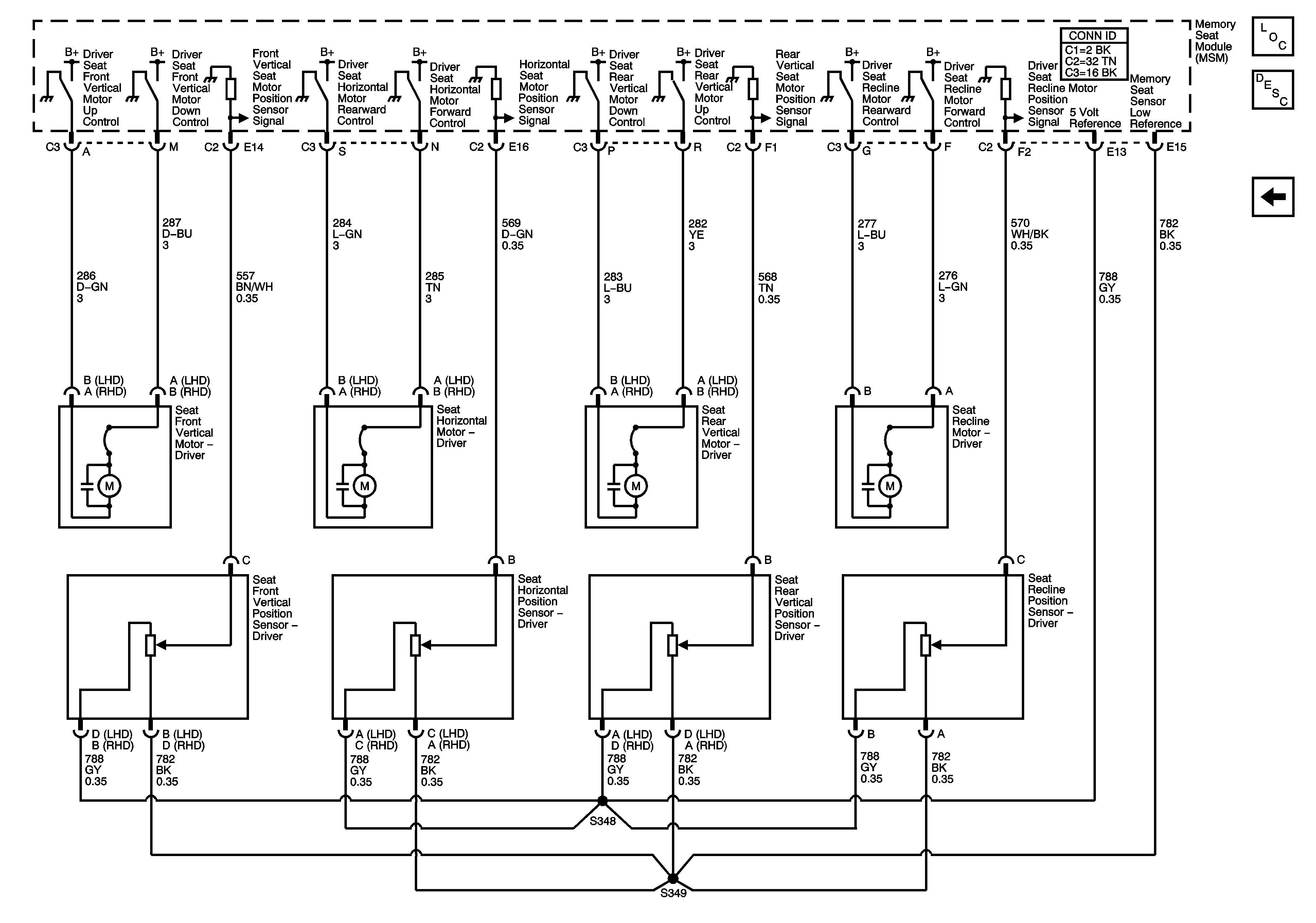
🢒 Memory Seats Schematics MSM, Front Vertical, Rear Vertical, Horizontal Motors, Position Sensors
Memory Seats Schematics MSM, Front Vertical, Rear Vertical, Horizontal Motors, Position Sensors
Position Sensors and Motors
Memory Seats Schematics Driver Door Switch Module, DDM