GM Service Manual Online
For 1990-2009 cars only
Makes
🢒
Cadillac
🢒
2003
🢒
CTS
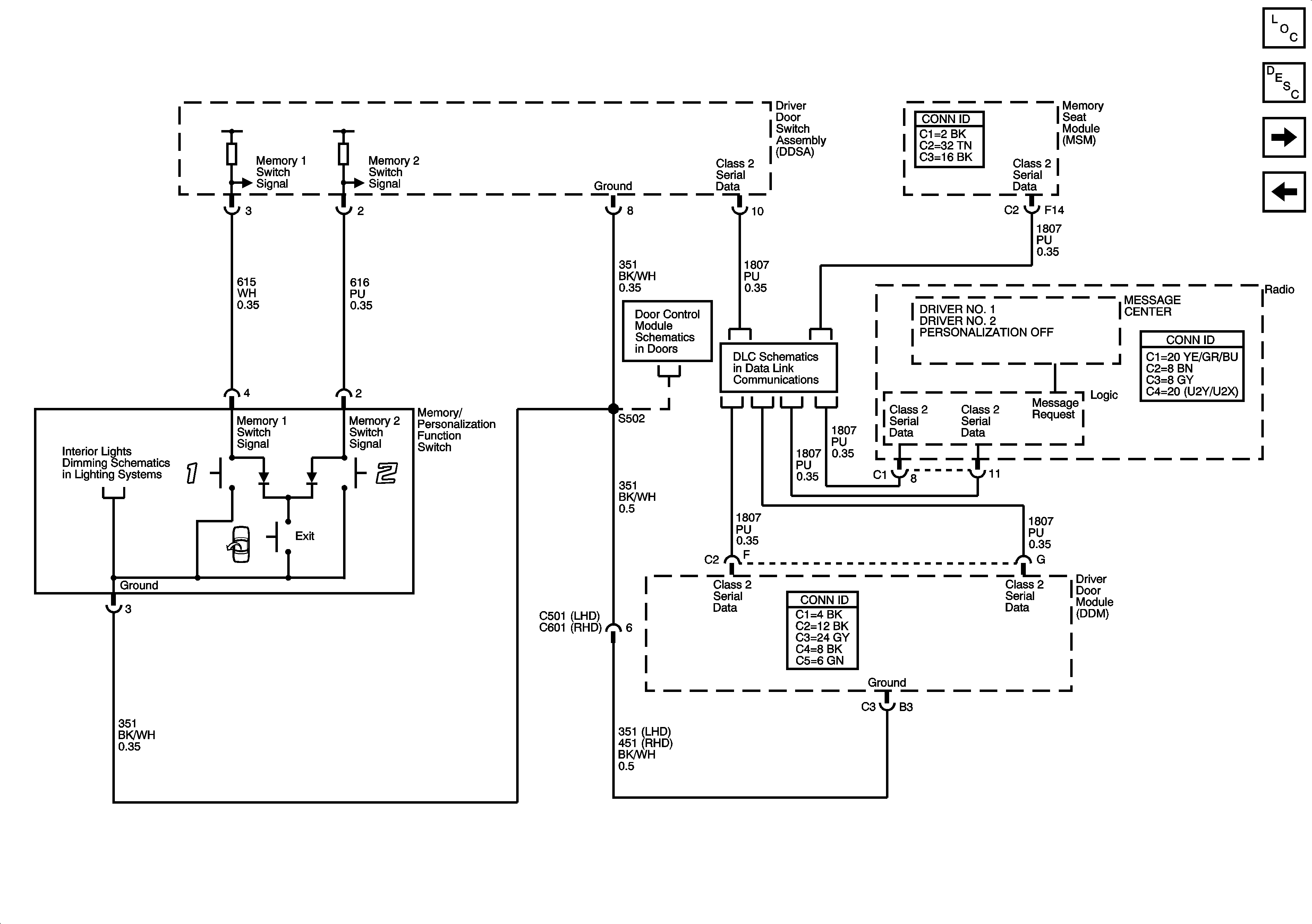
🢒 Memory Seats Schematics Driver Door Switch Module, DDM
Memory Seats Schematics Driver Door Switch Module, DDM
Memory Switch
Memory Seats Schematics MSM, Front Vertical, Rear Vertical, Horizontal Motors, Position Sensors
Memory Seats Schematics Power, Grounds
Class 2 (LHD) 1 of 2
Interior Lights Dimming Schematics ( 2 of 2 )
Power Door Lock Schematics Driver Door Module