GM Service Manual Online
For 1990-2009 cars only
Makes
🢒
Cadillac
🢒
2003
🢒
CTS
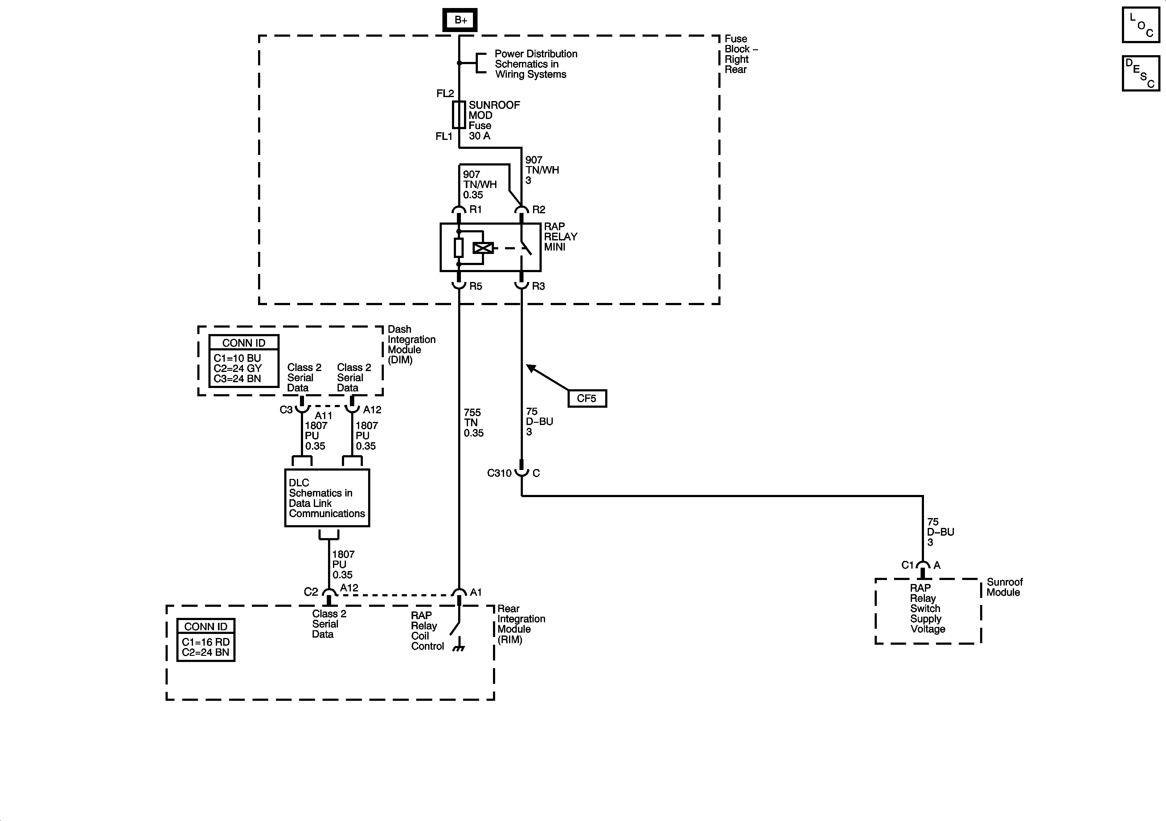
🢒 Retained Accessory Power SchematicRAP
Retained Accessory Power SchematicRAP
Class 2 (LHD) 1 of 2