GM Service Manual Online
For 1990-2009 cars only
Makes
🢒
Cadillac
🢒
2003
🢒
CTS
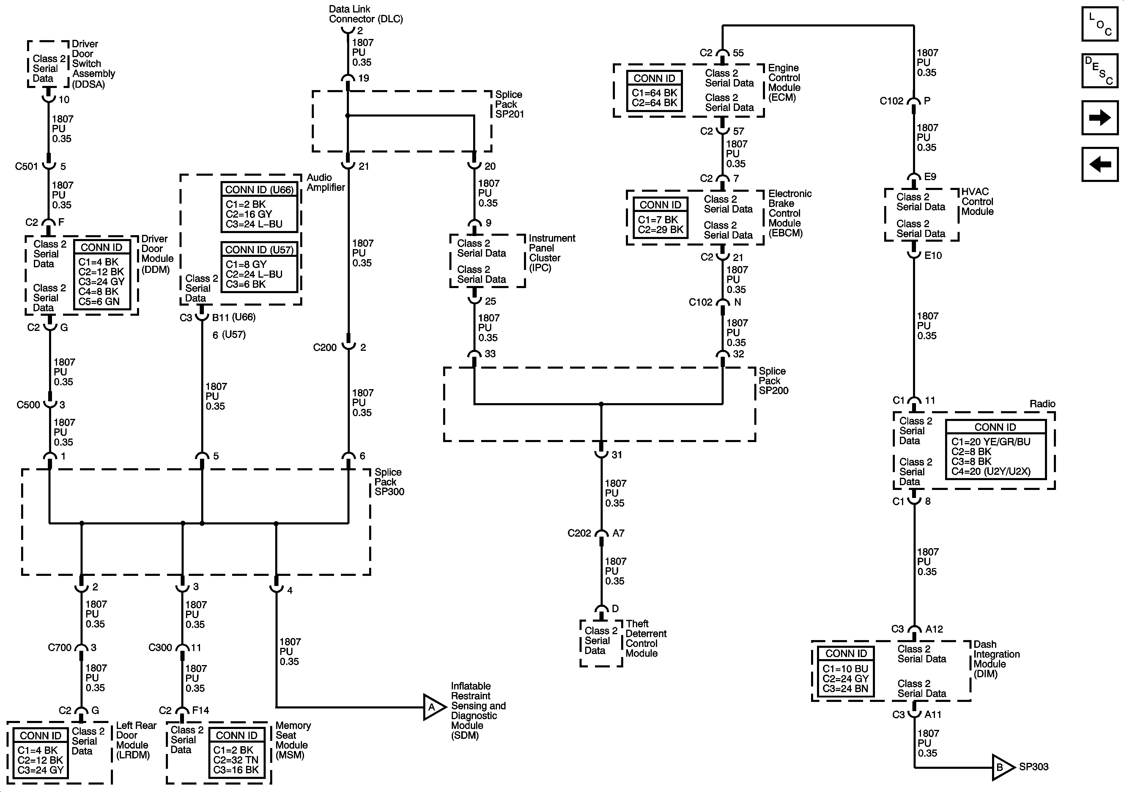
🢒 Class 2 (LHD) 1 of 2
Class 2 (LHD) 1 of 2
Data Link Connector (DLC) Schematics Class 2 ( 1 of 2 )
Class 2 (LHD) 2 of 2
Power, Grounds, CAN Bus, and Keyword Serial Data