GM Service Manual Online
For 1990-2009 cars only
Makes
🢒
Cadillac
🢒
2004
🢒
CTS
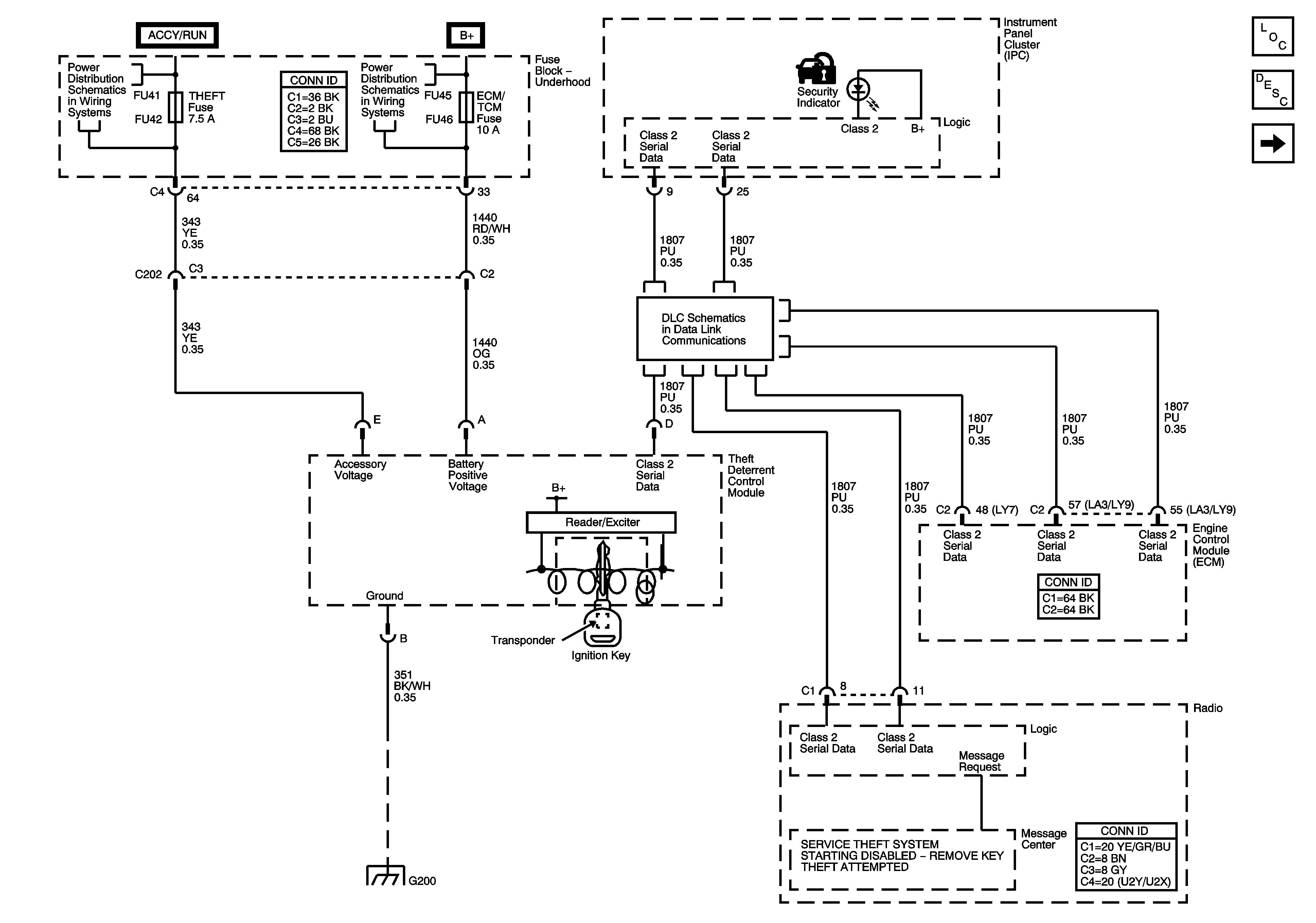
🢒 Power, Ground, Serial Data, Theft Deterrent Control Module and Indicator
Power, Ground, Serial Data, Theft Deterrent Control Module and Indicator
Power, Ground, Serial Data, Theft Deterrent Control Module and Indicator
Master Electrical Component List
Theft Systems Description and Operation
Theft Deterrent Alarm, Intrusion Sensor and Inclination Sensor (Export w/UA2)
Ignition Switch - 2 of 2
Underhood Fuse Block DIM/ALDL, VOLT CHECK, FLASHER, CCP, ECM/TCM and ABS Fuses
Class 2 Serial Data Bus - LHD - 1 of 2
G200