GM Service Manual Online
For 1990-2009 cars only
Makes
🢒
Cadillac
🢒
2004
🢒
CTS
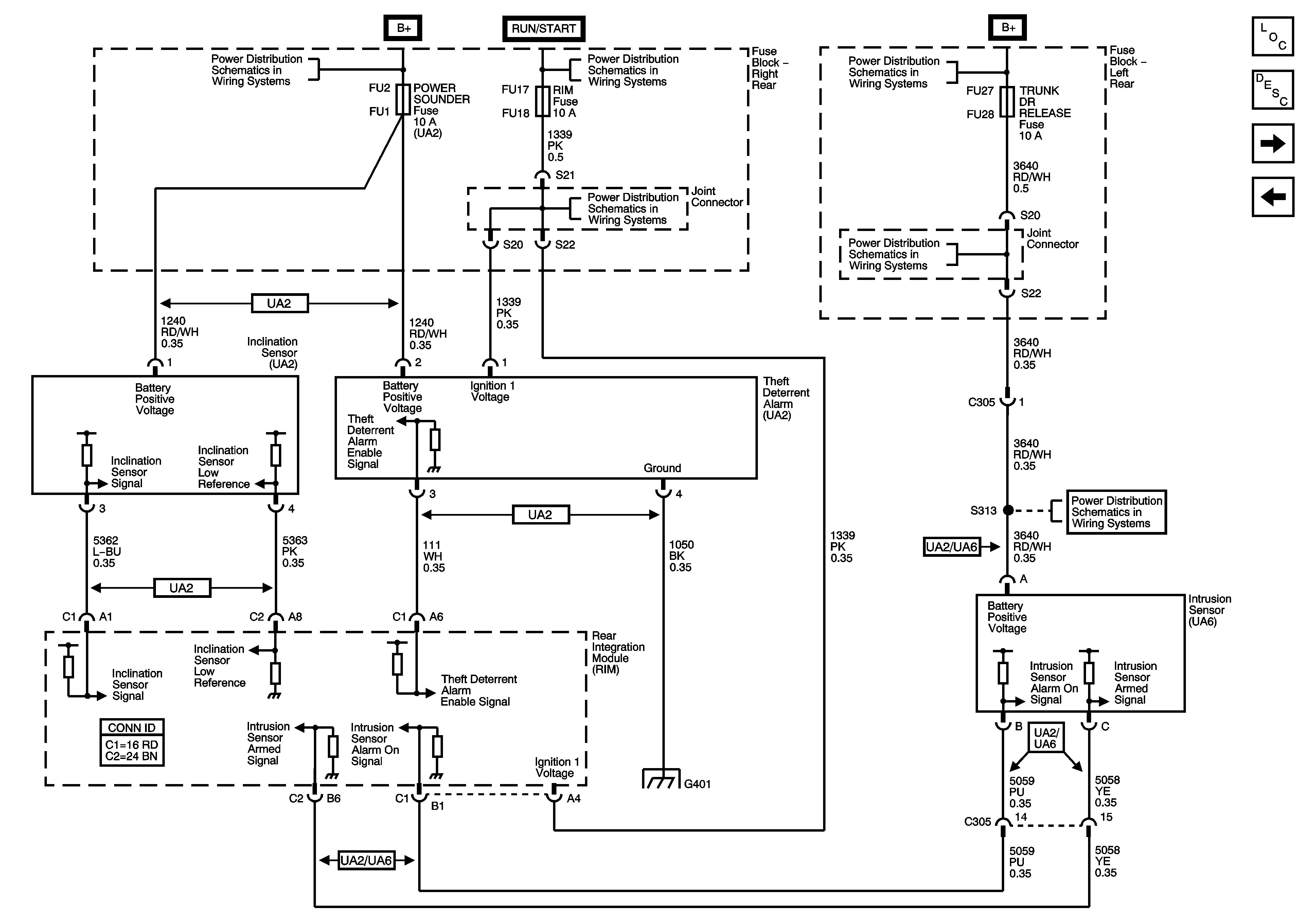
🢒 Theft Deterrent Alarm, Intrusion Sensor and Inclination Sensor (Export w/UA2)
Theft Deterrent Alarm, Intrusion Sensor and Inclination Sensor (Export w/UA2)
Theft Deterrent Alarm, Intrusion Sensor and Inclination Sensor - Export w/ UA2
Master Electrical Component List
Theft Systems Description and Operation
Door Modules, Hood Ajar Switch (Export w/UA2), Serial Data and Indicator
Power, Ground, Serial Data, Theft Deterrent Control Module and Indicator
Right Rear Fuse Block B+ Bus
Right Rear Fuse Block IGN1 Relay, AIRBAG, RIM, ABS, PSGR DR MOD and TV/VICS Fuses
Right Rear Fuse Block IGN1 Relay, AIRBAG, RIM, ABS, PSGR DR MOD and TV/VICS Fuses
Left Rear Fuse Block B+ Bus
Left Rear Fuse Block SEAT Circuit Breaker, TRUNK Fuse/Relay, AMP, AUDIO, DRIVER DR MOD and REAR DR MOD Fuses
Left Rear Fuse Block SEAT Circuit Breaker, TRUNK Fuse/Relay, AMP, AUDIO, DRIVER DR MOD and REAR DR MOD Fuses
G401