GM Service Manual Online
For 1990-2009 cars only
Makes
🢒
Cadillac
🢒
2004
🢒
CTS
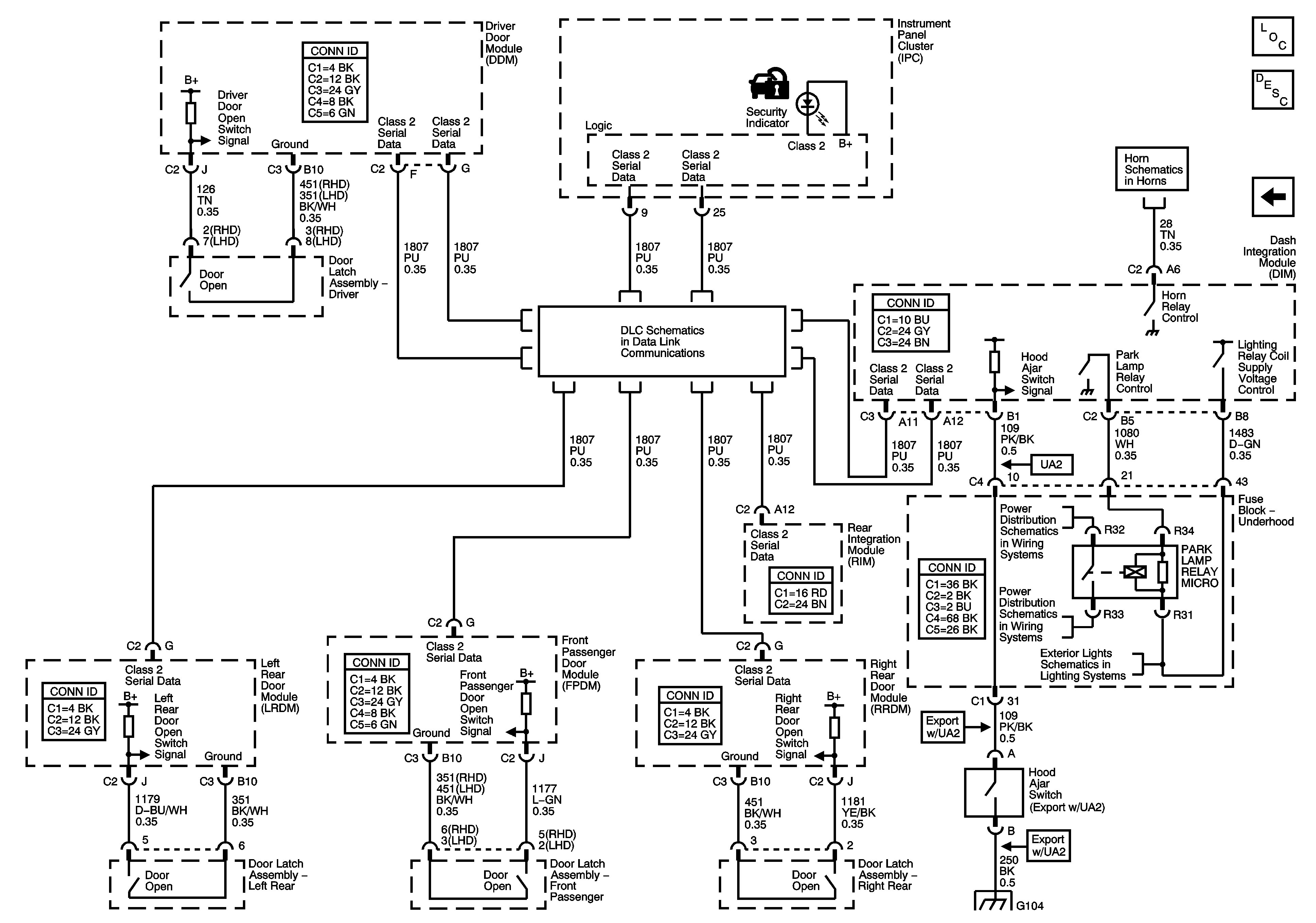
🢒 Door Modules, Hood Ajar Switch (Export w/UA2), Serial Data and Indicator
Door Modules, Hood Ajar Switch (Export w/UA2), Serial Data and Indicator
Door Modules, Hood Ajar Switch (Export w/ UA2), Serial Data and Indicator
Master Electrical Component List
Content Theft Deterrent (CTD) Description and Operation
Theft Deterrent Alarm, Intrusion Sensor and Inclination Sensor (Export w/UA2)
Horns
Class 2 Serial Data Bus - LHD - 1 of 2
Underhood Fuse Block B+ Bus - 1 of 2
Underhood Fuse Block PARK LAMP Relay/Fuses and DIMMING Fuse
Front Marker Lamps (W/TT7) and Front Park Lamps (w/o TT7)
G104 - 1 of 2