GM Service Manual Online
For 1990-2009 cars only
Makes
🢒
Cadillac
🢒
2005
🢒
CTS
🢒
Body
🢒
Wiring Systems
🢒 Power Window Schematics
Figure
1:
Front Power Window Switches and Motors
Master Electrical Component List
Power Windows Description and Operation
Control Module References
Rear Power Window Switches and Motors
Rear Power Window Switches and Motors
Power, Ground and Serial Data - 2 of 2
Front Passenger Door Module (FPDM) Power, Ground and Serial Data
Power, Ground and Serial Data - 2 of 2
Driver Door Module (DDM) Power, Ground and Serial Data
Class 2 Serial Data Bus - LHD - 1 of 2
G200
G201
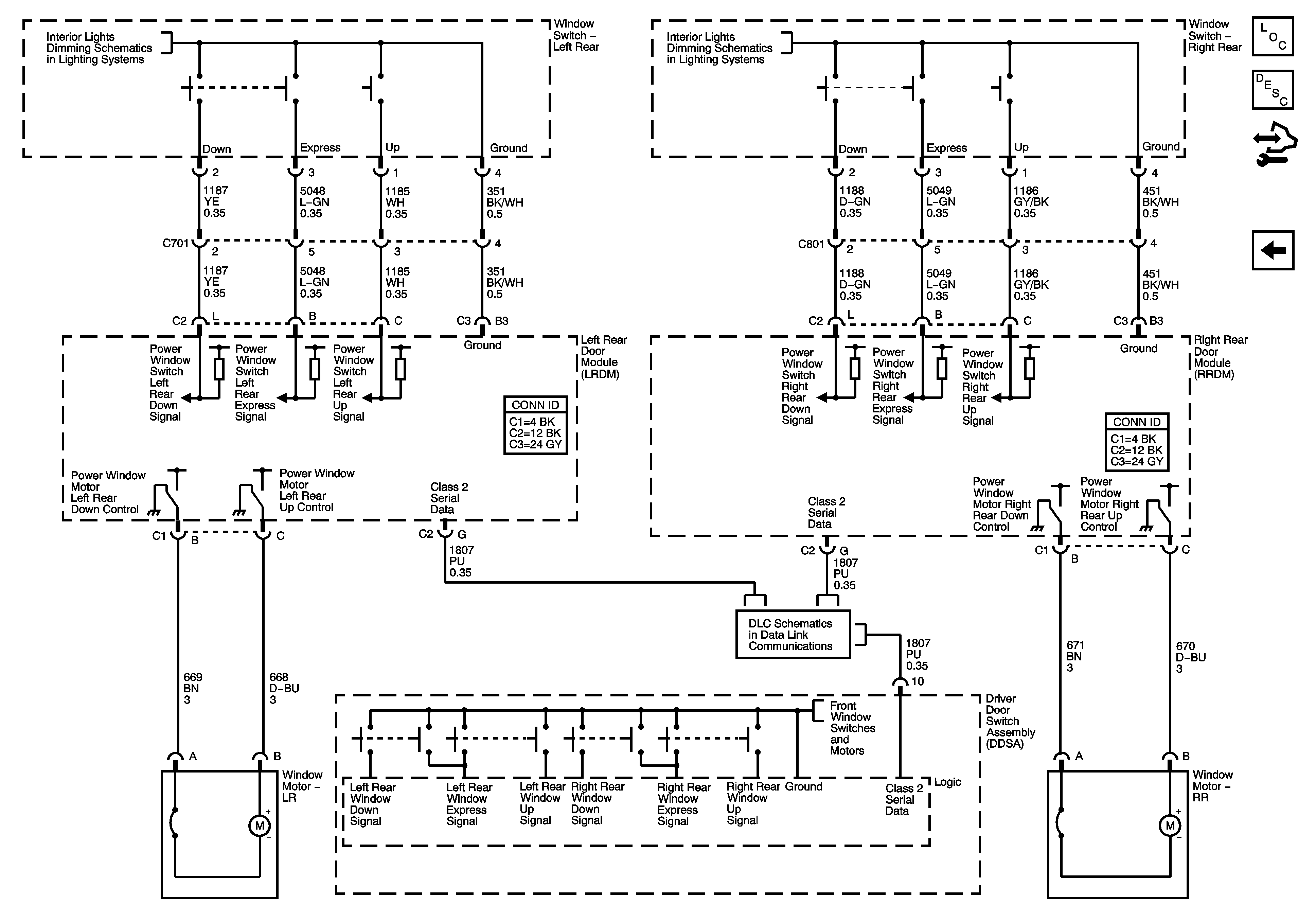
Figure
2:
Rear Power Window Switches and Motors
Master Electrical Component List
Power Windows Description and Operation
Control Module References
Front Power Window Switches and Motor
Power, Ground and Serial Data - 2 of 2
Power, Ground and Serial Data - 2 of 2
Class 2 Serial Data Bus - LHD - 1 of 2
Front Power Window Switches and Motor