GM Service Manual Online
For 1990-2009 cars only
Makes
🢒
Cadillac
🢒
2005
🢒
CTS
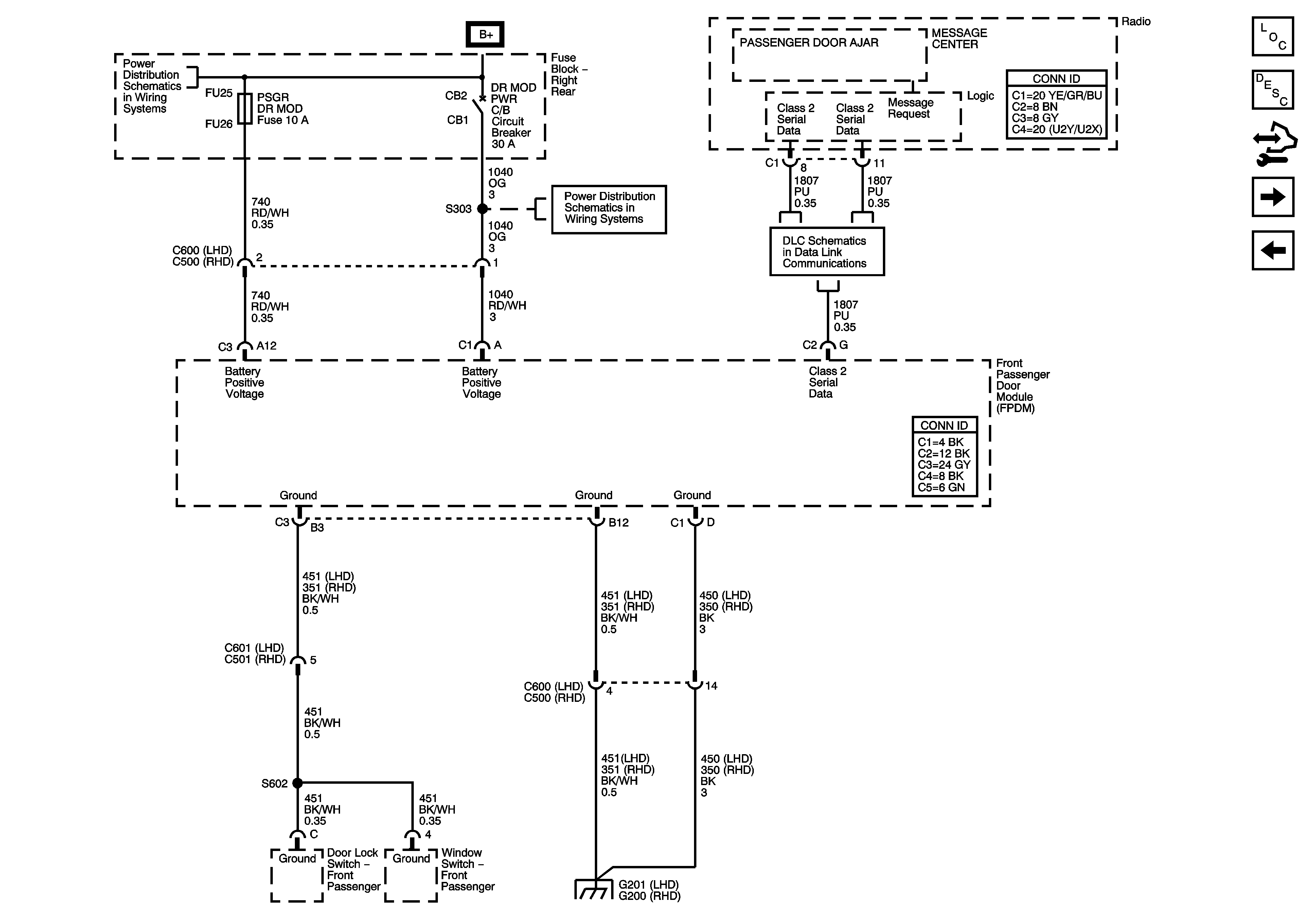
🢒 Front Passenger Door Module (FPDM) Power, Ground and Serial Data
Front Passenger Door Module (FPDM) Power, Ground and Serial Data
Front Passenger Door Module (FPDM) Power, Ground and Serial Data
Master Electrical Component List
Power Door Locks Description and Operation
Control Module References
FPDM Controlled/Monitored Subsystem References - 1 of 2
DDM Controlled/Monitored Subsystem References - 2 of 2
Right Rear Fuse Block B+ Bus
Right Rear Fuse Block DR MOD PWR Circuit Breaker, CANISTER VENT, RIM/IGN SW, R FRT HTD SEAT MOD, and POWER SOUNDER Fuses
Class 2 Serial Data Bus - LHD - 2 of 2
G201