GM Service Manual Online
For 1990-2009 cars only
Figure 1:

Power, Ground, Indicator, DIC and Front End Discriminating Sensor


Object Number: 1471183  Size: FS
Master Electrical Component List
SIR System Description and Operation
Control Module References
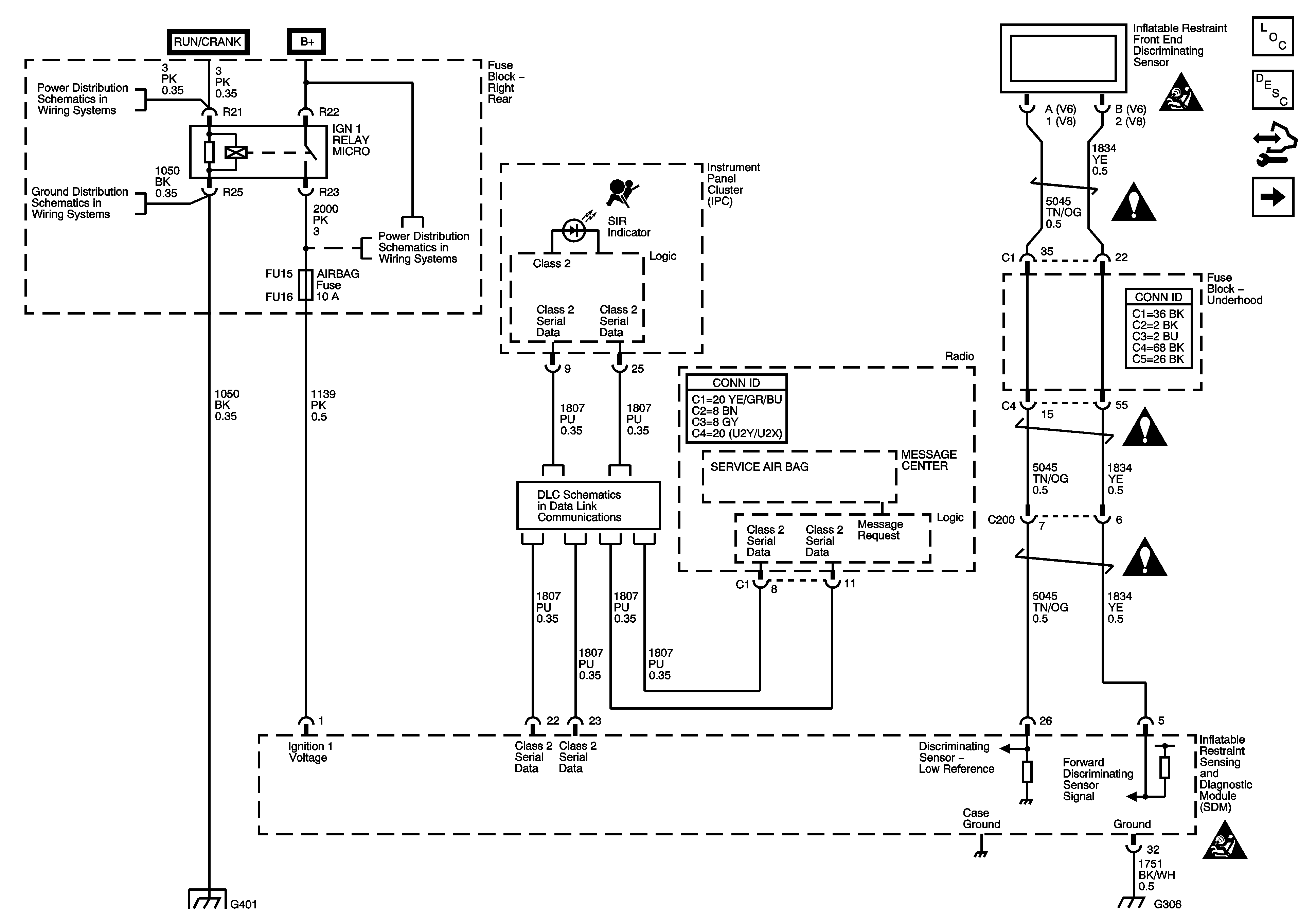
Driver SIR Modules and Sensor
Ignition Switch - 2 of 2
G401
Right Rear Fuse Block B+ Bus
Class 2 Serial Data Bus - LHD - 2 of 2
G401
G102, G105, G110, G303, G304 and G306
SIR Caution for Zoning
SIR Schematic Icons
SIR Schematic Icons
SIR Schematic Icons
SIR Caution for Zoning
Figure 2:

Driver SIR Modules and Sensor


Object Number: 1471185  Size: FS
Master Electrical Component List
SIR System Description and Operation
Control Module References
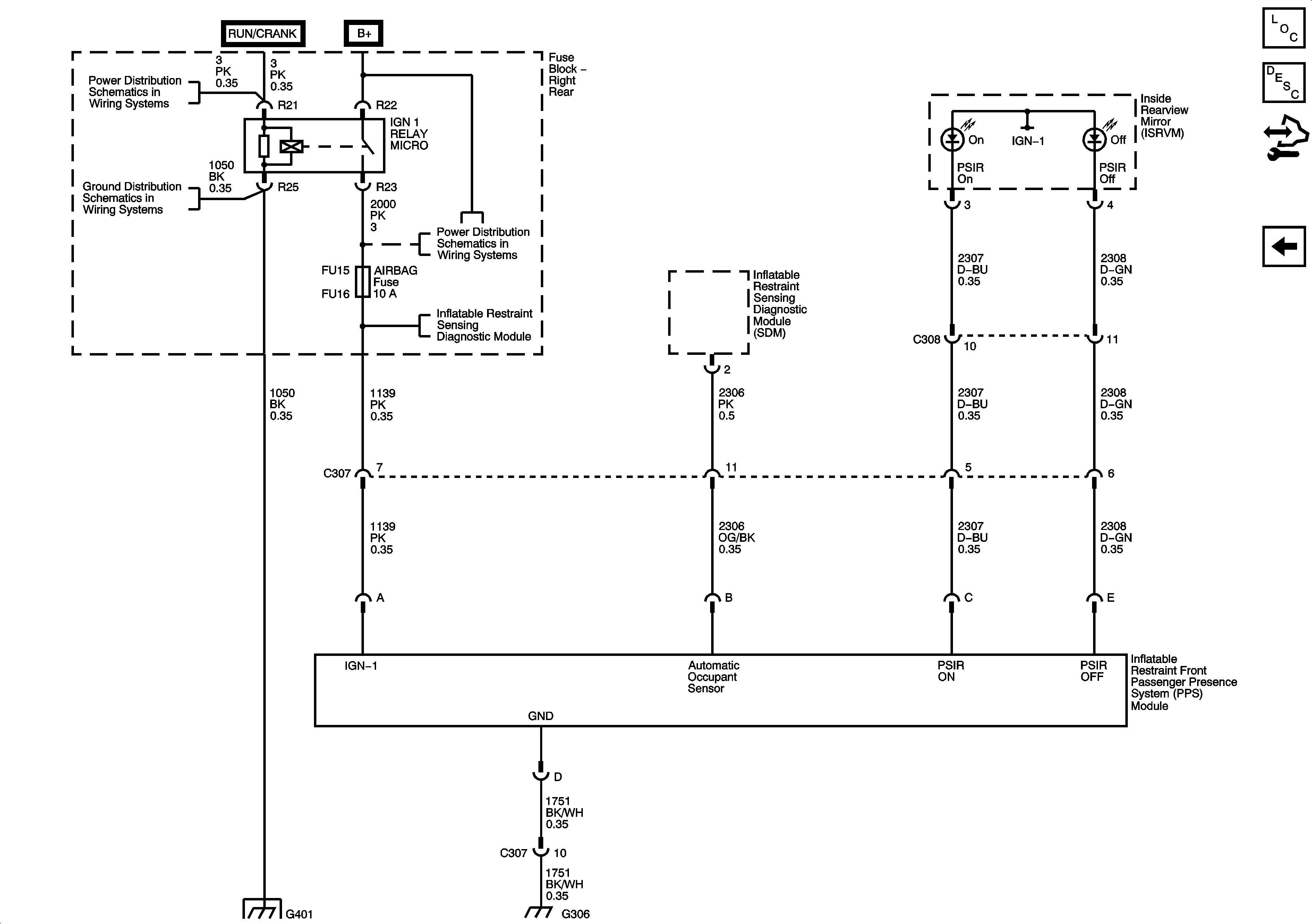
Passenger SIR Modules and Sensor
Power, Ground, Indicator, DIC and Front End Discriminating Sensor
SIR Caution for Zoning
SIR Schematic Icons
SIR Schematic Icons
SIR Schematic Icons
SIR Schematic Icons
SIR Schematic Icons
SIR Schematic Icons
Seat Belt
SIR Caution for Zoning
Figure 3:

Passenger SIR Modules and Sensor


Object Number: 1471187  Size: FS
Master Electrical Component List
SIR System Description and Operation
Control Module References
Driver SIR Modules and Sensor
SIR Caution for Zoning
SIR Schematic Icons
SIR Schematic Icons
SIR Schematic Icons
SIR Schematic Icons
SIR Schematic Icons
SIR Schematic Icons
2005 D-Car GMX320 Passenger Presence System / Static Suppression Module
Figure 4:

Passenger Presence System / Static Suppression Module


Object Number: 1536012  Size: FS
Master Electrical Component List
SIR System Description and Operation
Control Module References
Driver SIR Modules and Sensor
Ignition Switch - 2 of 2
G401
Right Rear Fuse Block B+ Bus
Power, Ground, Indicator, DIC and Front End Discriminating Sensor
G401
G102, G105, G110, G303, G304 and G306