GM Service Manual Online
For 1990-2009 cars only
Makes
🢒
Cadillac
🢒
2005
🢒
CTS
🢒 Coolant Level Switch, Indicator, Gage and DIC
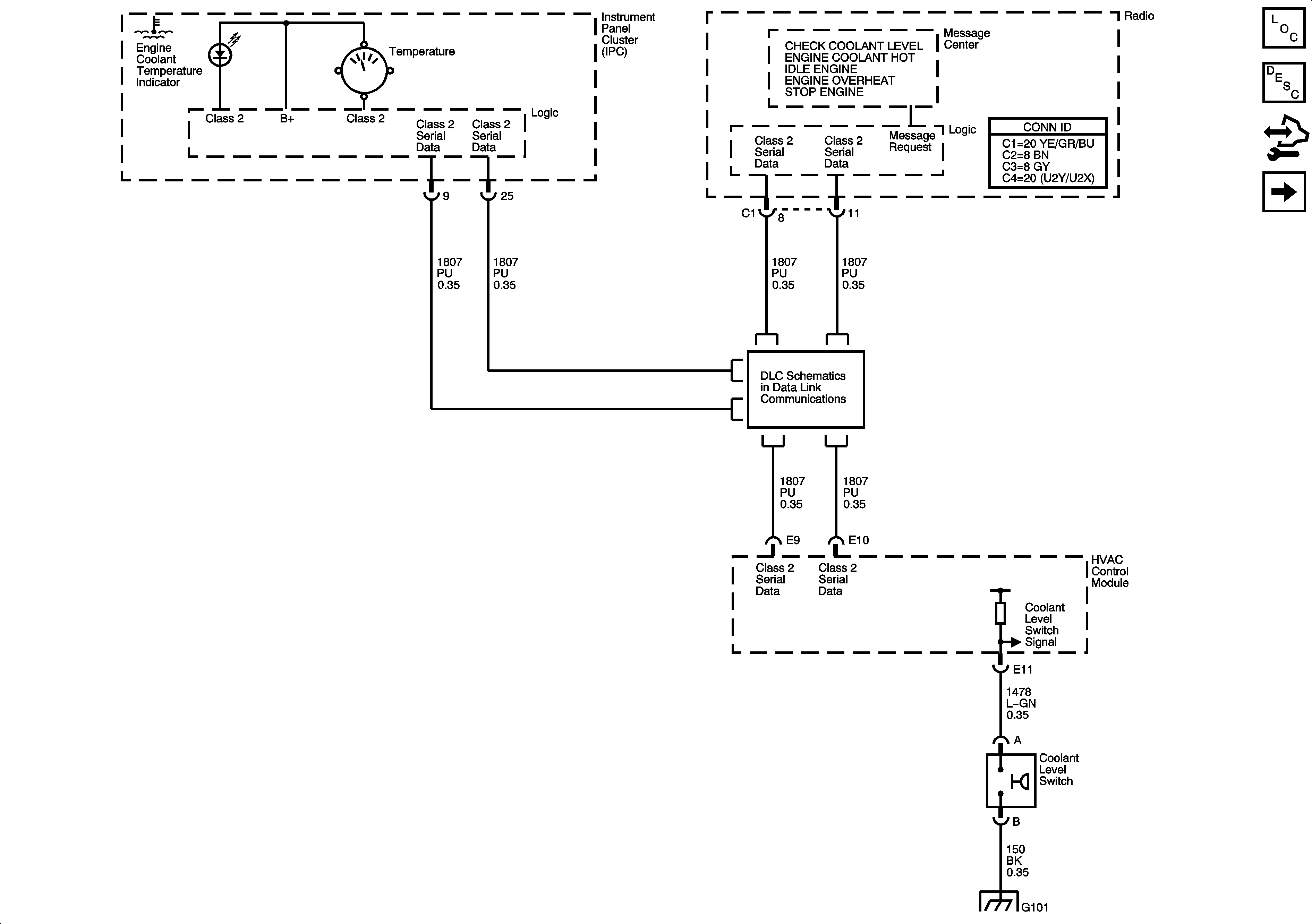
Coolant Level Switch, Indicator, Gage and DIC
Coolant Level Switch, Indicator, Gage and DLC
Master Electrical Component List
Cooling System Description and Operation
Control Module References
Cooling Fans 2.8L/3.6L (LP1/LY7)
Class 2 Serial Data Bus - LHD - 2 of 2
G101