GM Service Manual Online
For 1990-2009 cars only
Makes
🢒
Cadillac
🢒
2005
🢒
CTS
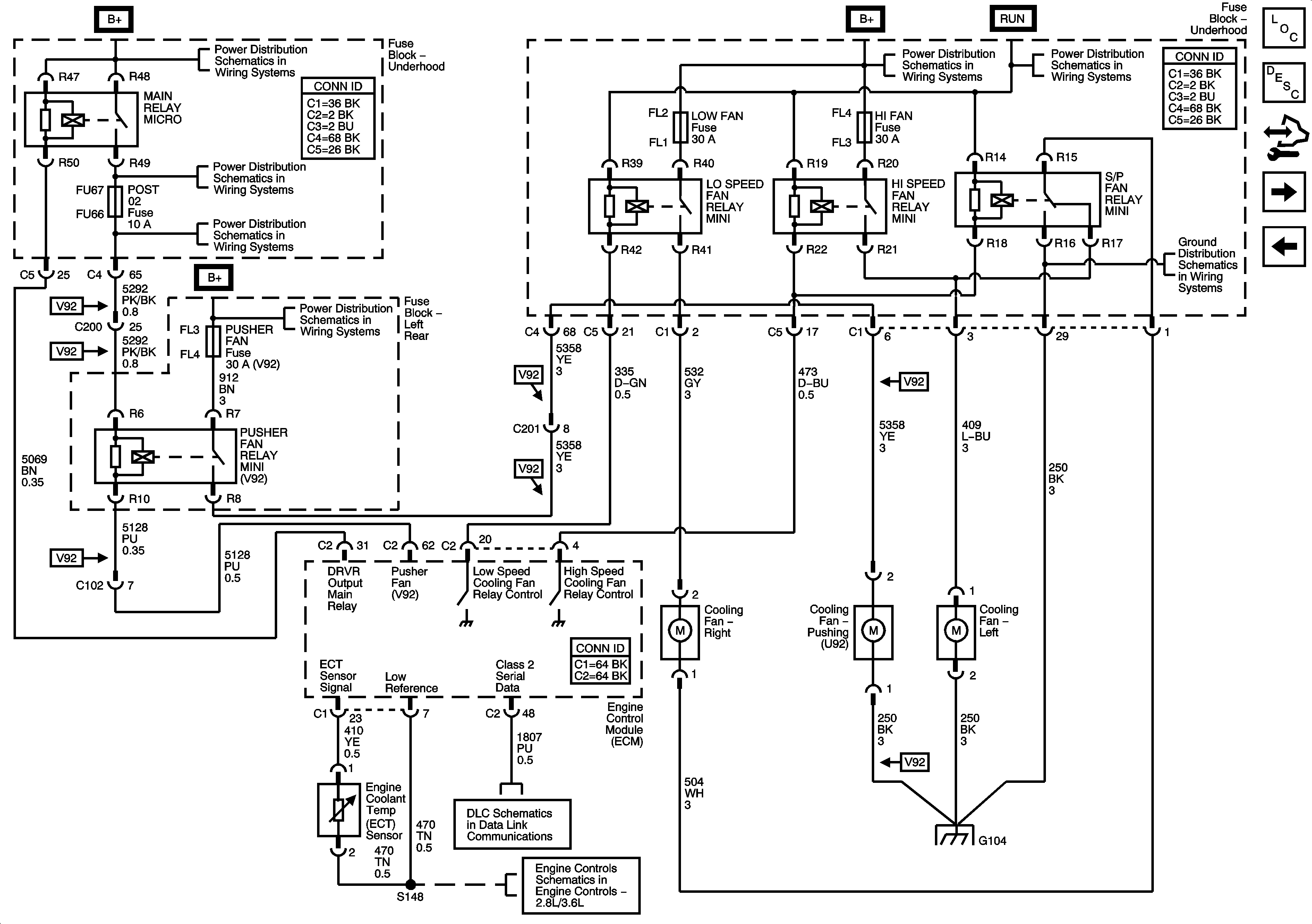
🢒 Cooling Fans 2.8L/3.6L (LP1/LY7)
Cooling Fans 2.8L/3.6L (LP1/LY7)
Cooling Fans - 2.8L/3.6L (LP1/LY7)
Master Electrical Component List
Cooling System Description and Operation
Control Module References
Cooling Fans 5.7L (L56)
Coolant Level Switch, Indicator, Gage and DIC
Underhood Fuse Block Cooling Fan Fuses/Relays, MAIN Relay, ECM and TOS Fuses
Underhood Fuse Block Cooling Fan Fuses/Relays, MAIN Relay, ECM and TOS Fuses
G104 - 1 of 2
Class 2 Serial Data Bus - LHD - 1 of 2
Engine Data Sensors - Low Reference
G104 - 1 of 2
Left Rear Fuse Block B+ Bus
Underhood Fuse Block POST 02 Fuse
Underhood Fuse Block POST 02 Fuse
Underhood Fuse Block B+ Bus - 2 of 2