GM Service Manual Online
For 1990-2009 cars only
Makes
🢒
Cadillac
🢒
2005
🢒
CTS
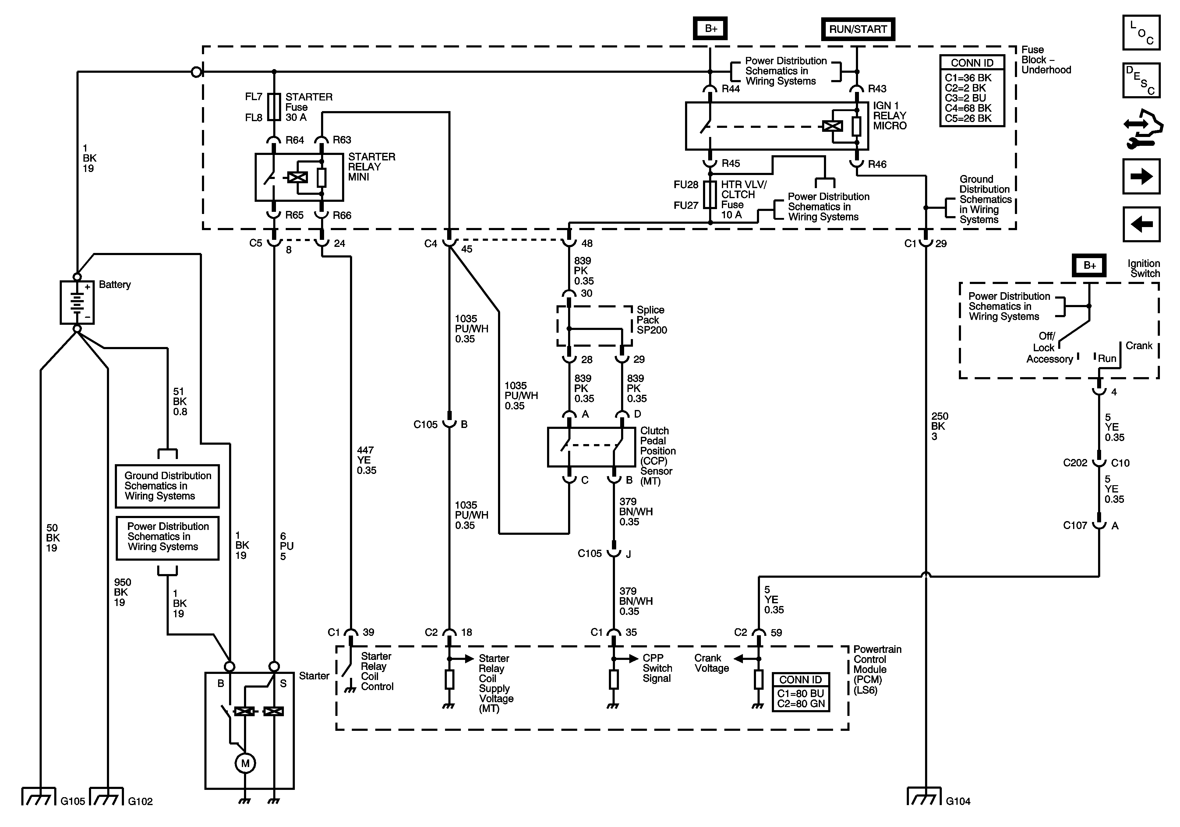
🢒 Starting System - 5.7L (LS6)
Starting System - 5.7L (LS6)
Starting System - 5.7L (LS6)
Master Electrical Component List
Charging System Description and Operation
Control Module References
Charging System - 2.8L/3.6L
Starting System - 2.8L/3.6L (LP1/LY7)
Underhood Fuse Block STARTER Relay, IGN 1 Relay, HTR VLV/CLTCH and TCM/IPC Fuses
Underhood Fuse Block STARTER Relay, IGN 1 Relay, HTR VLV/CLTCH and TCM/IPC Fuses
G104 - 1 of 2
Ignition Switch - 1 of 2
G102, G105, G110, G303, G304 and G306
Underhood Fuse Block B+ Bus - 1 of 2
G102, G105, G110, G303, G304 and G306
G102, G105, G110, G303, G304 and G306
G104 - 1 of 2