GM Service Manual Online
For 1990-2009 cars only
Makes
🢒
Cadillac
🢒
2005
🢒
CTS
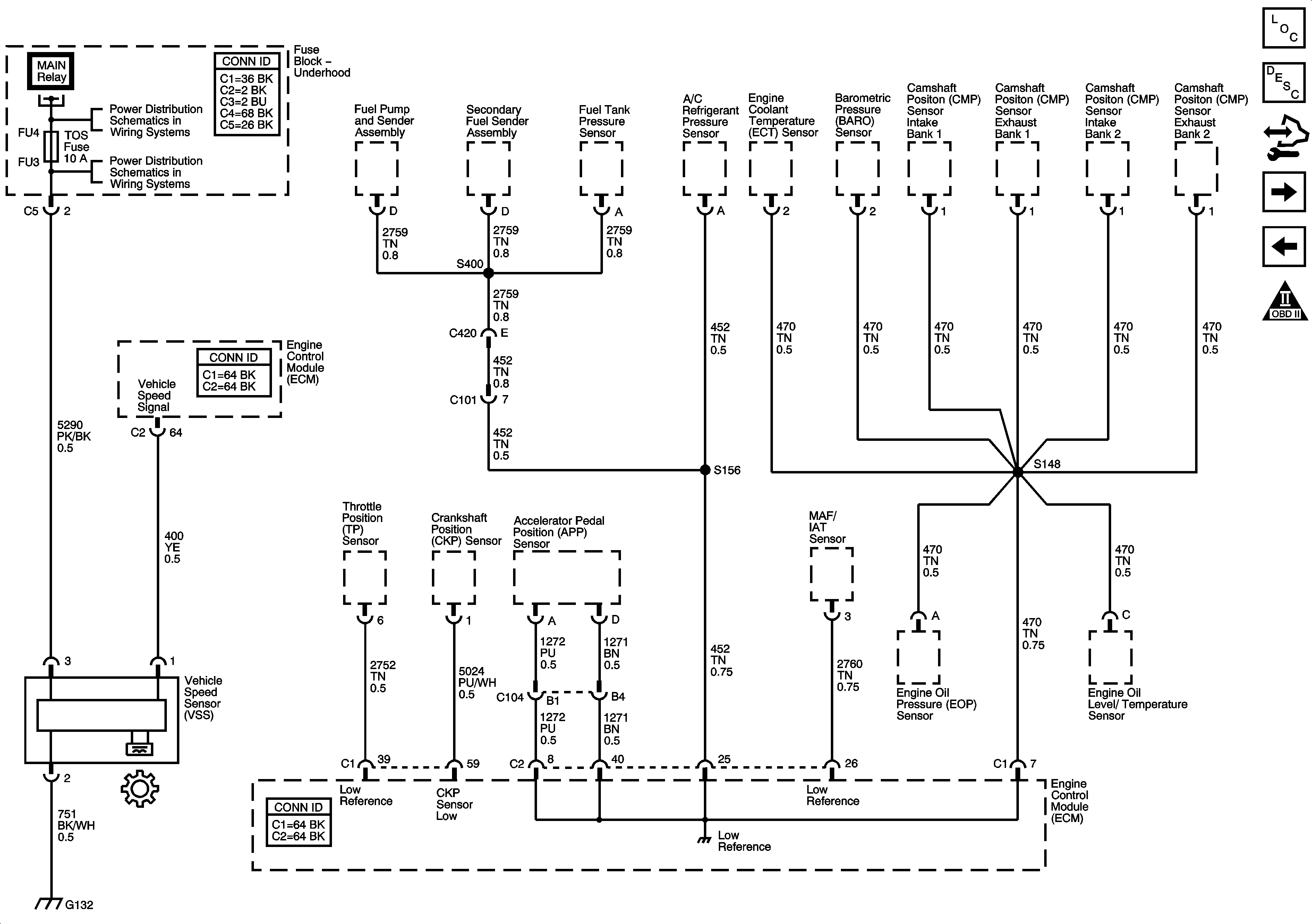
🢒 Engine Data Sensors - Low Reference
Engine Data Sensors - Low Reference
Engine Data Sensors - Low Reference
Master Electrical Component List
Engine Control Module Description
Control Module References
Engine Data Sensors - Pressure, Temperature, and MAF
Engine Data Sensors - 5-volt Reference
Engine Controls Schematic Icons