GM Service Manual Online
For 1990-2009 cars only
Makes
🢒
Cadillac
🢒
2005
🢒
CTS
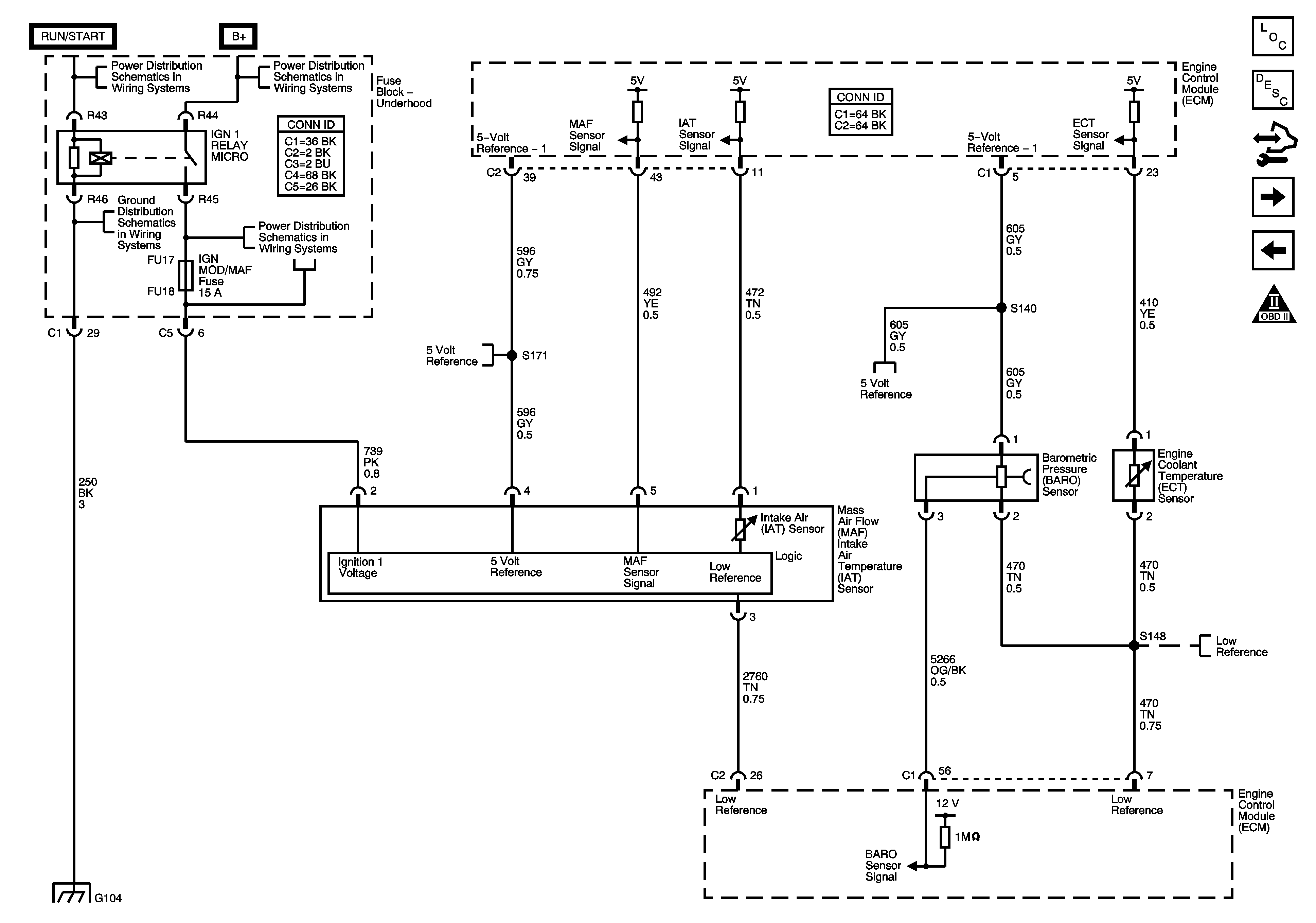
🢒 Engine Data Sensors - Pressure, Temperature, and MAF
Engine Data Sensors - Pressure, Temperature, and MAF
Engine Data Sensors - Pressure, Temperature, and MAF
Master Electrical Component List
Engine Control Module Description
Control Module References
Engine Data Sensors - Oxygen Sensors
Engine Data Sensors - Low Reference
Engine Controls Schematic Icons
Underhood Fuse Block B+ Bus - 2 of 2
Underhood Fuse Block B+ Bus - 2 of 2
G104 - 1 of 2
Underhood Fuse Block B+ Bus - 2 of 2
Engine Data Sensors - Low Reference
Engine Data Sensors - 5-volt Reference
Engine Data Sensors - Low Reference
G104 - 1 of 2