GM Service Manual Online
For 1990-2009 cars only
Makes
🢒
Cadillac
🢒
2005
🢒
CTS
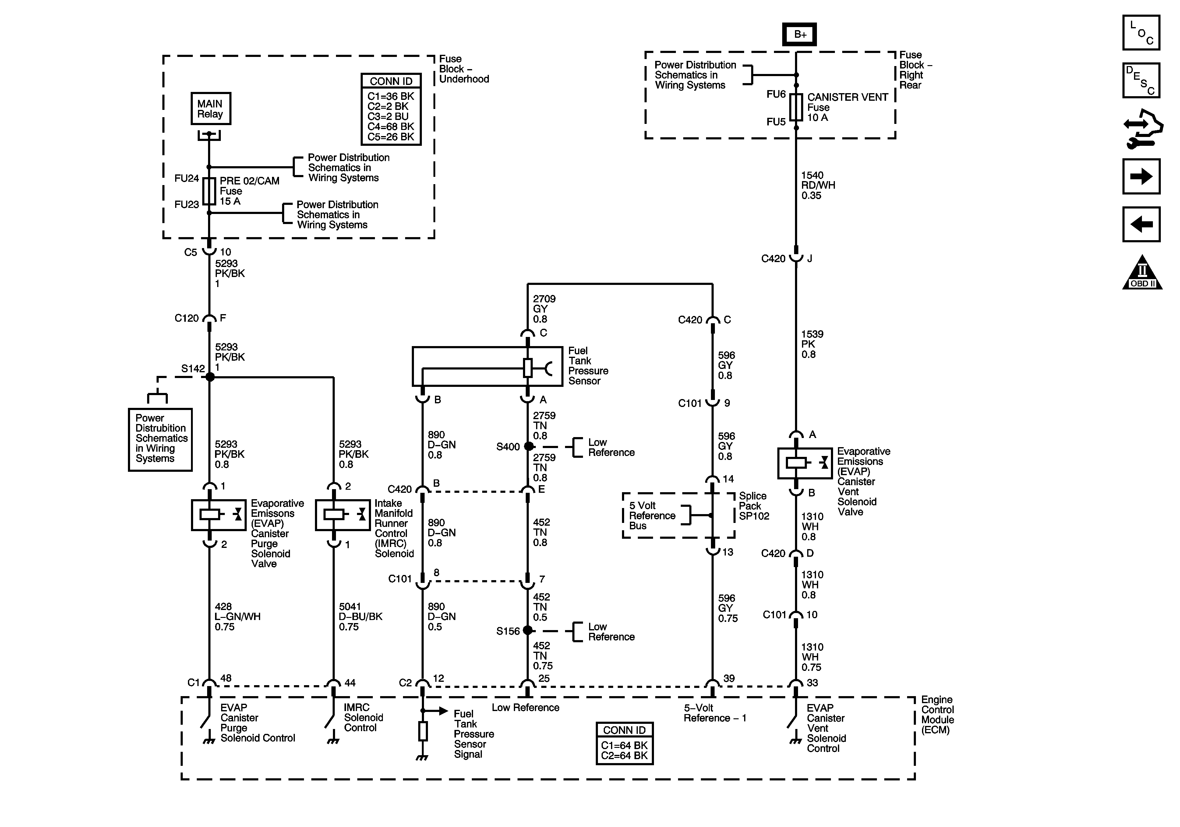
🢒 Fuel Controls - EVAP Controls and IMRC Solenoid
Fuel Controls - EVAP Controls and IMRC Solenoid
Fuel Controls - EVAP Controls and IMRC Solenoid
Master Electrical Component List
Engine Control Module Description
Control Module References
Controlled/Monitored Subsystem References
Fuel Controls - Fuel Pump and Injectors
Engine Controls Schematic Icons
Underhood Fuse Block B+ Bus - 2 of 2
Underhood Fuse Block B+ Bus - 2 of 2
Underhood Fuse Block B+ Bus - 2 of 2
Right Rear Fuse Block B+ Bus
Underhood Fuse Block PRE 02/CAM Fuse
Engine Data Sensors - Low Reference
Engine Data Sensors - 5-volt Reference
Engine Data Sensors - Low Reference