GM Service Manual Online
For 1990-2009 cars only
Makes
🢒
Cadillac
🢒
2005
🢒
CTS
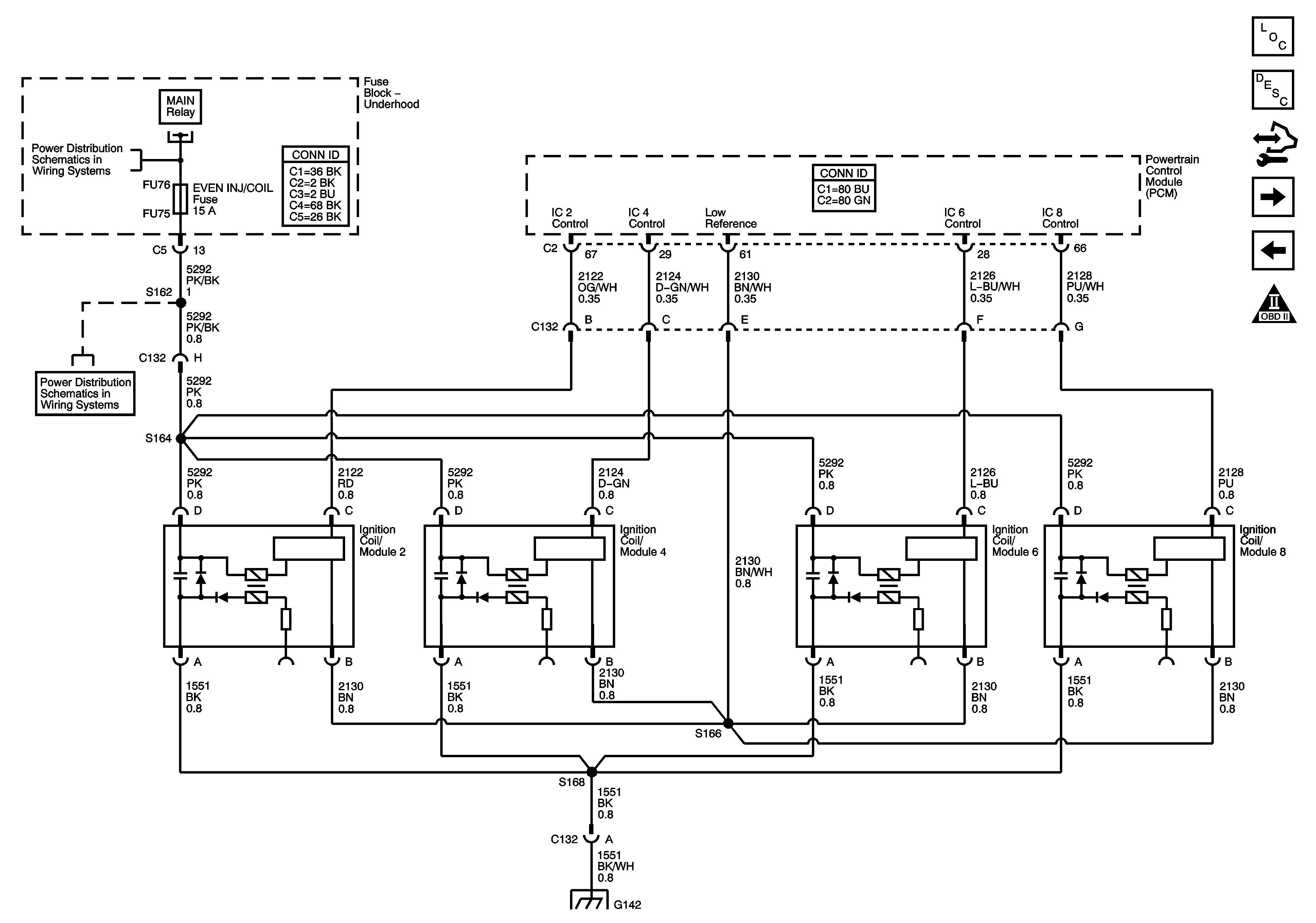
🢒 Ignition Controls - Even Ignition Coils
Ignition Controls - Even Ignition Coils
Ignition Controls - Even Ignition Coils
Master Electrical Component List
Powertrain Control Module Description
Control Module References
Ignition Controls - Knock, CKP and CMP Sensors
Ignition Controls - Odd Ignition Coils
Engine Controls Schematic Icons
Module Power, Ground, Serial Data, and MIL
Underhood Fuse Block EVEN INJ/COIL Fuse
Underhood Fuse Block EVEN INJ/COIL Fuse
G140, G141 and G142 (L56)