GM Service Manual Online
For 1990-2009 cars only
Makes
🢒
Cadillac
🢒
2005
🢒
CTS
🢒 Ignition Controls - Knock, CKP and CMP Sensors
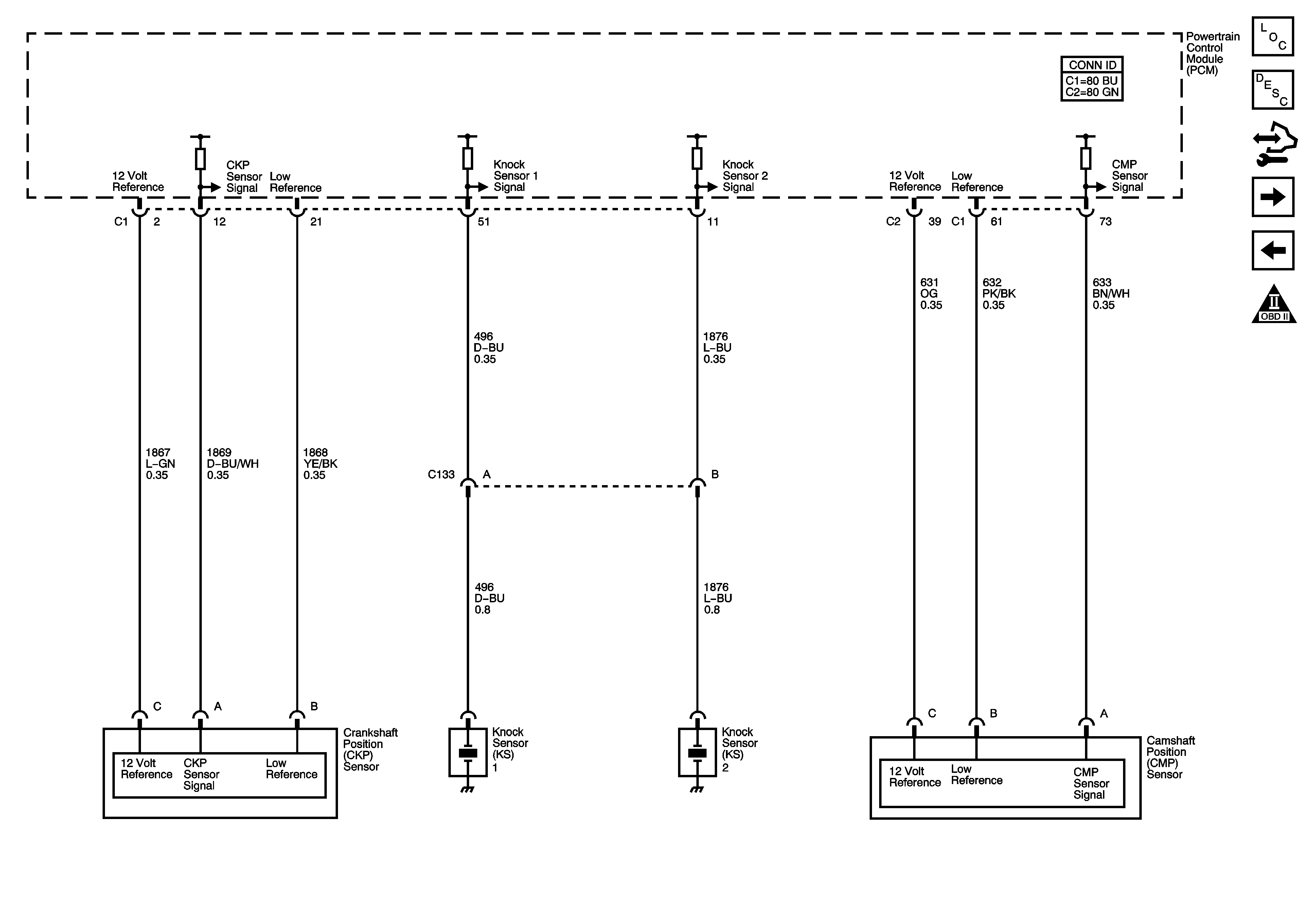
Ignition Controls - Knock, CKP and CMP Sensors
Ignition Controls - Knock, CKP and CMP Sensors
Master Electrical Component List
Powertrain Control Module Description
Control Module References
Fuel Controls - Fuel Injectors, Fuel Pump and Sender Assembly
Ignition Controls - Even Ignition Coils
Engine Controls Schematic Icons