GM Service Manual Online
For 1990-2009 cars only
Makes
🢒
Cadillac
🢒
2005
🢒
CTS
🢒 Power, Ground, GMLAN Bus
Power, Ground, GMLAN Bus
Power, Ground, and GMLAN Bus
Master Electrical Component List
Data Link Communications Description and Operation
Control Module References
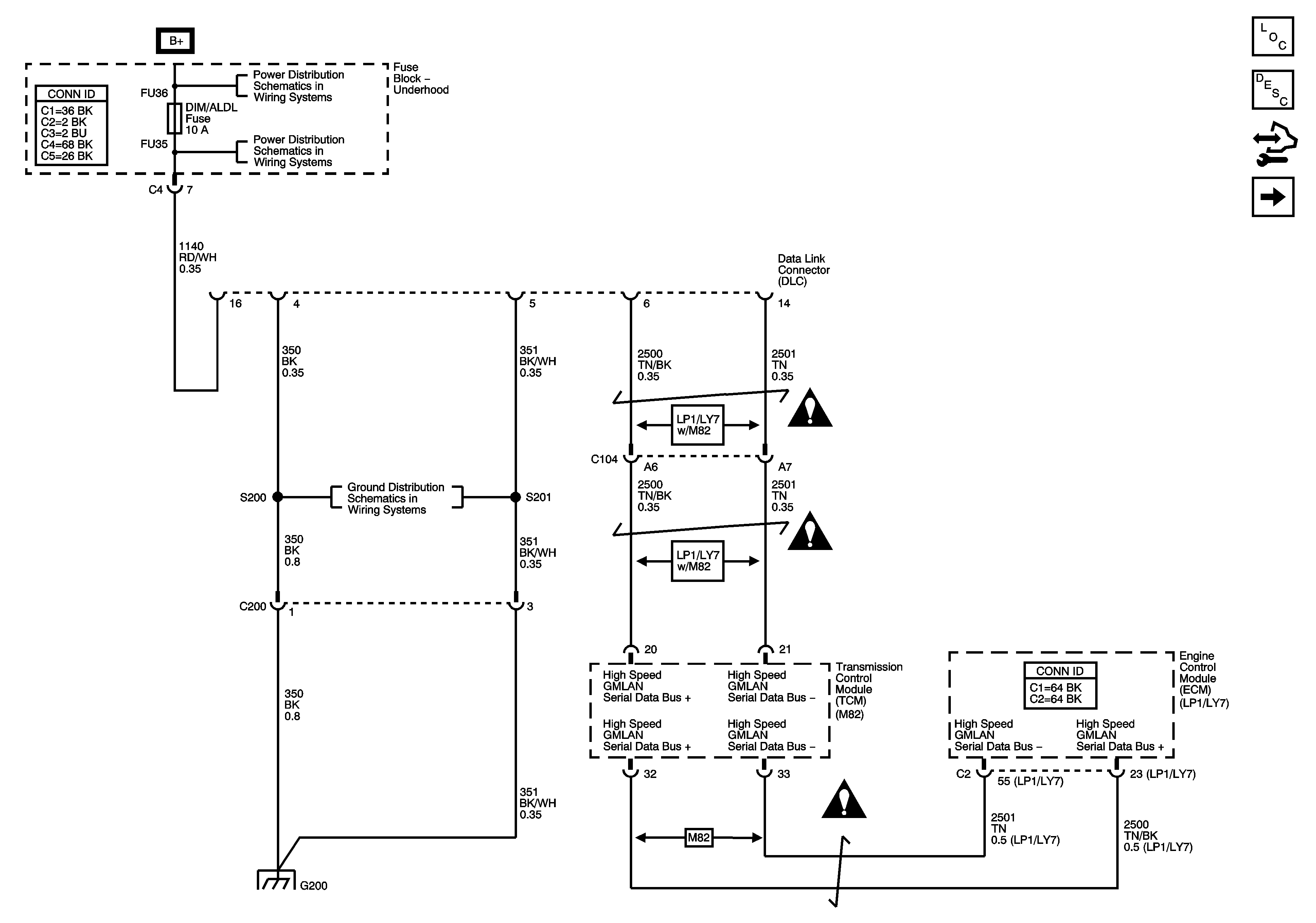
Class 2 Serial Data Bus - LHD - 1 of 2
Underhood Fuse Block DIM/ALDL, VOLT CHECK, FLASHER, CCP, EGM/TCM and ABS Fuses
Underhood Fuse Block DIM/ALDL, VOLT CHECK, FLASHER, CCP, EGM/TCM and ABS Fuses
G200
Computer/Integrating Systems Schematic Icons
Computer/Integrating Systems Schematic Icons
Computer/Integrating Systems Schematic Icons
G200