GM Service Manual Online
For 1990-2009 cars only
Makes
🢒
Cadillac
🢒
2005
🢒
CTS
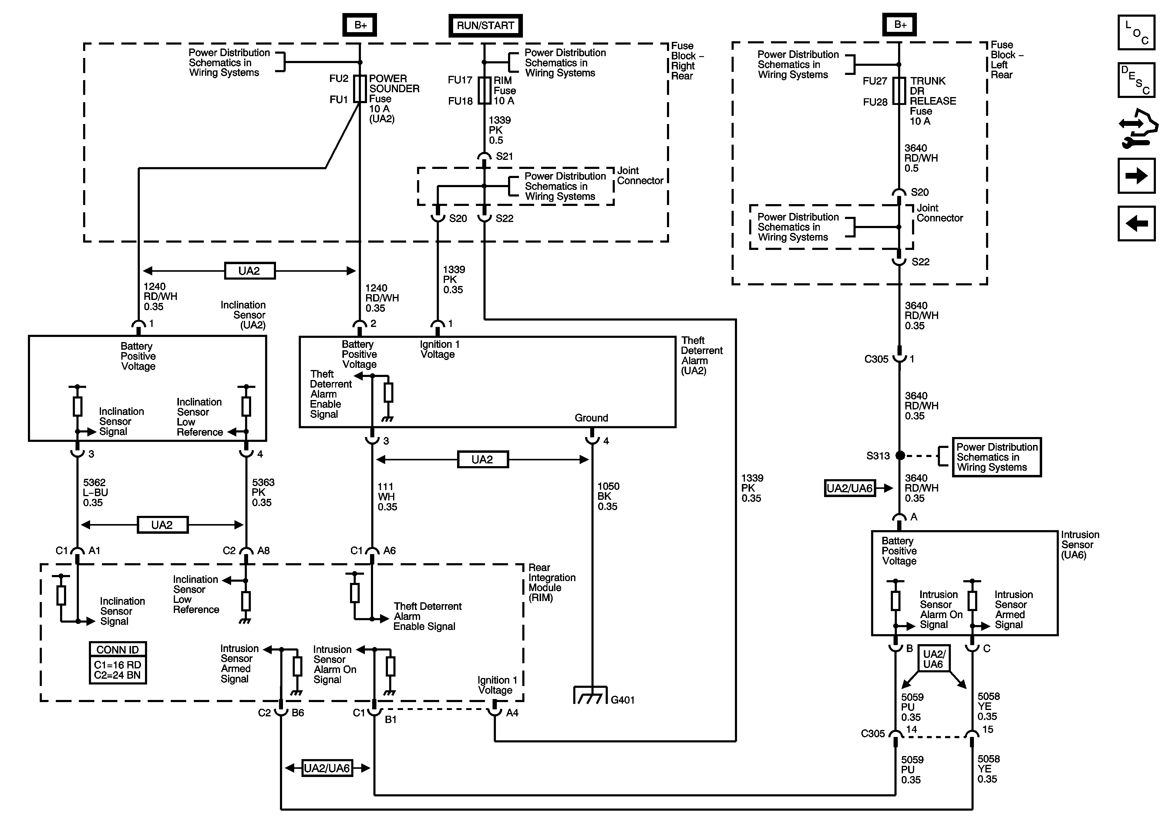
🢒 Theft Deterrent Alarm, Intrusion Sensor and Inclinatio Sensor - Export (w/UA2)
Theft Deterrent Alarm, Intrusion Sensor and Inclinatio Sensor - Export (w/UA2)
Theft Deterrent Alarm, Intrusion Sensor and Inclination Sensor - Export w/ UA2
Master Electrical Component List
Theft Systems Description and Operation
Control Module References
Door Modules, Serial Data and Indicator
Power, Ground, Serial Data, Theft Deterrent Control Module and Indicator
Right Rear Fuse Block B+ Bus
Right Rear Fuse Block IGN1 Relay, AIRBAG, RIM, ABS, PSGR DR MOD and TV/VICS Fuses
Right Rear Fuse Block IGN1 Relay, AIRBAG, RIM, ABS, PSGR DR MOD and TV/VICS Fuses
Left Rear Fuse Block B+ Bus
Left Rear Fuse Block B+ Bus
Left Rear Fuse Block SEAT Circuit Breaker, TRUNK Relay/Fuse, AMP, AUDIO, DRIVER DR MOD and REAR DR MOD Fuses
G401