GM Service Manual Online
For 1990-2009 cars only
Makes
🢒
Cadillac
🢒
2005
🢒
CTS
🢒 Early Production
Early Production
Early Production
Master Electrical Component List
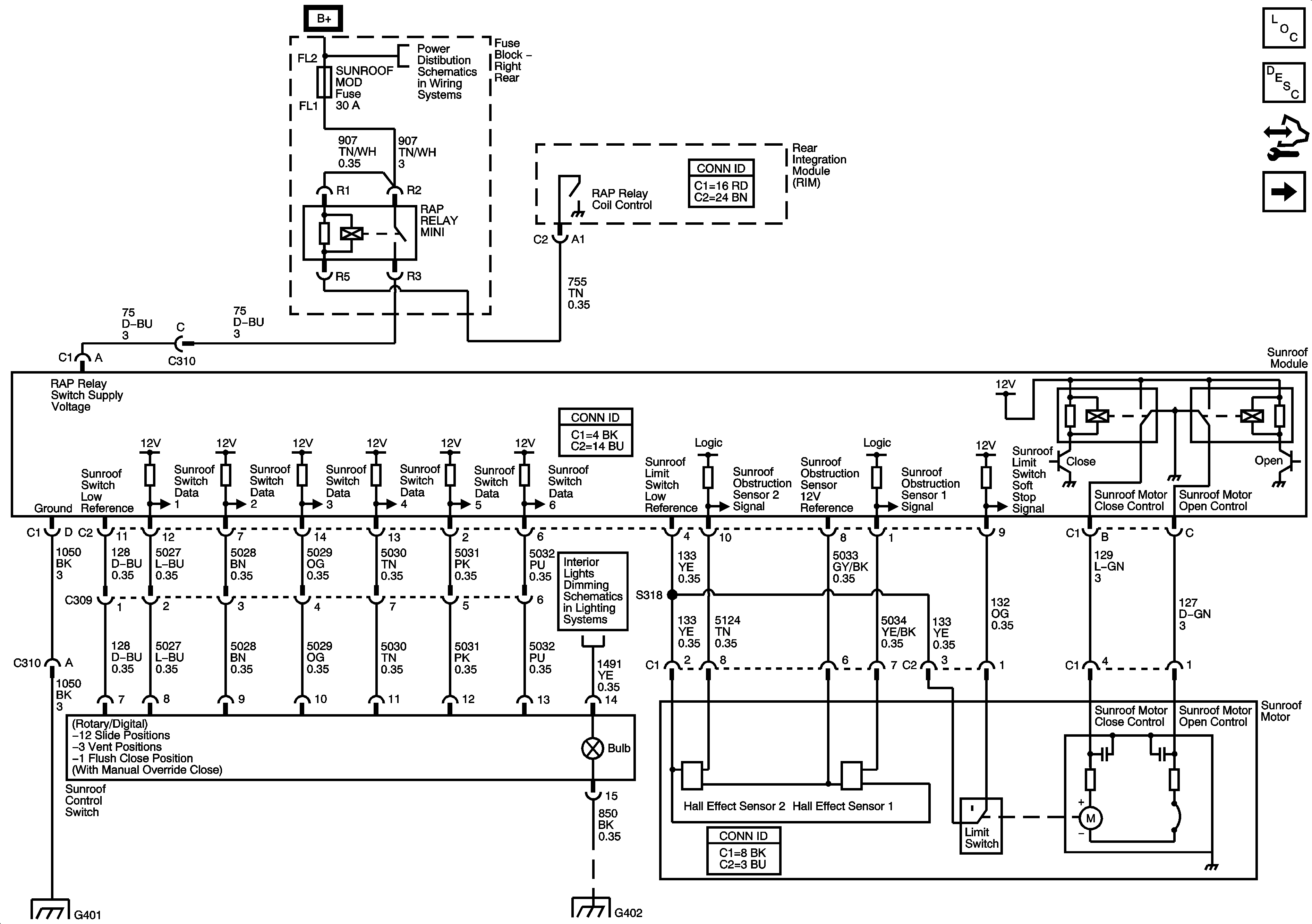
Sunroof Description and Operation (2 connector module)
Control Module References
Right Rear Fuse Block B+ Bus
Power, Ground and Serial Data - 1 of 2
G401
G402 - 1 of 2
Power Sunroof Without Jumper Harness