GM Service Manual Online
For 1990-2009 cars only
Makes
🢒
Cadillac
🢒
2005
🢒
CTS
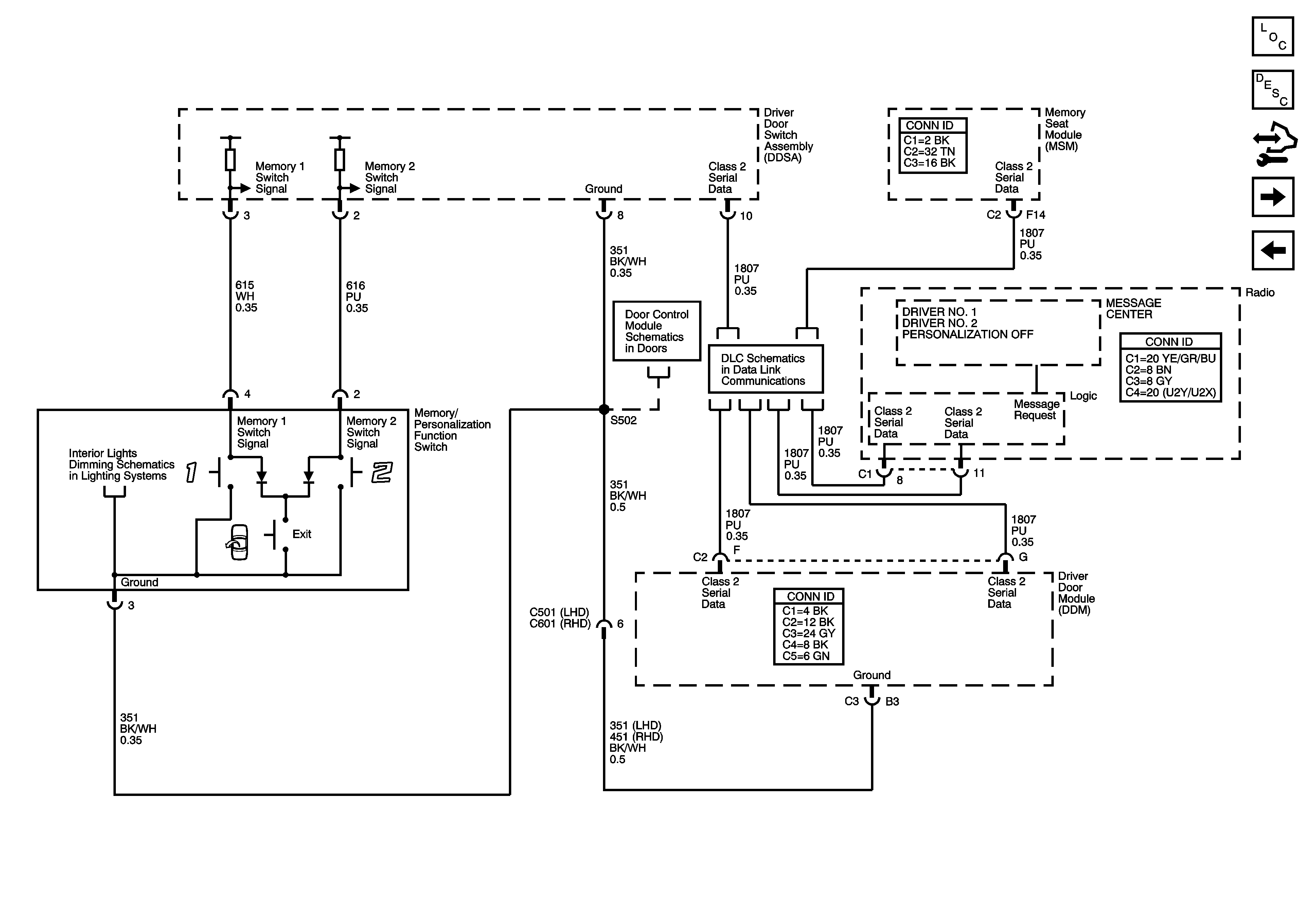
🢒 Memory/Personalization Function Switch (A45)
Memory/Personalization Function Switch (A45)
Memory/Personalization Function Switch (A45)
Master Electrical Component List
Memory Seats Description and Operation
Control Module References
Memory Seat Position Sensors and Motors (A45)
Memory Seat Module (MSM) Power, Ground and Driver Seat Adjuster Switch (A45)
Power, Ground and Serial Data - 2 of 2
Driver Door Module (DDM) Power, Ground and Serial Data
Class 2 Serial Data Bus - LHD - 1 of 2