GM Service Manual Online
For 1990-2009 cars only
Makes
🢒
Cadillac
🢒
2005
🢒
CTS
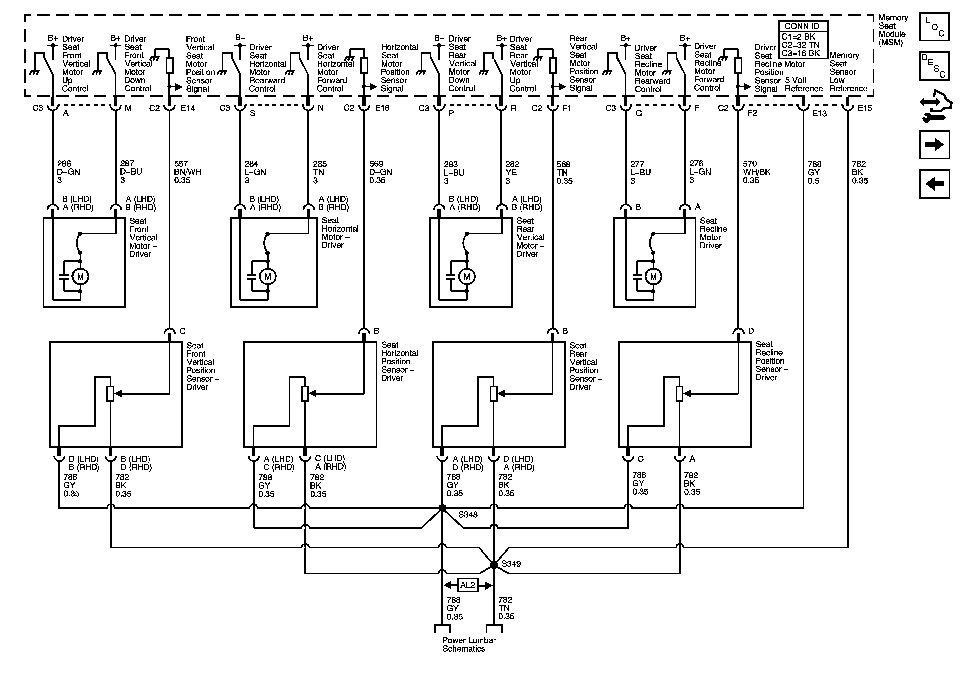
🢒 Memory Seat Position Sensors and Motors (A45)
Memory Seat Position Sensors and Motors (A45)
Memory Seat Position Sensors and Motors (A45)
Master Electrical Component List
Memory Seats Description and Operation
Control Module References
Power Lumbar - Driver (AL2)
Memory/Personalization Function Switch (A45)
Power Lumbar - Driver (AL2)