GM Service Manual Online
For 1990-2009 cars only
Makes
🢒
Cadillac
🢒
2006
🢒
CTS
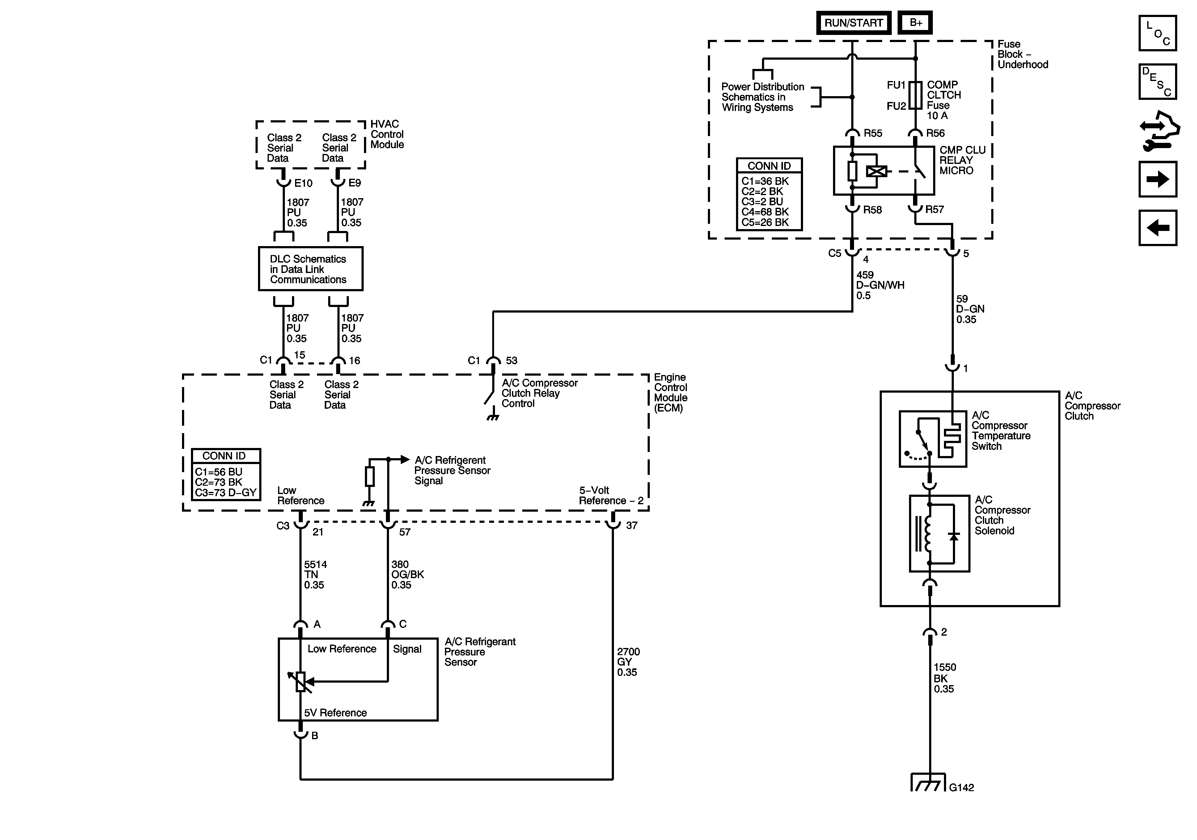
🢒 A/C Compressor Controls - 6.0L (LS2)
A/C Compressor Controls - 6.0L (LS2)
A/C Compressor Controls 6.0L (LS2)
Master Electrical Component List
Air Delivery Description and Operation
Control Module References
Air Delivery/Temperature Control Actuators (LHD)
A/C Compressor Controls - 2.8L/3.6L (LP1/LY7)
Class 2 Serial Data Bus (LHD) - 2 of 2
Underhood Fuse Block B+ Bus - 1 of 2
G140, G141, and G142 (LS2)