GM Service Manual Online
For 1990-2009 cars only

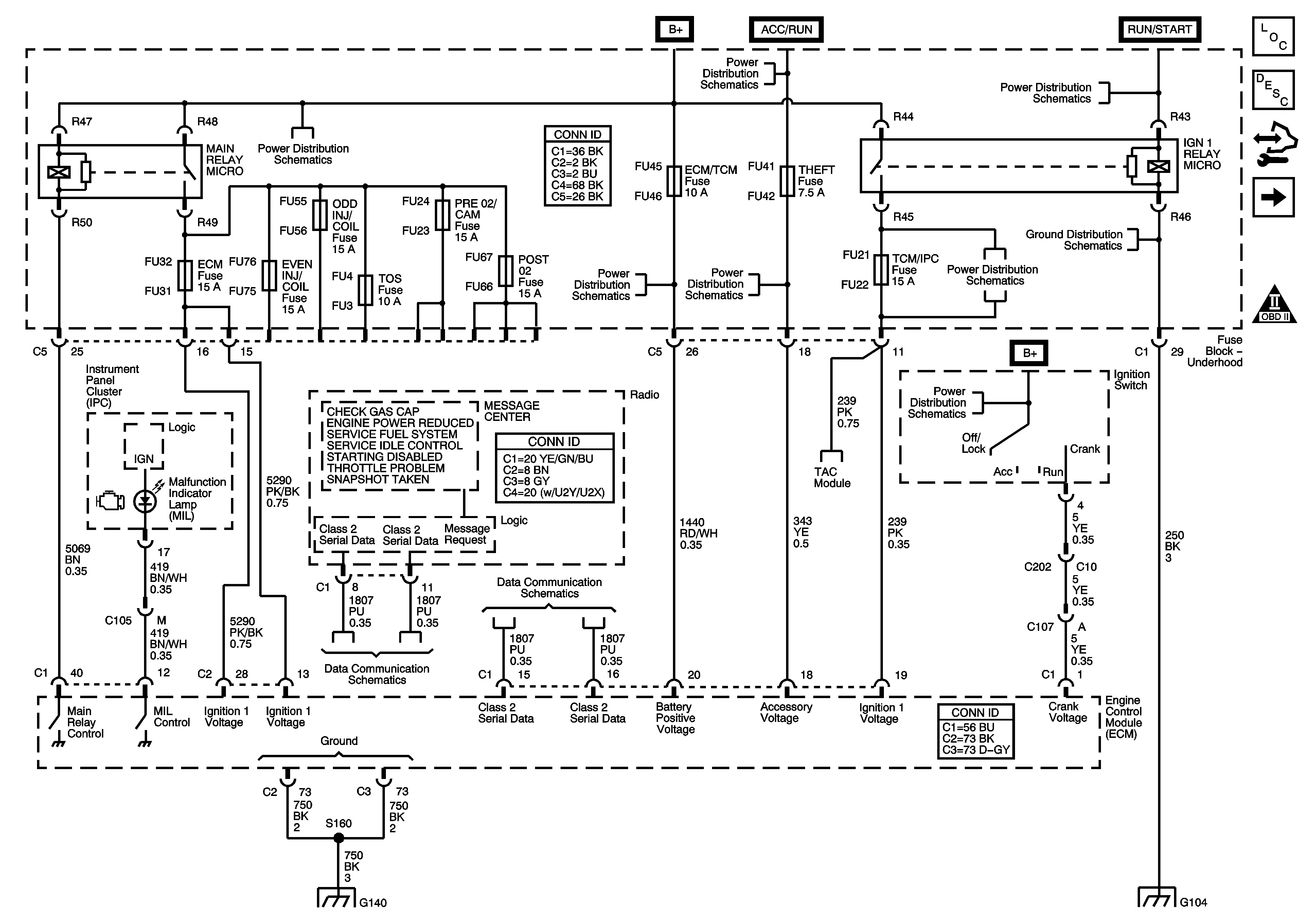
Power, Ground, Serial Data, DIC, and Indicators

Power, Ground, Serial Data, DIC, and Indicator


Object Number: 1577598  Size: FS
Master Electrical Component List
Engine Control Module Description
Control Module References
Engine Data Sensors - 5-Volt and Low Reference Busses
Underhood Fuse Block B+ Bus - 2 of 2
Engine Controls Schematic Icons
Class 2 Serial Data Bus (LHD) - 2 of 2
G140, G141, and G142 (LS2)
Class 2 Serial Data Bus (LHD) - 1 of 2
Class 2 Serial Data Bus (LHD) - 1 of 2
Ignition Switch - 2 of 2
Ignition Switch - 2 of 2
Engine Data Sensors - Throttle Actuator Control (TAC) System
Ignition Switch - 1 of 2
Underhood Fuse Block - STARTER Relay, IGN 1 Relay, HTR VLV/CLUTCH, and TCM/IPC Fuses
Underhood Fuse Block - STARTER Relay, IGN 1 Relay, HTR VLV/CLUTCH, and TCM/IPC Fuses
G104 - 1 of 2
G104 - 1 of 2