GM Service Manual Online
For 1990-2009 cars only
Makes
🢒
Cadillac
🢒
2007
🢒
CTS
🢒
Diagnostic Navigation
🢒
Vehicle Diagnostic Information
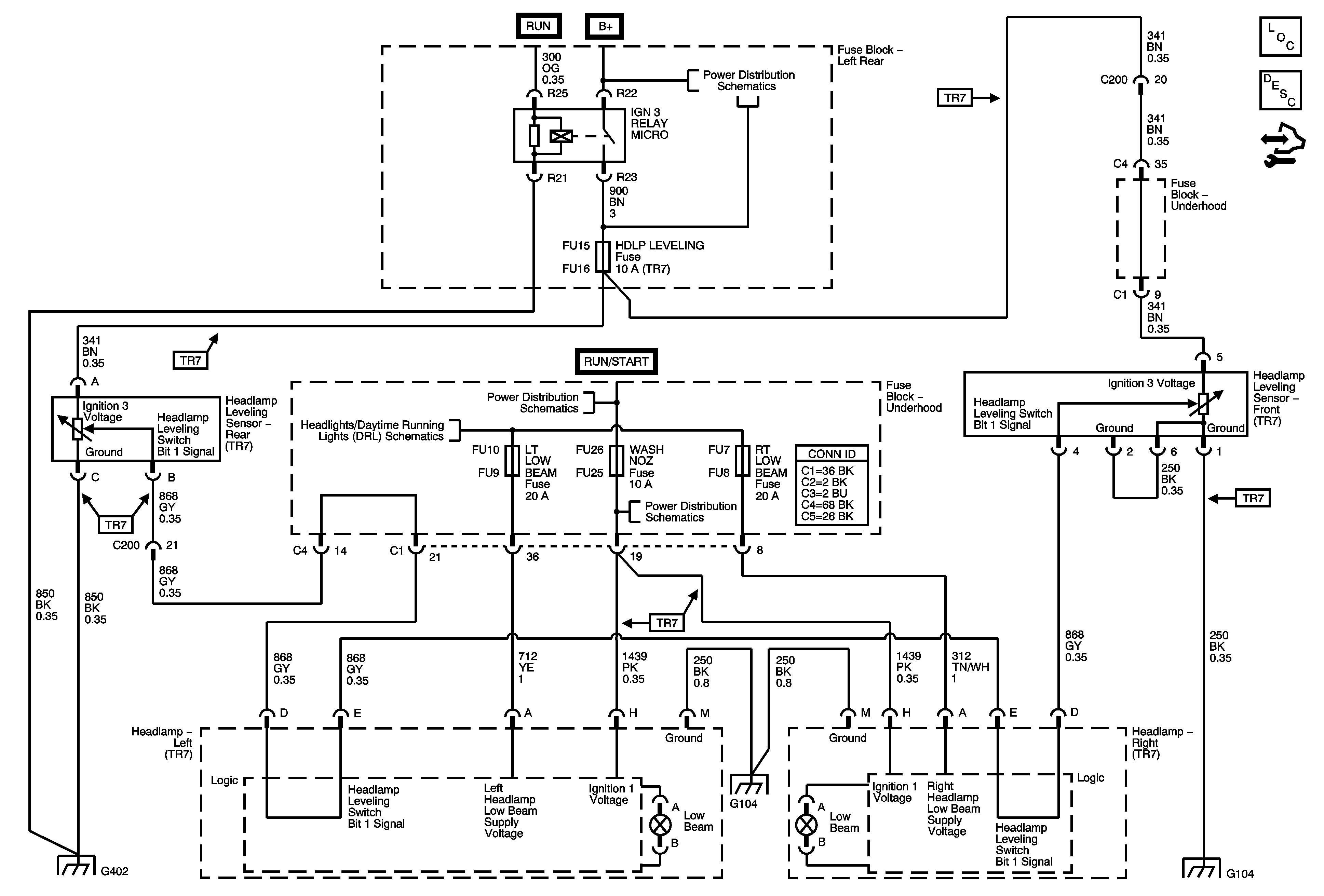
🢒 Headlight Leveling Schematics
Export w/TR7
Master Electrical Component List
Automatic Headlamp Leveling Calibration Description and Operation
Control Module References
G402 (2 of 2)
Lighting Headlights/DRL (Headlamps)
Underhood Fuse Block Wash noz, Strg (TL) and IGN MOD/MAF Fuses
G104 2 of 2
Left Rear Fuse Block Ign 3 Relay, LFRT HTD Seat MOD, MEM/ADAPT Seat, CCP, HDLP Leveling and IGN 3 Fuses
G104 2 of 2